00198460-01_DC_SIPLACE_TX-EditionV2_DE EN - 第79页
electric_schematic SIPLACE TX_V2 electric_schematic SIPLACE TX_V2 electric_schematic SIPLACE TX_V2 electric_schematic SIPLACE TX_V2 90012669-010501LE3 Replaced by FCU_Connection_Assembly_Loc2_CO Ti_II FCU_Connection_Asse…

electric_schematic SIPLACE TX_V2
electric_schematic SIPLACE TX_V2
electric_schematic SIPLACE TX_V2
electric_schematic SIPLACE TX_V2
90012669-010501LE3
Replaced by
FCU_Connection_Assembly_Loc2_COTi_II
FCU_Connection_Assembly_Loc2_COTi_II
FCU_Connection_Assembly_Loc2_COTi_II
FCU_Connection_Assembly_Loc2_COTi_II
Replaced by
Weitergabe sowie Vervielfältigung dieser Unterlage, Verwertung und
Mitteilung des Inhalts nicht gestattet, soweit nicht ausdrücklich zugestanden.
Proprietary Data, company confidential.
All rights reserved
Copying of this document, giving it to others and the use or
communication of the contents thereof, are forbidden without express authority.
Doc. No.
00 01 02 03 04 05 06 07 08 09
Privileged business information.
Do not release
Offenders are liable to payment of damages. All rights are reserved in the
event of the grant or the registration of a utility model or design.
Zuwiederhandlungen verpflichten zu Schadenersatz. Alle Rechte vorbehalten,
insbesondere für den Fall der Patenterteilung oder GM-Eintragung vorbehalten.
Page:
Function: TXi_V2 COTi with FCU_CA
==03136891=TX+Loc2/73
drawing number:
03136891-010101LE3
FCU COTi Location 2
FCU CO
Ti Location 2
FCU COTi Location 2
FCU COTi Location 2
GmbH & Co KG
ASM
Assembly Systems
Copyright reserved
Ed.
Original
Langerd
Date
Date
Modification
Appr
02.03.2018
Name
Size DIN A2
Sheet
73
/
4
- Location 2 -
- Location 2 -
- Location 2 -
- Location 2 -
Power_FCU
Power_FCU
Power_FCU
Power_FCU
Connector plate
Connector plate
Connector plate
Connector plate
03152757-xx
03152757-
xx
03152757-xx
03152757-xx
Feeder 1
F
eeder 1
Feeder 1
Feeder 1
Feeder 2
F
eeder 2
Feeder 2
Feeder 2
Feeder 40
F
eeder 40
Feeder 40
Feeder 40
Track 40
T
rack 40
Track 40
Track 40Track 1
Track 1
Track 1
Track 1 Track 2
Track 2
Track 2
Track 2
Feeder 20
F
eeder 20
Feeder 20
Feeder 20
Track 20
T
rack 20
Track 20
Track 20
Feeder 3
F
eeder 3
Feeder 3
Feeder 3
Track 3
T
rack 3
Track 3
Track 3
Feeder 21
F
eeder 21
Feeder 21
Feeder 21
Track 21
T
rack 21
Track 21
Track 21
Feeder 22
F
eeder 22
Feeder 22
Feeder 22
Track 22
T
rack 22
Track 22
Track 22
Feeder 23
F
eeder 23
Feeder 23
Feeder 23
Track 23
T
rack 23
Track 23
Track 23
Flat Flexible
Cable
. . . . . . . .
. . . . . . . .
. . . . . . . .
. . . . . . . .
. . . . . . . .
. . . . . . . .
. . . . . . . .
. . . . . . . .
. . . . . . . .
. . . . . . . .
. . . . . . . .
. . . . . . . .
. . . . . . . .
. . . . . . . .
. . . . . . . .
. . . . . . . .
Feeder
F
eeder
Feeder
Feeder
1 - 20
1 - 20
1 - 20
1 - 20
Feeder
F
eeder
Feeder
Feeder
21 - 40
21 - 40
21 - 40
21 - 40
1 2
-J6
-
J6
-J6
-J6
Power FCU_II
P
ower FCU_II
Power FCU_II
Power FCU_II
D-5200S
1 Row, 2 Pos.
X-Keying
1-353079-2
56-S00763
03155755
+28V_I (F32)
PGND_I
-X20
-
X20
-X20
-X20
DATA_EDIF_II
MOLEX
DVI-I (24+5)
Receptacle
Connector
74320-1000
56-S00754
03151054
RST_DISTR_I_P
RST_DISTR_I_M
SPI_I_CLK_P
SPI_I_MOSI_P
SPI_I_CLK_M
SPI_I_MOSI_M
SPI_I_CS0_P
SPI_I_CS0_M
SPI_I_CS1_P
SPI_I_CS2_P
SPI_I_CS1_M
SPI_I_CS2_M
CAN1_UP_TX_P
CAN1_UP_TX_M
CAN1_UP_RX_P
NCONFIG_I_P
CAN1_UP_RX_M
NCONFIG_I_M
DRV_I_RES1_P
DRV_I_RES1_M
SPI_I_MISO_P
SPI_I_MISO_M
GND_SATI
GND_SATI
RST_PLD_I_P
RST_PLD_I_M
REC_I_RES1_P
REC_I_RES1_M
-FCU.CA
-FCU
.CA
-FCU.CA
-FCU.CA
PCBA_FCU Connection Assembly TX_V2
PCBA_FCU Connection Assembly TX_V2
PCBA_FCU Connection Assembly TX_V2
PCBA_FCU Connection Assembly TX_V2
(FCU Supply Unit)
(FCU Supply Uni
t)
(FCU Supply Unit)
(FCU Supply Unit)
03154202
2 3 4 5 61 7 8 9 10 11 12 13 14 15 16 17 18 19 20 21 22 23 24
25
C5(A)
C5(A)
C5(A)
C5(A)
26
C5(B)
C5(B)
C5(B)
C5(B)
27
C1
C1
C1
C1
28
C2
C2
C2
C2
29
C3
C3
C3
C3
30
C4
C4
C4
C4
CAN1_IF_OUT_P
CAN1_IF_OUT_M
1
+28V
2
PGND
-J5/6.CA
-
J5/6.CA
-J5/6.CA
-J5/6.CA
D-5200S
Receptacle Housing
1-Row, 2 Pos.
X-Keying
1-179958-2
03101871
-X1.PWR
-
X1.PWR
-X1.PWR
-X1.PWR
D-5200S
Tab Housing
Panel type
1Row, 2 Pos.
X-Keying
1-353047-2
03149386
1 2
1250 mm
2xAWG10
Single core
03154101
03154101
03154101
03154101 -01
-01
-01
-01
-W121
-
W121
-W121
-W121
Cable COT-i TX V2
Power FCU
dBU
WH
10
98765432 20191817161514131211
-X1.DATA
-
X1.DATA
-X1.DATA
-X1.DATA
DVI-I (24+5)
Female Connector
1
-X19/20.CA
-
X19/20.CA
-X19/20.CA
-X19/20.CA
DVI-I (24+5)
Male Connector
1,2 m
15x2xAWG28
Data cable DVI (24+5)P M-F
03154112
03154112
03154112
03154112 -01
-01
-01
-01
-W122
-
W122
-W122
-W122
Cable COT-i TX V2
Data FCU
1 2 3 4 5 6 7 8 9 10 11 12 13 14 15 16 17 18 19 20 21 22 23 24
25
C5(A)
C5(A)
C5(A)
C5(A)
26
C5(B)
C5(B)
C5(B)
C5(B)
27
C1
C1
C1
C1
28
C2
C2
C2
C2
29
C3
C3
C3
C3
21 22 23 24 C5
C5
C5
C5 C5
C5
C5
C5 C1 C2 C3 C4
30
C4
C4
C4
C4
-X1.DATA
-
X1.DATA
-X1.DATA
-X1.DATA
DVI-I (24+5)
Male Connector
480 mm
15x2xAWG28
Data cable HRS DF9 - DVI (24+5)P M
03148198
03148198
03148198
03148198 -01
-01
-01
-01
-W1
-
W1
-W1
-W1
Cable Data FCU
grey
black
white
orange
white
brown
brown
white
yellow
white
red
white
black
1
2 3 4 5 6 7 8 9 10 11 12 13 14 15 16 17 18 19 20 21 22 23 24 C5
C5
C5
C5 C5
C5
C5
C5 C1 C2 C3
red
grey
orange
grey
yellow
grey
black
blue
brown
blue
red
blue
orange
blue
yellow
blue
grey
C4
-J1:+28V
-J1:+28V
-J1:+28V
-J1:+28V
-J2:PGND
-J2:PGND
-J2:PGND
-J2:PGND
PGND+28V
-Distribution-Board_FCU
-Distribution-Board_FCU
-Distribution-Board_FCU
-Distribution-Board_FCU
PCBA FCU distribution board
PCBA FCU distribution boar
d
PCBA FCU distribution board
PCBA FCU distribution board
Location_2
Location_2
Location_2
Location_2
03139207
191715131197531 2018161412108642
-J3.DATA
-
J3.DATA
-J3.DATA
-J3.DATA
Data_FCU
312927252321 3028262422
CAN_IF_OUT_P
CAN_IF_OUT_M
RST_DISTR_P
SPI_CLK_P
RST_DISTR_M
SPI_CLK_M
SPI_MOSI_P
SPI_MOSI_M
SPI_CS0_P
SPI_CS1_P
SPI_CS0_M
SPI_CS1_M
SPI_CS2_P
SPI_CS2_M
CAN_UP_TX_P
CAN_UP_RX_P
CAN_UP_TX_M
CAN_UP_RX_M
NCONFIG_P
NCONFIG_M
DRV_RES1_P
DRV_RES1_M
SPI_MISO_P
CAN_OUT_COLL_P
SPI_MISO_M
CAN_OUT_COLL_M
REC_RES1_P
REC_RES1_M
NC
LGND
LGND
201816141210864 191715131197531
-J3.DATA
-
J3.DATA
-J3.DATA
-J3.DATA
2 312927252321 3028262422
1 2
520 mm
2xAWG12
Single core
03148196
03148196
03148196
03148196 -01
-01
-01
-01
-W1
-
W1
-W1
-W1
dBU WH
-X1.PWR
-
X1.PWR
-X1.PWR
-X1.PWR
D-5200S
Receptacle Housing
1-Row, 2 Pos.
X-Keying
1-179958-2
03101871
-Slim_FCU
-Slim_FCU
-Slim_FCU
-Slim_FCU
Slim_FCU TX V2
Sl
im_FCU TX V2
Slim_FCU TX V2
Slim_FCU TX V2
Location_2
Location_2
Location_2
Location_2
03145541
WH/YE
WH/GN
PK/WH
PK/YE
GY/GN
GY/YE
-EDIF_Board-III_(21-40)
-EDIF_Board-III_(21-40)
-EDIF_Board-III_(21-40)
-EDIF_Board-III_(21-40)
PCBA EDIF board_III / FCU Sydney
PCBA EDIF boar
d_III / FCU Sydney
PCBA EDIF board_III / FCU Sydney
PCBA EDIF board_III / FCU Sydney
Location_2
Location_2
Location_2
Location_2
03145557
-EDIF_Board-III_(1-20)
-EDIF_B
oard-III_(1-20)
-EDIF_Board-III_(1-20)
-EDIF_Board-III_(1-20)
PCBA EDIF board_III / FCU Sydney
PCBA EDIF boar
d_III / FCU Sydney
PCBA EDIF board_III / FCU Sydney
PCBA EDIF board_III / FCU Sydney
Location_2
Location_2
Location_2
Location_2
03145557
-X2
-X2
-X2
-X2
PWR EDIF-BOARD A (1..20)
1 2
+28V
PGND
-X23
-
X23
-X23
-X23
PWR EDIF-BOARD A (1..20)
1
+28V
PGND
2
-X3
-X3
-X3
-X3
PWR EDIF-BOARD A (21..40)
1 2
+28V
PGND
1 2
-X23
-
X23
-X23
-X23
PWR EDIF-BOARD A (21..40)
+28V
PGND
-X4
-
X4
-X4
-X4
DATA EDIF-BOARD A (1..20)
1 2 40
-X22
-
X22
-X22
-X22
DATA EDIF-BOARD A (1..20)
1 2 40
-X5
-
X5
-X5
-X5
DATA EDIF-BOARD A (21..40)
1 2 40
-X22
-
X22
-X22
-X22
DATA EDIF-BOARD A (21..40)
1 2 40
YE/BK
YE
RD
RD/BK
BN
BN/WH
lBU
lBU/BK
lBU/GN
lBU/YE
GN
GN/BK
BU
BU/WH
WH
WH/BK
PK
PK/BK
VI
VI/WH
GY
GY/BK
OG
OG/BK
-FFC
Flat Flexible
Cable

electric_schematic SIPLACE TX_V2
electric_schematic SIPLACE TX_V2
electric_schematic SIPLACE TX_V2
electric_schematic SIPLACE TX_V2
90012669-010501LE3
Replaced by
FCU_Connection_Assembly_Loc2_COTi_II
FCU_Connection_Assembly_Loc2_COTi_II
FCU_Connection_Assembly_Loc2_COTi_II
FCU_Connection_Assembly_Loc2_COTi_II
(Opton special_Feeder)
(Opton special_F
eeder)
(Opton special_Feeder)
(Opton special_Feeder)
Replaced by
Weitergabe sowie Vervielfältigung dieser Unterlage, Verwertung und
Mitteilung des Inhalts nicht gestattet, soweit nicht ausdrücklich zugestanden.
Proprietary Data, company confidential.
All rights reserved
Copying of this document, giving it to others and the use or
communication of the contents thereof, are forbidden without express authority.
Doc. No.
00 01 02 03 04 05 06 07 08 09
Privileged business information.
Do not release
Offenders are liable to payment of damages. All rights are reserved in the
event of the grant or the registration of a utility model or design.
Zuwiederhandlungen verpflichten zu Schadenersatz. Alle Rechte vorbehalten,
insbesondere für den Fall der Patenterteilung oder GM-Eintragung vorbehalten.
Page:
Function: TXi_V2 COTi with FCU_CA
==03136891=TX+Loc2/74
drawing number:
03136891-010101LE3
FCU COTi Location 2
FCU CO
Ti Location 2
FCU COTi Location 2
FCU COTi Location 2
GmbH & Co KG
ASM
Assembly Systems
Copyright reserved
Ed.
Original
Pingist
Date
Date
Modification
Appr
07.02.2018
Name
Size DIN A2
Sheet
74
/
4
- Location 2 -
- Location 2 -
- Location 2 -
- Location 2 -
Separation
S
eparation
Separation
Separation
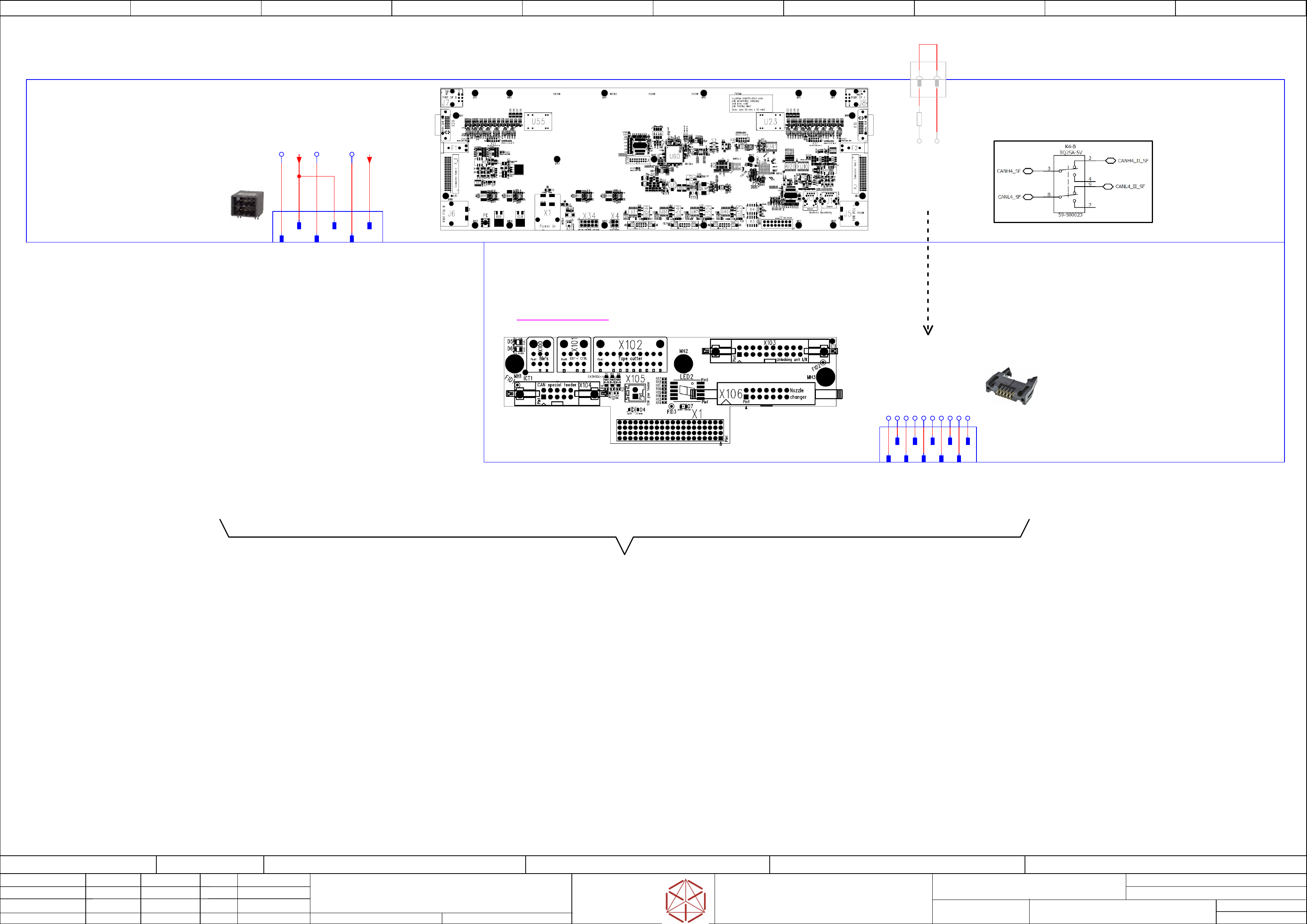
CAN4 Special Feeder_II
CAN4 Special F
eeder_II
CAN4 Special Feeder_II
CAN4 Special Feeder_II
-J7 Power and -X104 CAN for
-
J7 Power and -X104 CAN for
-J7 Power and -X104 CAN for
-J7 Power and -X104 CAN for
- Special Feeder -
- Special F
eeder -
- Special Feeder -
- Special Feeder -
03154198-020101LE3
-FCU.CP2
-FCU
.CP2
-FCU.CP2
-FCU.CP2
PCBA_FCU Connector Panel
PCBA_FCU Connector P
anel
PCBA_FCU Connector Panel
PCBA_FCU Connector Panel
COT_insert_2
COT_insert_2
COT_insert_2
COT_insert_2
FCU Supply Unit Location_2
FCU Supply Uni
t Location_2
FCU Supply Unit Location_2
FCU Supply Unit Location_2
-FCU.CA
-FCU
.CA
-FCU.CA
-FCU.CA
PCBA_FCU Connection Assembly TX_V2
PCBA_FCU Connection Assembly TX_V2
PCBA_FCU Connection Assembly TX_V2
PCBA_FCU Connection Assembly TX_V2
(FCU Supply Unit)
(FCU Supply Uni
t)
(FCU Supply Unit)
(FCU Supply Unit)
03154202
-J7
-
J7
-J7
-J7
Power
P
ower
Power
Power
Special Feeder II
Special F
eeder II
Special Feeder II
Special Feeder II
D-3100M
2-Row, 6 Pos.
XX-Keying
1-178137-2
56-S00762
0315xxx
PGND_SF
PE
PGND
-X104
-
X104
-X104
-X104
CAN4 Special Feeder_II
CAN4 Special F
eeder_II
CAN4 Special Feeder_II
CAN4 Special Feeder_II
3210-Series
10 Pos.
3210-10SS4BLX1
56-S00698
03137958
1
2
3
4
5
6
7
8
9
10
GND_C4
CANL4_II_SF
CANH4_II_SF
GND_C4
NC
NC
NC
NC
NC
NC
A1 A2 A3
B1 B2
B3
-X36
-
X36
-X36
-X36
CAN-Bus Terminator
CAN-B
us Terminator
CAN-Bus Terminator
CAN-Bus Terminator
Special Feeder I and II
Special F
eeder I and II
Special Feeder I and II
Special Feeder I and II
SAMTEC
Header
2 Positions
TSW-101-07-T-D
56-S00230
03107343
1 2
1
-X36
-
X36
-X36
-X36
Jumper
Jumper
Jumper
Jumper
2
-R452
120 Ohm
CANL4_SF
CANH4_SF
===TX+-28V_SF
===TX+-24V_SSK

electric_schematic SIPLACE TX_V2
electric_schematic SIPLACE TX_V2
electric_schematic SIPLACE TX_V2
electric_schematic SIPLACE TX_V2
90012669-010501LE3
Replaced by
FCU_Connection_Assembly_Loc2_COTi_II
FCU_Connection_Assembly_Loc2_COTi_II
FCU_Connection_Assembly_Loc2_COTi_II
FCU_Connection_Assembly_Loc2_COTi_II
Replaced by
Weitergabe sowie Vervielfältigung dieser Unterlage, Verwertung und
Mitteilung des Inhalts nicht gestattet, soweit nicht ausdrücklich zugestanden.
Proprietary Data, company confidential.
All rights reserved
Copying of this document, giving it to others and the use or
communication of the contents thereof, are forbidden without express authority.
Doc. No.
00 01 02 03 04 05 06 07 08 09
Privileged business information.
Do not release
Offenders are liable to payment of damages. All rights are reserved in the
event of the grant or the registration of a utility model or design.
Zuwiederhandlungen verpflichten zu Schadenersatz. Alle Rechte vorbehalten,
insbesondere für den Fall der Patenterteilung oder GM-Eintragung vorbehalten.
Page:
Function: TXi_V2 COTi with FCU_CA
==03136891=TX+Loc2/75
drawing number:
03136891-010101LE3
FCU COTi Location 2
FCU CO
Ti Location 2
FCU COTi Location 2
FCU COTi Location 2
GmbH & Co KG
ASM
Assembly Systems
Copyright reserved
Ed.
Original
Pingist
Date
Date
Modification
Appr
09.03.2018
Name
Size DIN A2
Sheet
75
/
4
Bridge-J1
- Location 2 -
- Location 2 -
- Location 2 -
- Location 2 -
7-Segment
7-
Segment
7-Segment
7-Segment
LED Display
LED Displa
y
LED Display
LED Display
LED 2
LED 2
LED 2
LED 2
Feeder unlock device
F
eeder unlock device
Feeder unlock device
Feeder unlock device
-X1
-X1
-X1
-X1
1
2
3 5
4 6
7
8
9 11
10 12
13
14
15 17
16 18
19
20
Proximity Switch S2
"Retracted" position
Proximity Switch S1
"Extended" position
Proximity Switch S4
"Retracted" position
Proximity Switch S3
"Extended" position
Plag X1
Valve 2 (left)
Cylinder 2
Plag X2
Valve 1 (right)
Cylinder 1
BN
GN
YE
GY
PK
BU
RD
BK
VT
GYPK
RDBU
WHGN
BNGN
WHYE
YEBN
WH
GYPK
VT
WHGN
BU
RDBU
RD
BNGN
YE
YEBN
PK
WHYE
GY
GN
WH
BN
BK
191715131197531
2018161412108642
-X103.CP
-
X103.CP
-X103.CP
-X103.CP
1816141210864
191715131197531
-X1.FUD
-
X1.FUD
-X1.FUD
-X1.FUD
2
20
Reject box cpl.
R
eject box cpl.
Reject box cpl.
Reject box cpl.
03130847-xx
03130847-
xx
03130847-xx
03130847-xx
Operation
from the front
1 2
-X1.BIN
-X1.BIN
-X1.BIN
-X1.BIN
Mini MATE-N-LOK
Socket 2-pin
172157-1
03002215
-X100.CP
-
X100.CP
-X100.CP
-X100.CP
A1
B2
A3A2
B3B1
Note:
Note:
Note:
Note:
Cable 03151791-xx is not a part of the
Cable 03151791-
xx is not a part of the
Cable 03151791-xx is not a part of the
Cable 03151791-xx is not a part of the
COT-insert TX_V2 cable harness
CO
T-insert TX_V2 cable harness
COT-insert TX_V2 cable harness
COT-insert TX_V2 cable harness
- Location 2 -
- Location 2 -
- Location 2 -
- Location 2 -
-X1.BIN
-
X1.BIN
-X1.BIN
-X1.BIN
Mini MATE-N-LOK Plug 2-pin
TYCO.172165-1
03002124
1 2
LED_FSTAT_24V_EXT
LED_FSTAT_24V_EXT
LED_FSTAT_24V_EXT
LED_FSTAT_24V_EXT
-D7
-D7
-D7
-D7
Bin´s_II
B
in´s_II
Bin´s_II
Bin´s_II
(Reject box_II)
(R
eject box_II)
(Reject box_II)
(Reject box_II)
D-2100D
2 Row, 6 Pos.
X-Keying
1318124-1
56-Sxxxxx
0315xxxx
-X100
-
X100
-X100
-X100
A1
B1
BOX_I_NOZZLE
NC
+24V_EXT
A2
LGND
A3
BOX_I_COMP
B2
BOX_I_USED
B3
Unlocking Unit_II
Unlocking Uni
t_II
Unlocking Unit_II
Unlocking Unit_II
3210-Series
20 Pos.
3210-20SS4BLX1
56-S00696
03137951
-X103
-
X103
-X103
-X103
1
2
3 5
4 6
7
8
9 11
10 12
13
14
15 17
16 18
19
20
Tape Cutter_II
T
ape Cutter_II
Tape Cutter_II
Tape Cutter_II
D-2100
2 Row, 20 Pos.
X-Keying
1318127-1
56-SXXXXX
0315XXXX
-X102
-
X102
-X102
-X102
A1
B1
TC_V1_24V
+5V0
LGND
A2
TC_V2_24V
A3
TC_BERO3_EXT
B2
LGND
B3
LGND
+5V0
+5V0
TC_BERO1_EXT
TC_BERO4_EXT
LGND
A4
B4
A5 A6
B5 B6
LGND
LGND
+5V0
TC_BERO2_EXT
TC_RI1_EXT
TC_RO1_24V
A7
B7
A8 A9
B8 B9
LGND
+5V0
A10
B10
-FCU.CA
-FCU.CA
-FCU.CA
-FCU.CA
PCBA_FCU Connection Assembly TX_V2
PCBA_FCU Connection Assembly TX_V2
PCBA_FCU Connection Assembly TX_V2
PCBA_FCU Connection Assembly TX_V2
(FCU Supply Unit)
(FCU Supply Uni
t)
(FCU Supply Unit)
(FCU Supply Unit)
03154202
-FCU.CP2
-FCU
.CP2
-FCU.CP2
-FCU.CP2
PCBA_FCU Connector Panel
PCBA_FCU Connector P
anel
PCBA_FCU Connector Panel
PCBA_FCU Connector Panel
TX_V2 (COT-insert)
TX_V2 (CO
T-insert)
TX_V2 (COT-insert)
TX_V2 (COT-insert)
(FCU Supply Unit)
(FCU Supply Unit)
(FCU Supply Unit)
(FCU Supply Unit)
Location_2
Location_2
Location_2
Location_2
03154198
504948474645444342
141312111054321
-X_II
-
X_II
-X_II
-X_II
Connector Field II
Connector Field II
Connector Field II
Connector Field II
SAMTEC
Board to Board Connector
Right Angle
4 Row, 80 Pos., 2 mm
TMMS-120-01-L-Q-RA 80
56-S00760
03155758-xx
41
201918171615
5554535251
21 22 23 24 25 28 29 30 31 32 33 34 35 36 37 38 39 402726
56 57 58 59 60 61 62 63 64 65 66 696867 70 71 72 73 74 75 76 77 78 79 80
6 7 8 9
NC
NC
+24V_EXT
EUU_ADR0
+24V_EXT
EUU_ADR1
EUU_ADR2
EUU_ADR3
EUU_ADR4
EUU_ON_OFF
EUU_ADR5
NC
+3V3
+3V3
LGND
LGND
LGND
LGND
EUU_PWM
EUU_STROBE
10987654321
50494847464544434241
161514131211
5554535251
-X1
-
X1
-X1
-X1
AMTEC
Board to Board Connector
Female
4 Row, 80 Pos., 2 mm
SQT-120-01-L-Q
56-S00761
03155562
26252423222120191817 323130292827 3433 403938373635
65646362616059585756 717069686766 7372 797877767574 80
24V_SSK
GS7SEG_II_D
NC
GS7SEG_II_C
PGND
GS7SEG_II_B
PGND
GS7SEG_II_A
24V_SSK
TCII_RO1_24V
NC
TCII_RI1_EXT
PGND
TCII_BERO4_EXT
PGND
TCII_BERO3_EXT
NC
TCII_BERO2_EXT
NC
TCII_BERO1_EXT
+24V_EXT
TCII_V2_24V
+24V_EXT
TCII_V1_24V
NCII_RO1_24V
NC
NCII_RI1_24V
COT_IN_II
NCII_VALVE
COT_OUT_II
NCII_CS1_EXT
NOZZLESTAT_II
NCII_CS0_EXT
NC
NCII_OPEN_EXT
NC
NCII_CLOSED_EXT
BOX_II_COMP
NCII_INT_EXT
BOX_II_NOZZLE
NCII_24V_LB
BOX_II_USED
NC
NC
NC
+5V0
NC
+5V0
EUUII_ADR0
NC
EUUII_ADR1
NC
EUUII_ADR2
+3V3
EUUII_ADR3
+3V3
EUUII_ADR4
GNDC4
EUUII_ADR5
NC
EUUII_ON_OFF
+3V3
EUUII_STROBE
+3V3
EUUII_PWM
CANL4_II_SF
NC
NC
NC
LGND
LED_FSTAT_24V_EXT
LGND
GS7SEG_II_DP
CANH4_II_SF
GS7SEG_II_G
NC
GS7SEG_II_F
LGND
GS7SEG_II_E
LGND
24V_SSK
GS7SEG_II_D
NC
GS7SEG_II_C
PGND
GS7SEG_II_B
PGND
GS7SEG_II_A
24V_SSK
TCII_RO1_24V
NC
TCII_RI1_EXT
PGND
TCII_BERO4_EXT
PGND
TCII_BERO3_EXT
NC
TCII_BERO2_EXT
NC
TCII_BERO1_EXT
+24V_EXT
TCII_V2_24V
+24V_EXT
TCII_V1_24V
NCII_RO1_24V
NC
NCII_RI1_24V
COT_IN_II
NCII_VALVE
COT_OUT_II
NCII_CS1_EXT
NOZZLESTAT_II
NCII_CS0_EXT
NC
NCII_OPEN_EXT
NC
NCII_CLOSED_EXT
BOX_II_COMP
NCII_INT_EXT
BOX_II_NOZZLE
NCII_24V_LB
BOX_II_USED
NC
NC
NC
+5V0
NC
+5V0
EUUII_ADR0
NC
EUUII_ADR1
NC
EUUII_ADR2
+3V3
EUUII_ADR3
+3V3
EUUII_ADR4
GNDC4
EUUII_ADR5
NC
EUUII_ON_OFF
+3V3
EUUII_STROBE
+3V3
CANL4_II_SF
NC
NC
NC
LGND
LED_FSTAT_24V_EXT
LGND
GS7SEG_II_DP
CANH4_II_SF
GS7SEG_II_G
NC
GS7SEG_II_F
LGND
GS7SEG_II_E
LGND
-FUD
-FUD
-FUD
-FUD
Feeder unlock device (40x)
F
eeder unlock device (40x)
Feeder unlock device (40x)
Feeder unlock device (40x)
Location_2
Location_2
Location_2
Location_2
03011582-02
reserve
reserve
P24_EXT
Addr0
P24_EXT
Addr1
Addr2
Addr3
Addr4
Addr5
LGND
/Strobe
LGND
/PWM
/Res1
LGND
LGND
P3V3
P3V3
-TC
-
TC
-TC
-TC
Tape cutter
T
ape cutter
Tape cutter
Tape cutter
Location_2
Location_2
Location_2
Location_2
03066690-02
-X1
-
X1
-X1
-X1
1 2 3 4 5 6 7 8 9 10
S2_DC (+)
S2_DC (-)
S2_OUT
S1_DC (+)
S1_DC (-)
X1+
S1_OUT
X1-
X2+
X2-
S3_DC (+)
S3_OUT
S3_DC (-)
S4_DC (+)
EUUII_PWM
S4_OUT
11 12 13 14 15 16
A1 A2 A3 A4 A5 A6 A7 A8 A9 A10
-X102.CP
-
X102.CP
-X102.CP
-X102.CP
Tape Cutter
D-2100D
Receptacle Housing
2 Row, 20 Pos.
X-Keying
1-1318118-9
03052210
B1 B2 B3 B4 B5 B6
-X1.TC
-
X1.TC
-X1.TC
-X1.TC
Female plug with locking lever 16 pole
Pin spacing 3.5mm
WAGO.734-116/037-000
Strain relief plate 35mm light grey
WAGO.734-126
1 2 3 4 5 6 7 8 9 10 11 12 13 14 15 16
1350 mm
16x0,25
UNITRONIC® LiYY
03154108
03154108
03154108
03154108 -01
-01
-01
-01
-W128
-
W128
-W128
-W128
Cable COT-i TX V2
Tape cutter
WH
BN
GN
YE
GY
PK
BU
RD
BK
VT
NC
B7
NC
B8
/On_Off
NC
B10
GYPK
RDBU
WHGN
BNGN
WHYE
YEBN
-X105
-X105
-X105
-X105
SSK_Glue-Feeder_II
S
SK_Glue-Feeder_II
SSK_Glue-Feeder_II
SSK_Glue-Feeder_II
Phoenix
Terminal Block,
Header
2 positions
1881558
MCV 0,5/ 2-G-2,5
56-S00359
03109382
1 2
24V_SSK
-D4
PGND
S4_DC (-)
1150 mm
20x0,09
Flat round cable shielded
03154103
03154103
03154103
03154103 -01
-01
-01
-01
-W123
-
W123
-W123
-W123
2018161412108642 191715131197531
150 mm
2x0,25
PVC round cable (Part of Reed-Sensor MK02/0)
03151791
03151791
03151791
03151791 -01
-01
-01
-01
-W1
-
W1
-W1
-W1
Cable
Reject Box
TX V2
WH
BN
-B1
-B1
-B1
-B1
Reed Sensor MK02/0
1NO with 2.5m cable
MK02/0-1A66-2500W
Operation
Oper
ation
Operation
Operation
from the front
f
rom the front
from the front
from the front
BK
1400 mm
2x0,23
UNITRONIC® LiYY A
03154110
03154110
03154110
03154110 -01
-01
-01
-01
-W124
-
W124
-W124
-W124
Cable COT-i TX V2
Reject box
WH BN
nc nc
==GLUEF+-X4_COTi2
[Option Glue-Feeder]
[Option Glue-F
eeder]
[Option Glue-Feeder]
[Option Glue-Feeder]
==GLUEF+/110.02
NC
B9