00198460-01_DC_SIPLACE_TX-EditionV2_DE EN - 第82页
electric_schematic SIPLACE TX_V2 electric_schematic SIPLACE TX_V2 electric_schematic SIPLACE TX_V2 electric_schematic SIPLACE TX_V2 90012669-010501LE3 Replaced by Nozzle changer CPx/all cpl._ short A1 Nozzle changer CPx/…

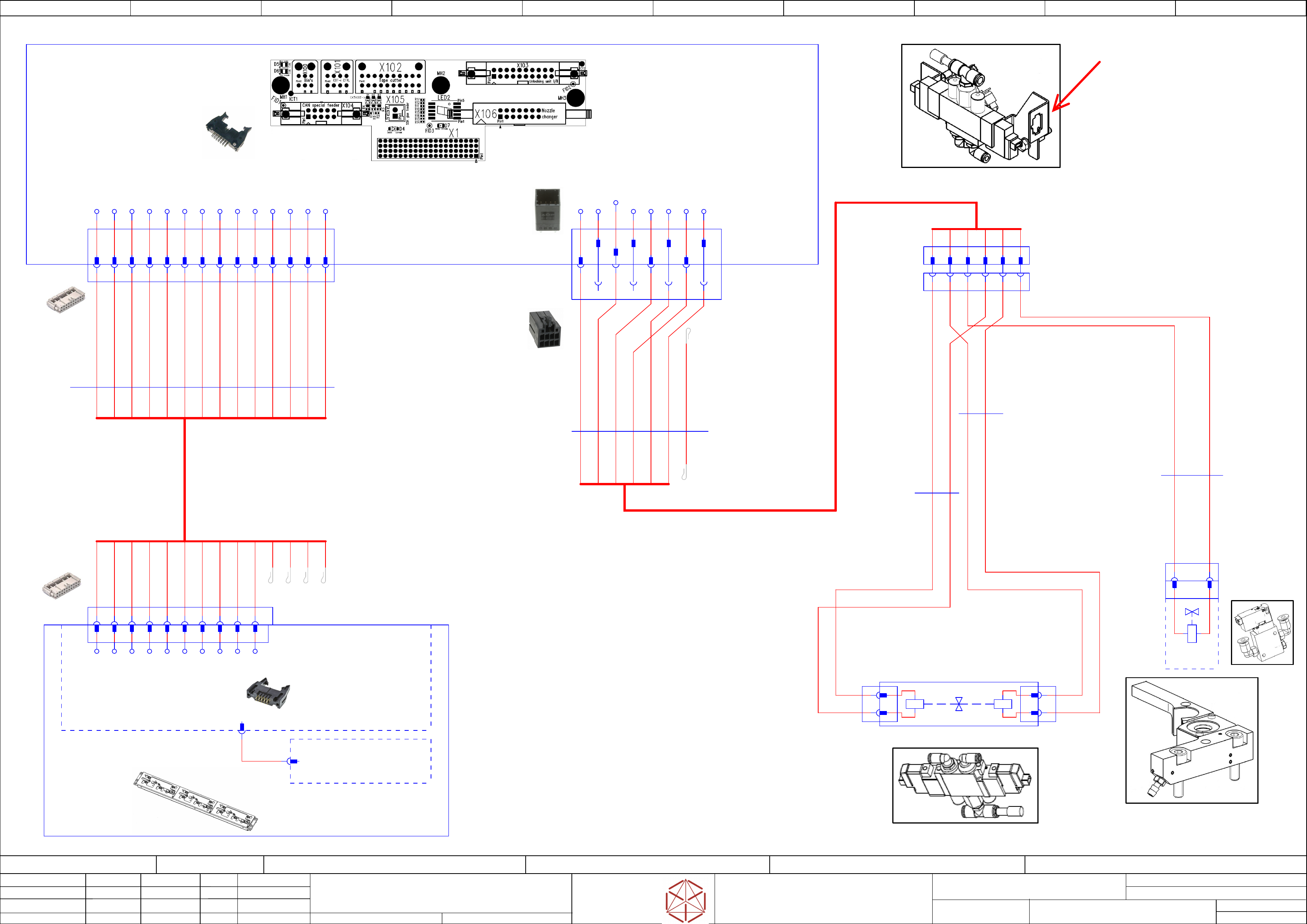
electric_schematic SIPLACE TX_V2
electric_schematic SIPLACE TX_V2
electric_schematic SIPLACE TX_V2
electric_schematic SIPLACE TX_V2
90012669-010501LE3
Replaced by
FCU_Connection_Assembly_Loc2_COTi_II
FCU_Connection_Assembly_Loc2_COTi_II
FCU_Connection_Assembly_Loc2_COTi_II
FCU_Connection_Assembly_Loc2_COTi_II
Replaced by
Weitergabe sowie Vervielfältigung dieser Unterlage, Verwertung und
Mitteilung des Inhalts nicht gestattet, soweit nicht ausdrücklich zugestanden.
Proprietary Data, company confidential.
All rights reserved
Copying of this document, giving it to others and the use or
communication of the contents thereof, are forbidden without express authority.
Doc. No.
00 01 02 03 04 05 06 07 08 09
Privileged business information.
Do not release
Offenders are liable to payment of damages. All rights are reserved in the
event of the grant or the registration of a utility model or design.
Zuwiederhandlungen verpflichten zu Schadenersatz. Alle Rechte vorbehalten,
insbesondere für den Fall der Patenterteilung oder GM-Eintragung vorbehalten.
Page:
Function: TXi_V2 COTi with FCU_CA
==03136891=TX+Loc2/76
drawing number:
03136891-010101LE3
FCU COTi Location 2
FCU CO
Ti Location 2
FCU COTi Location 2
FCU COTi Location 2
GmbH & Co KG
ASM
Assembly Systems
Copyright reserved
Ed.
Original
Pingist
Date
Date
Modification
Appr
07.02.2018
Name
Size DIN A2
Sheet
76
/
4
- Location 2 -
- Location 2 -
- Location 2 -
- Location 2 -
-X1_out_14
-
X1_out_14
-X1_out_14
-X1_out_14
2
1
-X1_in_12
-
X1_in_12
-X1_in_12
-X1_in_12
1
2
-X1_out_14
-
X1_out_14
-X1_out_14
-X1_out_14
SMC SY100-68-A-10
(+)
(-)
RD
BK
-X1_in_12
-
X1_in_12
-X1_in_12
-X1_in_12
SMC SY100-68-A-10
(+)
(-)
RD
BK
Nozzle station cpl.
Nozzle station cpl.
Nozzle station cpl.
Nozzle station cpl.
03135777-xx
03135777-xx
03135777-xx
03135777-xx
Valve cpl.
V
alve cpl.
Valve cpl.
Valve cpl.
03133149-xx
03133149-
xx
03133149-xx
03133149-xx
Mounting bracket valve
Mounting br
acket valve
Mounting bracket valve
Mounting bracket valve
03149674-xx
03149674-
xx
03149674-xx
03149674-xx
(Mounting place --> Tape cutter)
(Mounting place --> Tape cutter)
(Mounting place --> Tape cutter)
(Mounting place --> Tape cutter)
-X1.VALVE
-
X1.VALVE
-X1.VALVE
-X1.VALVE
Valve SY5
V
alve SY5
Valve SY5
Valve SY5
03125929-xx
03125929-
xx
03125929-xx
03125929-xx
21 6543
3 5 21 64
2 3 4 7 81 5
14
9
10 11 12 13
2 3 4 7 81 5 149 10 11 12 13
6
6
-X106.CP
-
X106.CP
-X106.CP
-X106.CP
BK-MOD422 IDC Female connector 14-pin
TYCO.V23535-A3280-C141
2-1393531-8
00304996
BK-MOD422 Strain-relief 14-pin
TYCO.C42334-A422-C314
1393558-9
00304997
1 3 5 7 9 11 132 4 6 8 10 12 14
-X6.NC
-
X6.NC
-X6.NC
-X6.NC
BK-MOD421/2 IDC Female connector 10-pin
TYCO.2-1393531-6
BK-MOD421/2 Strain-relief 10-pin
TYCO.1393558-8
1 2 3 4 5 6 7 8 9
10
Nozzle Changer_II
Nozzle Changer_II
Nozzle Changer_II
Nozzle Changer_II
3210-Series
14 Pos.
3210-14SS4BLX1
56-S00724
03145964
-X106
-
X106
-X106
-X106
1 2
NC_24V_LB
NC_CS1_EXT
+24V_EXT
3
NC_INT_EXT
5
NC
4
LGND
6
NC_OPEN_EXT
NC_VALVE
NC_CLOSED_EXT
NC_CS0_EXT
NC_RI1_24V
NC_RO1_24V
7 8 9 1110 12
> Valve_COT–insert control_II
> V
alve_COT–insert control_II
> Valve_COT–insert control_II
> Valve_COT–insert control_II
> Valve_Nozzle station_II
> Valve_Nozzle station_II
> Valve_Nozzle station_II
> Valve_Nozzle station_II
D-2100D
2 Row, 8 Pos.
X-Keying
1318125-1
56-Sxxxxx
0315xxxx
-X101
-
X101
-X101
-X101
A1
B1
COT_IN
NC
COT_OUT
A2
PGND
A3
NC
B2
NOZZLESTAT
B3 B4
A4
PGND
PGND
-FCU.CP2
-FCU
.CP2
-FCU.CP2
-FCU.CP2
PCBA_FCU Connector Panel
PCBA_FCU Connector P
anel
PCBA_FCU Connector Panel
PCBA_FCU Connector Panel
TX_V2 (COT-insert)
TX_V2 (CO
T-insert)
TX_V2 (COT-insert)
TX_V2 (COT-insert)
(FCU Supply Unit)
(FCU Supply Unit)
(FCU Supply Unit)
(FCU Supply Unit)
Location_2
Location_2
Location_2
Location_2
03154198
1413
NC
NC
-X6
-
X6
-X6
-X6
Box Header With Latch,
10Pin, 2.54mm,
Straight
1 2 3 4 5 6 7 8 9
NC_SENSOR_24V
PWR24V0_IN
NC_INT_MAGAZINE
NC_CLOSE_MAGAZINE
NC_OPEN_MAGAZINE
NC_CS0
NC_CS1
DGND
NC_VALVE
-NC
-NC
-NC
-NC
Nozzle changer
Nozzle changer
Nozzle changer
Nozzle changer
TX_V2
TX_V2
TX_V2
TX_V2
Location_1
Location_1
Location_1
Location_1
03129201
03129201
03129201
03129201
-A1
-
A1
-A1
-A1
Main PCBA nozzle changer
03129253
03129253
03129253
03129253
10
(NC)
-A2
-
A2
-A2
-A2
Sub-PCBA nozzle changer
03129263
03129263
03129263
03129263
X5
X4
-X1.VALVE
-
X1.VALVE
-X1.VALVE
-X1.VALVE
Mini MATE-N-LOK Plug 6-pin
TYCO.172168-1
1 2 3 4 5 6
A1 A2 A3 A4
B1 B2 B3 B4
-X101.CP
-
X101.CP
-X101.CP
-X101.CP
> Valve_COT-insert
> Valve_Nozzle Station
D-2100D
Receptacle
Housing
2 Row, 8 Pos.
X-Keying
1-1318119-4
03104555
1200 mm
7x0,34
UNITRONIC® LiYY A
03154107
03154107
03154107
03154107 -01
-01
-01
-01
-W127
-
W127
-W127
-W127
Cable COT-i TX V2
Extension
Valve COT-i Ctrl
and Nozzle station
WH BN GN YE GY PK BU
-Y1
-
Y1
-Y1
-Y1
Double solenoid valve
Double solenoid v
alve
Double solenoid valve
Double solenoid valve
SMC _ SY5220-5LOU-01F-Q
Location_2
Location_2
Location_2
Location_2
03125929
270 mm
SMC SY100-68-A-10
03154106
03154106
03154106
03154106 -01
-01
-01
-01
-W126.1
-
W126.1
-W126.1
-W126.1
Cable COT-i TX V2
Valve insert control and
Valve nozzle station
RD BK
RD BK
270 mm
SMC SY100-68-A-10
03154106
03154106
03154106
03154106 -01
-01
-01
-01
-W126.2
-
W126.2
-W126.2
-W126.2
Cable COT-i TX V2
Valve insert control and
Valve nozzle station
-X21_a
-
X21_a
-X21_a
-X21_a
FESTO
Connecting cable
566659
NEBV-H1G2-P-1-N-LE2
1 3
-X21_a
-X21_a
-X21_a
-X21_a
1 3
2
-Y2
-Y2
-Y2
-Y2
Valve
Nozzle station
Location_2
FESTO-Ventil
557577
GND
Valve
150 mm
2x0,25
FESTO NEBV-H1G2-P-1-N-LE2
03154106
03154106
03154106
03154106 -01
-01
-01
-01
-W126.3
-
W126.3
-W126.3
-W126.3
Cable COT-i TX V2
Valve insert control and
Valve nozzle station
BKRD
-X1.VALVE
-
X1.VALVE
-X1.VALVE
-X1.VALVE
> Valve_COT-insert
> Valve_Nozzle Station
Mini MATE-N-LOK Buchse 6-pin
TYCO.172160-1
1
COT_IN
2
COT_OUT
3
NOZZLESTAT
4
PGND
5
PGND
6
PGND
-nc
nc
nc nc nc nc
1660 mm
14x0,09
Flat round cable
03154109
03154109
03154109
03154109 -02
-02
-02
-02
-W129
-
W129
-W129
-W129
1 2 3 4 5 6 7 8 9 10 14131211

electric_schematic SIPLACE TX_V2
electric_schematic SIPLACE TX_V2
electric_schematic SIPLACE TX_V2
electric_schematic SIPLACE TX_V2
90012669-010501LE3
Replaced by
Nozzle changer CPx/all cpl._ short A1
Nozzle changer CPx/all cpl._ short A1
Nozzle changer CPx/all cpl._ short A1
Nozzle changer CPx/all cpl._ short A1
Replaced by
Weitergabe sowie Vervielfältigung dieser Unterlage, Verwertung und
Mitteilung des Inhalts nicht gestattet, soweit nicht ausdrücklich zugestanden.
Proprietary Data, company confidential.
All rights reserved
Copying of this document, giving it to others and the use or
communication of the contents thereof, are forbidden without express authority.
Doc. No.
00 01 02 03 04 05 06 07 08 09
Privileged business information.
Do not release
Offenders are liable to payment of damages. All rights are reserved in the
event of the grant or the registration of a utility model or design.
Zuwiederhandlungen verpflichten zu Schadenersatz. Alle Rechte vorbehalten,
insbesondere für den Fall der Patenterteilung oder GM-Eintragung vorbehalten.
Page:
Function: Nozzle-changer
==NC=TX+short/77
drawing number:
03103649-010401LE3
Nozzle-changer
Nozzle-changer
Nozzle-changer
Nozzle-changer
GmbH & Co KG
ASM
Assembly Systems
Copyright reserved
Ed.
Original
Pingist
Date
Date
Modification
Appr
07.02.2018
Name
Size DIN A2
Sheet
77
/
2
1
2
3
4
-X3
-X3
-X3
-X3
DGND
SWITCH_VOLTAGE
M1C
M2C
1
2
3
4
-X5
-X5
-X5
-X5
DGND
SWITCH_VOLTAGE
M1B
M2B
1
2
3
4
-X4
-X4
-X4
-X4
DGND
SWITCH_VOLTAGE
M1A
M2A
1
2
3
4
5
6
7
8
9
10
-X8
-
X8
-X8
-X8
JTAG-Interface
JT
AG-Interface
JTAG-Interface
JTAG-Interface
20
10
2
3
4
5
6
8
9
14
11
12
13
1
7
15
16
17
19
18
03069327
03069327
03069327
03069327
03069327
03069327
03069327
03069327
Switch unit CPx
Switch unit CPx
Switch unit CPx
Switch unit CPx
03072040-xx (see Note 1)
03072040-
xx (see Note 1)
03072040-xx (see Note 1)
03072040-xx (see Note 1)
2 4 6 83 75
1 9
Switch unit CPx
S
witch unit CPx
Switch unit CPx
Switch unit CPx
03072040-xx (see Note 1)
03072040-xx (see Note 1)
03072040-xx (see Note 1)
03072040-xx (see Note 1)
Nozzle changer (NC) base structure CPx/all cpl., short 03103649-xx
Nozzle changer (NC) base structure CPx/all cpl., short 03103649-xx
Nozzle changer (NC) base structure CPx/all cpl., short 03103649-xx
Nozzle changer (NC) base structure CPx/all cpl., short 03103649-xx
NC
NC
NC
NCNO
NO
NO
NOCO
CO
CO
CO NC
NC
NC
NCNO
NO
NO
NOCO
CO
CO
CO NC
NC
NC
NCNO
NO
NO
NOCO
CO
CO
CO
NC
NC
NC
NCNO
NO
NO
NOCO
CO
CO
CO NC
NC
NC
NCNO
NO
NO
NOCO
CO
CO
CO NC
NC
NC
NCNO
NO
NO
NOCO
CO
CO
CO
Note 1:
Note 1:
Note 1:
Note 1:
Switch unit CPx _ 03072040-xx
S
witch unit CPx _ 03072040-xx
Switch unit CPx _ 03072040-xx
Switch unit CPx _ 03072040-xx
> Flat ribbon cable with IDC-Socket _ 03069327-xx
> Flat ribbon cable wi
th IDC-Socket _ 03069327-xx
> Flat ribbon cable with IDC-Socket _ 03069327-xx
> Flat ribbon cable with IDC-Socket _ 03069327-xx
> Microswith _ 03019563-xx
> Micr
oswith _ 03019563-xx
> Microswith _ 03019563-xx
> Microswith _ 03019563-xx
Microswitch
Microswitch
Microswitch
Microswitch
Microswitch
Microswitch
Microswitch
Microswitch
-X4
-
X4
-X4
-X4
1
2
3
4
1
-X5
-
X5
-X5
-X5
2
3
4
1
-X3
-X3
-X3
-X3
2
3
4
Sub-D 9pol. male
-X6
-X6
-X6
-X6
1
6
2
7
3
8
4
9
5
3
4
5
6
7
8
9
10
11
12
13
14
15
16
17
18
19
20
2
1
-X2
-
X2
-X2
-X2
FPGA_TEST
FPGA_TEST
FPGA_TEST
FPGA_TEST
03069327
03069327
03069327
03069327
not used
Service
3
4
5
6
7
8
9
10
11
12
13
14
2
1
-X1
-
X1
-X1
-X1
output
output
output
output
15
17
19
16
18
20
03107652-010101LE3
Cable COT-i TX: Nozzle changer __ 03110688-xx
Cable CO
T-i TX: Nozzle changer __ 03110688-xx
Cable COT-i TX: Nozzle changer __ 03110688-xx
Cable COT-i TX: Nozzle changer __ 03110688-xx
Note for jumper (-JMP1):
Note f
or jumper (-JMP1):
Note for jumper (-JMP1):
Note for jumper (-JMP1):
X10.1 and X10.2 --> CPx
X10.1 and X10.2 --> CPx
X10.1 and X10.2 --> CPx
X10.1 and X10.2 --> CPx
X10.2 and X10.3 --> CP20+
X10.2 and X10.3 --> CP20+
X10.2 and X10.3 --> CP20+
X10.2 and X10.3 --> CP20+
Location_1 (Siplace TX)
Location_1 (Siplace TX)
Location_1 (Siplace TX)
Location_1 (Siplace TX)
-X1.A1
-X1.A1
-X1.A1
-X1.A1
-A1
-
A1
-A1
-A1
PCB_Main board CP20p cpl.
PCB_Main boar
d CP20p cpl.
PCB_Main board CP20p cpl.
PCB_Main board CP20p cpl.
03107652-0102
03107652-0102
03107652-0102
03107652-0102
==OV+NC/24.01
TCK
DGND
TDO
NC_SENSOR_24V
P24V
NC_INT_MAGAZINE
NC_CLOSE_MAGAZINE
NC_OPEN_MAGAZINE
NC_CS0
NC_CS1
DGND
NC_VALVE
EARTH
SWITCH_VOLTAGE
SWITCH_VALVE
DGND
Status_PCB1
Status_PCB2
M3A
M4A
M3B
M4B
M3C
M4C
P24V
M5A
M6A
M5B
M6B
M5C
M6C
EARTH
-nc
-nc
2
1
4
-S2
-
S2
-S2
-S2
Switch_M2B
S
witch_M2B
Switch_M2B
Switch_M2B
Microswitch
XCH 10-81
03019563
-nc
-nc
-nc
-nc
P3V3
TMS
NC
NC
NC
TDI
DGND
4x AWG 28 / Socket: IDS-04-G
Flat ribbon cable with IDC-Socket
03069327
03069327
03069327
03069327 -01
-01
-01
-01
-W3-MAG1_3
-
W3-MAG1_3
-W3-MAG1_3
-W3-MAG1_3
YEORRDBR
4x AWG 28 / Socket: IDS-04-G
Flat ribbon cable with IDC-Socket
03069327
03069327
03069327
03069327 -01
-01
-01
-01
-W2-MAG1_3
-
W2-MAG1_3
-W2-MAG1_3
-W2-MAG1_3
YEORRDBR
4x AWG 28 / Socket: IDS-04-G
Flat ribbon cable with IDC-Socket
03069327
03069327
03069327
03069327 -01
-01
-01
-01
-W1-MAG1_3
-
W1-MAG1_3
-W1-MAG1_3
-W1-MAG1_3
YEORRDBR
P3V3
FPGA_TEST_6
FPGA_TEST_2
FPGA_TEST_4
DGND
TEST2
TEST4
TEST6
TEST8
DGND
P3V3
FPGA_TEST_1
FPGA_TEST_3
FPGA_TEST_5
TEST1
TEST3
TEST5
TEST7
TEST9
DGND
-MAG1
Magazine 1
Magazine 1
Magazine 1
Magazine 1
==OV+NC/24.02
1
2
3
4
5
6
7
8
9
10
11
12
13
14
15
16
17
18
19
20
164 mm
20x0,057
Flat ribbon cable
03072807
03072807
03072807
03072807 -02
-02
-02
-02
-W1
-
W1
-W1
-W1
-MAG3
Magazine 3
Magazine 3
Magazine 3
Magazine 3
==OV+NC/24.02
==COTi+Loc1-NC
==CO
Ti+Loc1-NC
==COTi+Loc1-NC
==COTi+Loc1-NC
2
1
4
-S3
-
S3
-S3
-S3
Switch_M2C
S
witch_M2C
Switch_M2C
Switch_M2C
Microswitch
XCH 10-81
03019563
2
1
4
-S1
-
S1
-S1
-S1
Switch_M2A
S
witch_M2A
Switch_M2A
Switch_M2A
Microswitch
XCH 10-81
03019563
2
1
4
Microswitch
XCH 10-81
03019563
-S3
-
S3
-S3
-S3
Switch_M1C
S
witch_M1C
Switch_M1C
Switch_M1C
2
1
4
Microswitch
XCH 10-81
03019563
-S2
-
S2
-S2
-S2
Switch_M1B
S
witch_M1B
Switch_M1B
Switch_M1B
2
1
4
Microswitch
XCH 10-81
03019563
-S1
-
S1
-S1
-S1
Switch_M1A
S
witch_M1A
Switch_M1A
Switch_M1A
1 2 3
-X10
-
X10
-X10
-X10
-JMP1
-
JMP1
-JMP1
-JMP1
1 2
-R9
-R48
DGND
P3V3
-R12
P3V3
-Sub_PCB1
/78.00
==+-FCU_LOC1_short
Cable-Nozzle changer __ 03083154 - MT 40
Cable-Nozzle changer __ 03091009 - COT-i 40

electric_schematic SIPLACE TX_V2
electric_schematic SIPLACE TX_V2
electric_schematic SIPLACE TX_V2
electric_schematic SIPLACE TX_V2
90012669-010501LE3
Replaced by
Nozzle changer CPx/all cpl._ short A2
Nozzle changer CPx/all cpl._ short A2
Nozzle changer CPx/all cpl._ short A2
Nozzle changer CPx/all cpl._ short A2
Replaced by
Weitergabe sowie Vervielfältigung dieser Unterlage, Verwertung und
Mitteilung des Inhalts nicht gestattet, soweit nicht ausdrücklich zugestanden.
Proprietary Data, company confidential.
All rights reserved
Copying of this document, giving it to others and the use or
communication of the contents thereof, are forbidden without express authority.
Doc. No.
0 1 2 3 4 5 6 7 8 9
Privileged business information.
Do not release
Offenders are liable to payment of damages. All rights are reserved in the
event of the grant or the registration of a utility model or design.
Zuwiederhandlungen verpflichten zu Schadenersatz. Alle Rechte vorbehalten,
insbesondere für den Fall der Patenterteilung oder GM-Eintragung vorbehalten.
Page:
Function: Nozzle-changer
==NC=TX+short/78
drawing number:
03103649-010401LE3
Nozzle-changer
Nozzle-changer
Nozzle-changer
Nozzle-changer
GmbH & Co KG
ASM
Assembly Systems
Copyright reserved
Ed.
Original
Pingist
Date
Date
Modification
Appr
07.02.2018
Name
Size DIN A2
Sheet
78
/
2
1
2
3
4
-X3
-
X3
-X3
-X3
DGND
SWITCH_VOLTAGE
M3C
M4C
1
2
3
4
-X4
-
X4
-X4
-X4
DGND
SWITCH_VOLTAGE
M3A
M4A
03069327-xx
03069327-
xx
03069327-xx
03069327-xx
03069327-xx
03069327-
xx
03069327-xx
03069327-xx
03069327-xx
03069327-
xx
03069327-xx
03069327-xx
1
20
10
2
3
4
5
6
7
8
9
11
12
13
14
15
16
17
18
19
Switch unit CPx
S
witch unit CPx
Switch unit CPx
Switch unit CPx
03072040-xx
03072040-
xx
03072040-xx
03072040-xx
(see Note 1)
(see Note 1)
(see Note 1)
(see Note 1)
X6 Pin 8, 10, 12, 14
X6 Pin 8, 10, 12, 14
X6 Pin 8, 10, 12, 14
X6 Pin 8, 10, 12, 14
logical connector X5 Pin 1, 2, 3, 4
logical connector X5 Pin 1, 2, 3, 4
logical connector X5 Pin 1, 2, 3, 4
logical connector X5 Pin 1, 2, 3, 4
Main-PCB CPx cplt. 03069324-xx
Main-PCB CPx cpl
t. 03069324-xx
Main-PCB CPx cplt. 03069324-xx
Main-PCB CPx cplt. 03069324-xx
NC
NC
NC
NCNO
NO
NO
NOCO
CO
CO
CO NC
NC
NC
NCNO
NO
NO
NOCO
CO
CO
CO NC
NC
NC
NCNO
NO
NO
NOCO
CO
CO
CO
NC
NC
NC
NCNO
NO
NO
NOCO
CO
CO
CO NC
NC
NC
NCNO
NO
NO
NOCO
CO
CO
CO NC
NC
NC
NCNO
NO
NO
NOCO
CO
CO
CO
Switch unit CPx
S
witch unit CPx
Switch unit CPx
Switch unit CPx
03072040-xx (see Note 1)
03072040-
xx (see Note 1)
03072040-xx (see Note 1)
03072040-xx (see Note 1)
Note 1:
Note 1:
Note 1:
Note 1:
Switch unit CPx _ 03072040-xx
S
witch unit CPx _ 03072040-xx
Switch unit CPx _ 03072040-xx
Switch unit CPx _ 03072040-xx
> Flat ribbon cable with IDC-Socket _ 03069327-xx
> Flat ribbon cable wi
th IDC-Socket _ 03069327-xx
> Flat ribbon cable with IDC-Socket _ 03069327-xx
> Flat ribbon cable with IDC-Socket _ 03069327-xx
> Microswith _ 03019563-xx
> Micr
oswith _ 03019563-xx
> Microswith _ 03019563-xx
> Microswith _ 03019563-xx
Microswitch
Micr
oswitch
Microswitch
Microswitch
Microswitch
Micr
oswitch
Microswitch
Microswitch
not used
1
2
3
4
5
6
7
8
9
10
-X1
-
X1
-X1
-X1
input
input
input
input
11
12
13
14
15
16
17
18
19
20
-X1.A2
-
X1.A2
-X1.A2
-X1.A2
1
2
3
4
5
6
7
8
9
10
11
12
13
14
15
16
17
18
19
20
1
-X3
-
X3
-X3
-X3
2
3
4
-X5
-
X5
-X5
-X5
1
2
3
4
-X4
-
X4
-X4
-X4
1
2
3
4
-X2
-
X2
-X2
-X2
2
3
4
1
2
-X1
2
2
2
2
3
3
3
3
4
4
4
4
8
8
8
8
10
10
10
10
-X6
-
X6
-X6
-X6
12
12
12
12
14
14
14
14
1
1
1
1
5
6
7
9
11
13
Key1
1
3
4
5
6
7
8
9
10
11
12
13
14
2
1
-X2
-
X2
-X2
-X2
output
output
output
output
EARTH
SWITCH_VOLTAGE
NC
DGND
--
NC
M5A
M6A
M5B
M6B
M5C
M6C
P24V
NC
15
17
19
16
18
20
NC
NC
NC
NC
NC
EARTH
Key
X6
X6
X6
X6
1
14
2
3 4
5 6
7 8
9 10
11 12
13
Note 2
Note 2
Note 2
Note 2
Pin Header
Pin Header
Pin Header
Pin Header
Front View
Fr
ont View
Front View
Front View
NC
DGND / BK
SW_VALVE / RD
DGND
SWITCH_VOLTAGE
M3B
M4B
03069337-020101LE3
Nozzle changer (NC) base structure CPx/all cpl., short 03103649-xx
Nozzle changer (NC) base structure CPx/all cpl., short 03103649-xx
Nozzle changer (NC) base structure CPx/all cpl., short 03103649-xx
Nozzle changer (NC) base structure CPx/all cpl., short 03103649-xx
-nc
-nc
-nc
-nc
-nc
-nc
EARTH
P24V
SWITCH_VOLTAGE
SW_VALVE
DGND
Status_PCB1
Status_PCB2
M3A
M4A
M3B
4x AWG 28 / Socket: IDS-04-G
Flat ribbon cable with IDC-Socket
03069327
03069327
03069327
03069327 -01
-01
-01
-01
-W3-MAG2_4
-W3-MAG2_4
-W3-MAG2_4
-W3-MAG2_4
YEORRDBR
4x AWG 28 / Socket: IDS-04-G
Flat ribbon cable with IDC-Socket
03069327
03069327
03069327
03069327 -01
-01
-01
-01
-W2-MAG2_4
-
W2-MAG2_4
-W2-MAG2_4
-W2-MAG2_4
YEORRDBR
4x AWG 28 / Socket: IDS-04-G
Flat ribbon cable with IDC-Socket
03069327
03069327
03069327
03069327 -01
-01
-01
-01
-W1-MAG2_4
-W1-MAG2_4
-W1-MAG2_4
-W1-MAG2_4
YEORRDBR
-MAG4
Magazine 4
Magazine 4
Magazine 4
Magazine 4
==OV+NC/24.5
-MAG2
Magazine 2
Magazine 2
Magazine 2
Magazine 2
==OV+NC/24.5
-A2
-
A2
-A2
-A2
PCB_Sub-pcb CPx cpl.
PCB_Sub-pcb CPx cpl.
PCB_Sub-pcb CPx cpl.
PCB_Sub-pcb CPx cpl.
03069337-0201
03069337-0201
03069337-0201
03069337-0201
==OV+NC/24.5
M4B
M3C
M4C
M5A
M6A
M5B
M6B
M5C
M6C
EARTH
DGND
DGND
DGND
DGND
NC
NC
NC
NC
SW_VALVE
SW_V
ALVE
SW_VALVE
SW_VALVE
DGND
DGND
DGND
DGND
SWITCH_VOLTAGE
SWIT
CH_VOLTAGE
SWITCH_VOLTAGE
SWITCH_VOLTAGE
M3B
M3B
M3B
M3B
M4B
M4B
M4B
M4B
x1
x2
-Y1
-
Y1
-Y1
-Y1
NC-clamp
Valve SYJ3143
00334200
==OV+NC/24.7
-X1
2
1
86 mm
2x0,25
SY100-68-A-10
00334212
00334212
00334212
00334212 -01
-01
-01
-01
-W1
-
W1
-W1
-W1
BKRD
164 mm
20x0,057
Flat ribbon cable
03072807
03072807
03072807
03072807
-02
-02
-02
-02
-W1
-
W1
-W1
-W1
2
1
4
-S3
-
S3
-S3
-S3
Switch_M4C
S
witch_M4C
Switch_M4C
Switch_M4C
Microswitch
XCH 10-81
03019563
2
1
4
-S2
-
S2
-S2
-S2
Switch_M4B
S
witch_M4B
Switch_M4B
Switch_M4B
Microswitch
XCH 10-81
03019563
2
1
4
-S1
-
S1
-S1
-S1
Switch_M4A
S
witch_M4A
Switch_M4A
Switch_M4A
Microswitch
XCH 10-81
03019563
2
1
4
Microswitch
XCH 10-81
03019563
-S3
-
S3
-S3
-S3
Switch_M3C
S
witch_M3C
Switch_M3C
Switch_M3C
2
1
4
Microswitch
XCH 10-81
03019563
-S2
-
S2
-S2
-S2
Switch_M3B
S
witch_M3B
Switch_M3B
Switch_M3B
2
1
4
Microswitch
XCH 10-81
03019563
-S1
-
S1
-S1
-S1
Switch_M3A
S
witch_M3A
Switch_M3A
Switch_M3A
-Sub_PCB1
/77.9