1009995_C - 第4页
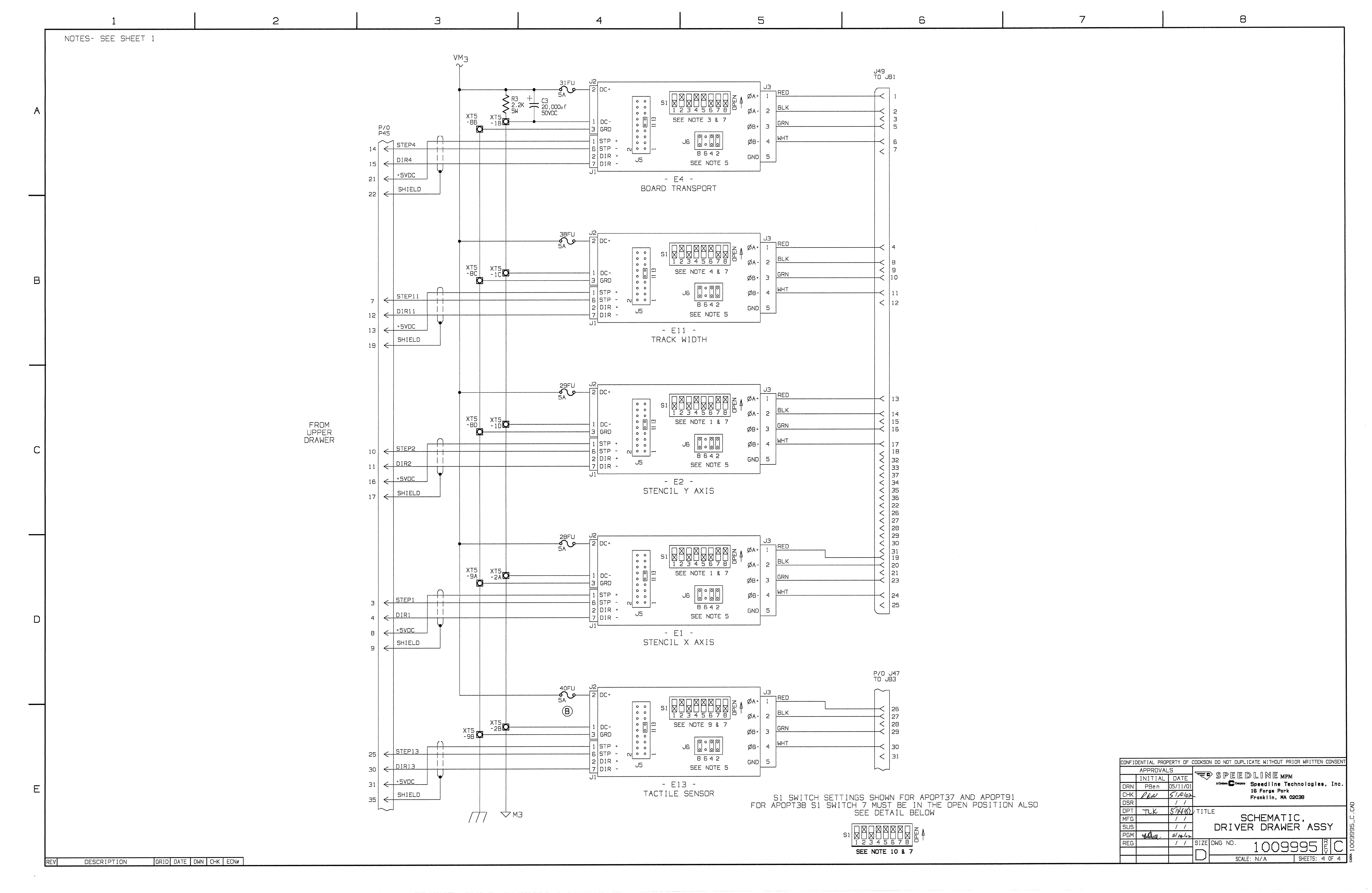
8 7 5 B 2 3 4 NOTES - SEE SHEET 1 VM 3 J 49 TD JB 1 J 2 J 3 2 DC * RED 0 A - < si ysyBEyyy it 1 2 3 4 5 6 7 8 ° R 3 + ? . 2 K - ± : BLK A 0 A - 5 M 2 < 2 XT 5 < : 0 3 SEE NOTE 387 • 8 巳 DC - GRN 0 B - < 3 5 P…

VM
2
帶
、
si
SBSBSSSS
if
1
2
3
4
5
B
7
B
°
I
5
,
000
nf
1
XT
5
.
-
3
BI
^
Ip
-
P
/
0
P
45
2
<
v
FROM
UPPER
DRAWER
J
4
B
TO
JE
30
FU
^
2
|
l
2
K
+
{
lr
^
|
J
3
rr
B
.
yg
昍昍昍
it
1
2 3 4 5 6 7 8 1
°
1
X
'
:
:
NOTE
i
\
m
\
8
6 4
2
a
<
NOTE
'
n
STENCIL
THETA
0
@
y
@
y
@@
0
it
1
2
3
4
5
S
7
8
-
1
NOTE
P
/
O
P
113
画
a
3
BFU
FROM
UPPER
DRAWEF
4
画
B
64
2
a
'
七
i
^
T
y
VM
,
/
77
专歹
SPIUPOKIIEMPM
INITIAL
tedlInc
Taehno
Fergt
Pork
nklln
.
MA
02030
SCHEMATIC
.
DRIVER
DRAWER
ASSY
1009995
lllc
DWG
NO
.
D
I
DESCRIPTION

7
8
B
5
3
4
2
NOTES
-
SEE
SHEET
1
A
p
/
o
J
47
J
93
TO
34
FU
J
3
2
DO
RED
0
A
>
<
BLK
0
A
-
<
2
<
3
a
SEE
NOTE
1
8
7
DC
-
GRN
XT
5
<
0
B
*
3
5
P
/
0
O
3
GRD
-
78
\
m
\
P
113
WHT
5
TP
0
B
-
<
:
JB
STEP
7
STP
10
5
7
<
8
64
2
SEE
NOTE
5
DIR
*
2
5
GND
J
5
D
1
R
7
4
DIR
II
V
J
1
-
5
V
0
C
4
:
7
12
SOU
DOWN
SHIELD
4
13
巳
FROM
UPPER
DRAWER
J
3
?
DO
RED
0
A
*
<
si
SBSBBy
@
S
|
t
1 2 3 4 5 6 7 8
°
B L K
0
A
-
2
<
B
X
<
9
SEE
NOTE
387
DC
-
:
0
0
B
.
3
3
GRD
X
-
7
C
s
:
as
A
STP
0
B
-
JB
A
1 1
STEPS
STP
5
<
12
B B
4
2
SEE
NOTE
5
DIR
2
GND
5
J
5
DIRS
DIR
B
7
JI
•
5
VDC
EB
<
-
SQUEEGEE
DRIVE
SHIELD
Q
J
3
DC
*
C
RED
5
A
si
BByBBSSy
If
1 2 3 4 5 6 7 8
°
0
A
^
1 3
B L K
0
A
-
2
H
X
.
<
1 5
:
S
SEE
NOTE
487
DC
-
GRN
XT
5
<
0
B
-
3
16
o
-
3
GRD
-
70
o
)
o
y
^
o
:
WHT
ft
0
B
-
<
STP
4
JB
17
STP
B
<
10
B
6
4
2
SEE
ND
1
E
5
DIR
2
GND
5
J
5
DIR
2
Jl
<
32
E
12
3
33
<
PASTE
DISPENSE
SHIELD
37
<
<
34
<
35
<
36
J
2
<
22
J
3
T
DO
RED
0
A
-
19
BLK
D
0
A
-
<
2
20
P
/
0
I
<
21
:
B
SEE
NOTE
687
P
45
DC
-
GRN
X
<
0
B
.
3
23
3
GRO
WHT
A
0
B
-
<
STP
JB
24
STP
B
20
<
25
B
B
4
2
SEE
NDTE
5
DIR
5
2
GND
J
5
DIR
26
JI
FROM
UPPER
DRAWER
E
8
27
SQUEEGEE
DOWN
STOP
LIMIT
SHIELD
28
<
32
<
33
<
36
<
37
<
34
Ml
^
m
X
7
M
2
APPROVALS
恣
PIE
(
EE
>
OMEMPM
INITIAL
DATE
Speedline
Technolog
丨
Inc
.
PBen
05
/
11
/
01
DRN
E
16
Forge
Park
OSR
5
TZK
DPT
TITLE
SCHEMATIC
.
DRIVER
DRAWER
ASSY
MFG
SUS
PGM
1009995
|
C
SIZE
DWG
NO
.
REG
D
s
I
Sf
ETS
:
3
Cf
A
SCALE
:
N
/
A
REVl
IGRID
DATE
OWN
CHK
ECN
^
DESCRIPTION

8
7
5
B
2
3
4
NOTES
-
SEE
SHEET
1
VM
3
J
49
TD
JB
1
J
2
J
3
2
DC
*
RED
0
A
-
<
si
ysyBEyyy
it
1 2 3 4 5 6 7 8
°
R
3
+
?
.
2
K
-
±
:
BLK
A
0
A
-
5
M
2
<
2
XT
5
<
:
0
3
SEE
NOTE
387
•
8
巳
DC
-
GRN
0
B
-
<
3
5
P
/
O
P
45
3
GRD
S
:
SG
A
WHT
STP
0
B
-
<
JB
B
STEP
4
6
STP
14
<
8
64
2
SEE
NOTE
5
DIR
•
2
5
GND
D
1
R
4
J
5
15
DIR
V
J
1
5
VDC
E
4
21
BOARD
TRANSPORT
SHIELD
22
J
2
J
3
2
DO
RED
5
A
■
■
瞧
t
1 2 3 4 5 6 7 8
°
0
A
*
<
B L K
0
A
-
2
<
8
X T
5
-
8
C
<
9
SEE
NOTE
^
67
DC
-
GRN
0
B
*
<
10
3
巳
o
3
GRD
S
:
BS
A
STP
•
STP
-
DIR
0
B
-
JB
11
STEP
11
B
7
<
12
8
6
4
2
SEE
NOTE
5
2
GND
5
D
1
R
11
12
7
DIR
J
]
5
VDC
Ell
13
TRACK
WIDTH
SHIELD
19
J
3
2
DO
RED
0
A
^
13
BLK
0
A
-
2
14
X
75
-
80
<
:
s
SEE
NOTE
1
&
7
15
FROM
UPPER
DRAWER
DC
_
0
B
*
3
IS
D
3
GRD
S
:
BD
A
STP
•
JB
4
17
C
STP
1 0
B
18
8
64
2
SEE
NOTE
5
DIR
-
2
GND
5
32
J
5
DIR
11
<
33
J
1
<
37
E
2
IB
<
3
A
<
STENCIL
Y
AXIS
35
SHIELD
17
<
35
<
22
<
2
B
<
27
<
2
B
<
29
28
FU
J
3
<
30
2
DC
-
RED
0
A
*
Si
圆關
_
|
t
1 2 3 4 5 6 7 8
°
3 1
1 9
B L K
0
A
-
2
20
X T
5
<
:
0
21
SEE
NOTE
1
8
7
DC
-
GRN
<
0
B
-
3
23
E
3
3
GRD
si
o
rojia
&
*
>
yy
A
WHT
0
B
-
STP
-
JB
24
STP
3
6
<
25
8
64
2
SEE
NOTE
5
DIR
‘
2
5
GND
J
5
D
DIR
J
]
El
B
STENCIL
X
AXIS
SHIELD
9
P
/
0
J
47
TD
JB
3
AOFU
J
3
2
DO
RED
0
A
*
si
"
1 2 3 4 5 6 7 8
°
⑥
2
B
B L K
0
A
-
<
2
27
<
:
0
2
B
SEE
NOTE
9
B
7
DC
-
GRN
<
0
B
.
3
29
3
GRD
_
A
WHT
<
STP
J
5
30
STP
25
6
<
3
】
8
84
2
SEE
NOTE
5
DIR
•
2
5
GND
J
5
7
DIR
30
7
APPROVALS
gIPIEIEPQJME
J
]
MPM
Speedllne
Technologlet
.
Inc
.
16
Forgt
Pork
INITIAL
DATE
E
13
31
DRN
PBen
05
/
11
/
01
E
TACTILE
SENSOR
0
!
C
*
'
SHIELD
cn
<
INGS
SHOWN
FOR
AP
0
PT
37
AND
AP
0
PT
91
•
CH
7
MUST
BE
IN
THE
OPEN
POSITION
ALSO
SEE
DETAIL
BELOW
SI
SWITCH
FOR
AP
0
PT
38
SI
35
DSR
DPT
TITLE
/
77
▽
M
3
SCHEMATIC
.
DRIVER
DRAWER
ASSY
MFG
SU
5
51
_
■
醜
f
1 2 3 4 5 6 7 8
°
P G M
5
/
/
4.4
^
R E G
SIZE
DWG
NO
.
1009995
I
C
SEE
NOTE
10
&
7
D
I
SHEETS
:
4
OF
4
SCALE
:
N
/
A
R
£
V
|
I
GRID
I
DATE
丨
DWN
|
CHK
|
ECN
^
|
DESCRIPTION