SM_SXDX12_intern_03-2017_de - 第31页
Servicearbeiten Tausch Loslager Laufrolle LR205-2RSR [03076849-xx] Y-Führungswag en / Y-Loslager Tausch en Service Manual (Internal) SIPLACE SX1/SX2/DX1/DX2 31

Servicearbeiten
Y-Führungswagen / Y-Loslager Tauschen Tausch Loslager Laufrolle LR205-2RSR [03076849-xx]
30 Service Manual (Internal) SIPLACE SX1/SX2/DX1/DX2
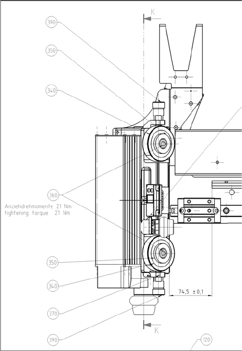
2.6.3 Tausch Loslager Laufrolle LR205-2RSR [03076849-xx]
HINWEIS
Das Portal muss sich weiterhin auf der Portalwanne befinden.
Entfernen Sie das Abdeckblech auf der Unterseite des
Portals

Servicearbeiten
Tausch Loslager Laufrolle LR205-2RSR [03076849-xx] Y-Führungswagen / Y-Loslager Tauschen
Service Manual (Internal) SIPLACE SX1/SX2/DX1/DX2 31

Servicearbeiten
Y-Führungswagen / Y-Loslager Tauschen Tausch Loslager Laufrolle LR205-2RSR [03076849-xx]
32 Service Manual (Internal) SIPLACE SX1/SX2/DX1/DX2
▪ Lösen und entfernen Sie das erste Loslager.
▪ Die Lagerachse sitzt in einer Passung. Hebeln Sie ggf. das Lager vorsichtig mit einem Schraubendre
-
her heraus.
▪Montieren Sie das Loslager und
ziehen Sie die Schrauben mit ei
-
nem Drehmoment von 21Nm an.
▪ Wiederholen Sie die Arbeiten
am zweiten Loslager.