DT401-F - 第299页
Ref No. Remark s R 1 Q'ty 44-B 移載 ヘ ッ ド (多機能 ヘ ッ ド ) Transfer Head (M ulti-Functional Heads) イラスト No. Part No. 品 名 品番 数量 R 2 パーツリスト Kit N o . キット 品 番 Kit Name キット名称 KXFX03KNA00 Part Nam e 備 考 セクションN o. PARTS LIST Se…

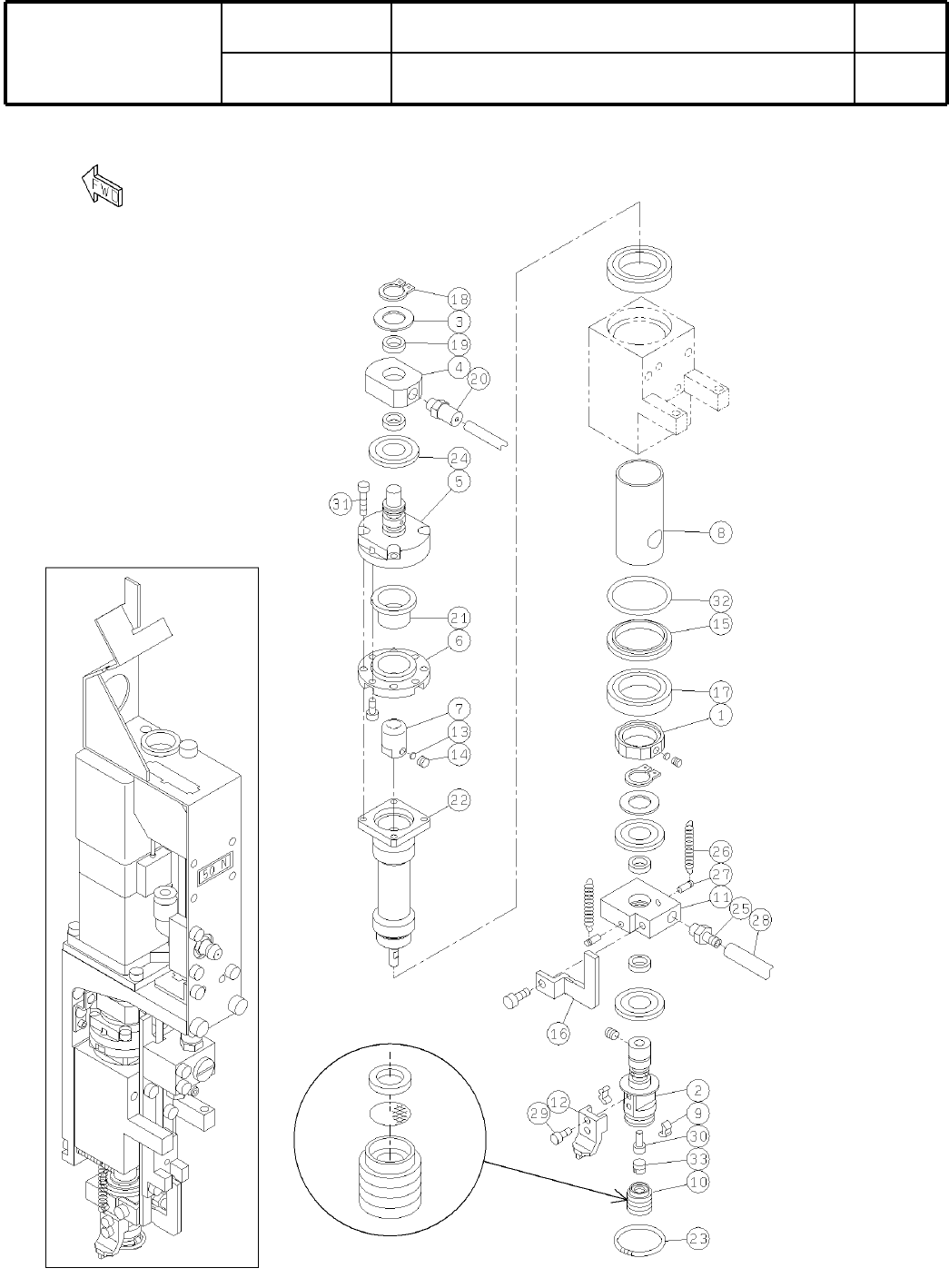
44-B
移載
ヘ
ッ
ド
(多機能
ヘ
ッ
ド
)
Transfer Head (Multi-Functional Heads)
パーツレイアウト
Kit No.
キット品
番
Kit Name
キット名称
KXFX03KNA00
セクションNo.
PARTS LAYOUT
Section No.
--
S173
( KKXFX03KNA00-13-2 )

Ref
No.
Remarks
R
1
Q'ty
44-B
移載
ヘ
ッ
ド
(多機能
ヘ
ッ
ド
)
Transfer Head (Multi-Functional Heads)
イラスト
No.
Part No.
品 名品番 数量
R
2
パーツリスト
Kit N
o
.
キット品
番
Kit Name
キット名称
KXFX03KNA00
Part Name
備 考
セクションNo.
PARTS LIST
Section No.
R
3
NUT
1
1 KXFB029CA00
HOLDER
1
2 N210030755AA
WASHER
2
3 KXFB029EB01
RING
1
4 KXFB029GA04
HOLDER
1
5 KXFB0566A00
CYLINDER
1
6 KXFB0567A02
PISTON
1
7 KXFB0568A01
COLLAR
1
8 KXFB029NA03
CLAMP
3
9 KXFB00L1A02
FILTER-HOLDER
2
10 KXFX03EMA00
RING
1
11 KXFB029PA02
ARM
1
12 KXFB00HMA02
PIECE
2
13 KXFB029SA00
SCREW
1
14 KXFB02BTA00
RING
1
15 KXFB02JBA00
DOG
1
16 N210050179AA
BEARING
2
17 KXF0AL1AA00 6803ZZ
C-RING
2
18 KXF0A74AA00 STW-9
PACKING
8
19 KXF05YHAA00 MYA-6
JOINT
1
20 KXF02T7AA00 M-5H-4
DIAPHRAGM
1
21 KXF0DZHVA00 DM2-13-13-T2.NN501(DDA)
BALL-SPLINE
1
22 N510037999AA LF6SGCSM+66LPM(12028716X002)
SPRING
2
23 N210076717AA
BEARING
3
24 KXF083LAA00 NTB9202E01
JOINT
1
25 KXF02T4AA00 M-5AU-6
SPRING
4
26 KXF0E07FA00 SP(DA KXF0E07FA00)
FASTENER
2
27 KXF0DKMAA00 BX2.5-8(DA 0DKMA)
TUBE
1
28 KXF0DS4AA00 Silicon tube 8607 D6XD3(120mm)
BOLT
6
29 XVE26B6FTC
Hexagon socket head cap screw M2.6X6-12.9 SOB
BOLT
1
30 XVE2B5FTC Hexagon socket head cap screw M2X5-12.9 SOB
BOLT
4
31 XVE26B12FTC
Hexagon socket head cap screw M2.6X12-12.9 SOB
O-RING
1
32 KXF0DJ1AA00 1022 1 type A
SCREW
1
33 KXFB06HWA00
S174
--
( KKXFX03KNA00-13-2 )

45-A
Zユニット(
多機
能ヘッド)
Z Unit (Multi-Functional Heads)
パーツレイアウト
Ki
t
N
o
.
キット
品番
Kit Name
キット名称
KXFX037CA00
セクションNo.
PARTS LAYOUT
Section No.
--
S175
( KKXFX037CA00-17-1 )