DECAN_S1_TRM - 第109页
Page +$1:+$ 107 DECAN S1 Harness Wiring Diagram (6/8) CONVEYOR I/F BOARD [CV] CN23 AM03-01 1608B HD-CAN FDOCK1 FDOCK2 FRONT DOCKING CART SENSOR1( 전면에서 왼쪽 ) OMRON EE-1001 + L OUT - FRONT DOCKINF CART SENSOR2( 전면에서 오른쪽 ) O…

Page
+$1:+$
106
DECAN
S1
Harness Wiring Diagram (5/8)
+24V
SAFETY PLC
PILZ PNOZ_MM0P
FROP CONTROL BD
SF-003
SERVO READY OUT SIGNAL
Magnetic Contact #1 Feedback Magnetic Contact #3 Feedback
TB-21B
TB-22A
TB-23B
TB-24A
-FUSE1
(250V,0.5A)
IM1 IM0
32
22
-EM S/W
31
21
(REAR)
-EM S/W
(FRONT)
31
32
21
22
12
11
12
11
EM2
(S/W MONITOR)
(S/W MONITOR)
24G
EM1
(S/W MONITOR)
(S/W MONITOR)
24G
12
22
-DOOR S/W
11
21
(REAR)
-DOOR S/W
(FRONT)
11
12
21
22
REM1
32
31
32
31
RD
(S/W MONITOR)
(S/W MONITOR)
24G
FD
(S/W MONITOR)
(S/W MONITOR)
24G
IM3 IM2
o0
A1
A2
-SERVO READY
-READY OUT
-MC1
A1 21 33
A2 22 34
-MC3
A1 21 33
A2 22 34
o1 i15 i7
T0 T1 T2 T3
24V
0V
TB-21D
IM19
SAFETY PLC OUTPUT MONITOR
RY
A1 11
A2 12 14
(SWITCH)
(S/W SIGNAL)
CANCV CN19
TB-24B
CN18
AM03-027501A
D-S1_SF003
AM03-027501A
D-S1_SF003
AM03-027502A
D-S1_SF004
AM03-027504A
D-S1_SF002
AM03-027503A
D-S1_SF001
AM03-027503A
D-S1_SF001
AM03-027508A
D-S1_SF009
AM03-027508A
D-S1_SF009
AM03-027510A
D-S1_SF010
AM03-027510A
D-S1_SF010
AM03-027509A
D-S1_SF008
AM03-027509A
D-S1_SF008
AM03-027507A
D-S1_SF007
AM03-027507A
D-S1_SF007
AM03-027507A
D-S1_SF007
AM03-027506A
D-S1_SF006
AM03-027506A
D-S1_SF006
AM03-027505A
D-S1_SF005

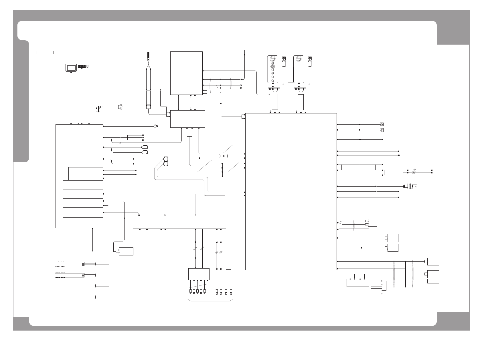
Page
+$1:+$
107
DECAN
S1
Harness Wiring Diagram (6/8)
CONVEYOR I/F
BOARD
[CV]
CN23
AM03-011608B
HD-CAN
FDOCK1
FDOCK2
FRONT DOCKING CART SENSOR1(전면에서 왼쪽)
OMRON
EE-1001
+
L
OUT
-
FRONT DOCKINF CART SENSOR2(전면에서 오른쪽)
OMRON
EE-1001
+
L
OUT
-
CN24
RDOCK1
RDOCK2
REAR DOCKING CART SENSOR1(LEFT TO FRONT)
OMRON
EE-1001
+
L
OUT
-
REAR DOCKINF CART SENSOR2(RIGHT TO FRONT)
OMRON
EE-1001
+
L
OUT
-
CN10
AM03-011610A
F/D_CART SOL1
F/D_CART SOL2
FRONT D_CART SOL1
FRONTD_CART SOL2
CN 111
AM03-011611B
R/D_SOL1
R/D_SOL2
REAR D_CART SOL1
REAR D_CART SOL2
FFD-EN3
FFD-EN2
FFD-CN3
FFD-CN2
SM511_IT004
DeviceNet
DeviceNet
PC RACK
IT MASTER
CAN_CH1_L
CAN_CH3_L
F-24V-EX
AM03-011612B
AM03-011613A
RFD-EN3
RFD-EN2
RFD-CN3
RFD-CN2
CN21
[AXIO#1]
CN3
[SC]
[SC]
CN22
CAN_CH2_R
CAN_CH4_R
R-24V-EX
Front DOCKING CART EXT.
Rear DOCKING CART EXT.
F-DCART
R-DCART
Front DOCK ING CART
Rear DOCK ING CART
5557-24R
5557-24R
DOCK ING CART (OPTION)
DeviceNet
DeviceNet
FFD-PWR
CV-RDF-PWR
AM03-011245C
RFD-CN4
5559-10P
CN20
CV-CN4
5557-10R
DF1B-4DS-2.5RC
DF1B-4DS-2.5RC
DF1BA-4DEP-2.5RC
AM03-010841C
RFD-EN4
D-S1_CA104
AM03-010871A
SM511_CV019
SM511_CV028
SM511_FD010_DC
SM511_CV101-1
SM511_CV101
SM511_CV029
SM511_FD011_DC
AM03-011609B
SM511_CV020
5559-24P
5559-24P
DCART
DCART
AM03-001731C
SM411N_FD012_DC
AM03-001731C
SM411N_FD012_DC
D-S1_FL002-13
D-S1_CA104-1
FFD-CAN-EXT
AM03-006942A
SM48_CA104
CN2
SM511C_FD004
AM03-014713A
F-FB-L
AM03-010867B
SM511_FD101-1
SM511C_FD006
AM03-014716A
SM41_CA003
AM03-010656A
[HD BD]
CN2
CN3
SM48_CA106
FIX-ILL-R
D-S1_CA102
AM03-025118A
AM03-027093A
AM03-027092A
AM03-027090A

Page
+$1:+$
108
DECAN
S1
Harness Wiring Diagram (7/8)
TB1-3C
TB1-8C
myvu{Gvwlyh{pvuGtvkl
G
R
S
T
M
E
E
CHANGE
F/FEEDER
RESET
STOP
START
READY
E
O
P
C
N
Y
P
O
T
S
Y
N
C
E
E
E
M
R
G
<FRONT-OP> <REAR-OP>
CPCI 6U RACK
USBVGA1
SBC
<FRONT>
PCIE ADAPTER
PCIE X1 2MR
PCIE X1 3MR
AXIO B/D #1-CN1
AXIO B/D #2-CN1
NT-A8
PC POWER SUPPLY
AM03-014387A
AM03-014758A
SAFETY CONTROL B/D
CN30
CN3
F-OP
CN3
R-OP
[SC]
CN4 CN9
PWR(12V)
SM400 VISION IF B/D
CN1
CN1CN3
CN6CN8CN5 CN10
IT MASTER
CN1(12V)
AM03-014384A
AM03-014765A
CN11
CN21
CN2 CN7
CONV I/F B/D
[CV]
AM03-010857C
[SUB]
CONV.SUB I/F B/D
CN32
CN28
AM03-010836C
CN6
CN1
CN18
CN3
AM03-010850A
CN17
CN2
START,FFD,RFD
CN7
AM03-014710B
CN2
CN5
CN2
AM03-017384C
AM03-017384C
CN7
CN13
AM03-013055A
CN8
AM03-021644A
CN26
CN3
CN1 CN1
CN6
CN13
EM,READY,DOOR,FSO
[VIS]
CN24
CN18
MC1
21
22
+A1
-A2
CN19
J90831335C
J4R-3
J4R-4
J9L-3
J9L-4
AM03-010843B
J6R-2
SM48_CV026-1
J11L-2
J6R-3
J6R-4
J11L-3
J11L-4
AM03-014977B
AM03-010953B
AXIO#2-CN2
21/22
JUMPER
AM03-010986D
R PANEL LAN
AM03-014705A
FFD-CN4
AM03-014629A
PWR
AM03-010871A
CAN
J1R
CN26 CN27
J1R-3
J1R-4
AM03-010867B
CN33
CN35
CN20
CN22
RFD-CN4
SC-J1R
CN4
AM03-010961A
F/R T-BOX HOST
AM03-010841C
FFD-PWR
AM03-010866C
PWR(24V)
PWR(24V)
VGA
AM03-021648A
TW-LP
TW-BZ
J9LJ4R
PC-232-EXT
R-PW-PANEL
DOOR.FFD.READY.START
DSTOP.RESET SW
J6R J11L
AIRSEN
AM03-021648A
(DC BRK)
PWR(24V)
13
14
(24G)
(+24V)
CN23
SAFEGUARD OVERRIDE KEY
AX-CN1
AM03-010951A
AM03-011671A
CN5
CN-FSO
AM03-010079B
PS1+24V
PS1-24G
PS2+24V
PS2-24G
T6L
PS1
PS2
PS2+24V
PS2-24G
PS2
FRONT FEEDER BASE RIGHT B/D
JK1 JK2 JK3 JK4 JK5 JK6
JK7 JK8 JK9 JK10 JK11 JK12
JJ1 JJ2 JJ3 JJ4 JJ5 JJ6
JJ7 JJ8 JJ9 JJ10 JJ11 JJ12
AM03-000765A
AM03-000764A
CAN
PWR
CAN
PWR
FRONT FEEDER BASE LEFT B/D
CAN_CH1_L
CAN_CH2_R
CAN
VGA2
SUB-CN6/7
15S 15S15S 15S15P 15P 15P 15P
JST 20P
J1R-1
J1R-2
PWR(24V)
F-OW-LAMP
PWR
PWR
AM03-011245C
CV-RFD-PWR
5557-10R/5559-10P
X
X
⓸䇭⽀⢰䁇 㻈ᴴ
MULTIPORT
LAN1
F BARCODR
SM511_IT001
R BARCODR
AM03-012662A
SCAN
PCB-IN
RY11
RELAY-BK1-5
AM03-011272A
6
4
(+24V)
(+24V)
RY1
AM03-011273B
CN2
입력
JST 20P
㩅䑄
HD
CN3
CN2
CN1
FAN
RACK FAN
CV-CN16
AM03-010848E
SM511C_KV003-2
SM48C_PC003
SM511_PC003-1
SM421_IT003
OPTION
SM511_CV104-2
SM511_CV104-1
SM511_CA201_LT
AM03-010868A
SM511_VM111
SM511_IT004
SM48C_IT005-1
SM48C_VIS000
SM511C_VIS012-2
SM511_CV109-1
SM_FD023
SM_FD022
SM511_CV003
SM5 11_CV113
SM511_CV126_LT
AM03-021754A
SM511_CV201_LT
SM511_SC105-1
SM33C_OP005
SM33C_OP005
SM511_FD101-1
SM511_FD101
SM511-SC009
SM511_AX001
SM411_SC008
SM41_SC006
SM511C_PW044
SM511-PW033
SM511_PW148
SM511C_PW202
SM511_CV132
SM511_SC204
SM511_CV101 SM511_CV101-1
AM03-012484A
PMC2-EXT
COM5/6
SM511_VM101
PMC1-EXT
Tray Feeder-1
TF-CH1
COM1/2
COM3/4
AM03-003686A
SM421_VM101-1
Tray Feeder-2
TF-CH2
AM03-003689A
SM421_VM102-1
CN14
CN15
AM03-005519B
220V PWR
ADAPTOR
SM471_PW067
SM471_PC007
CN27
AXIO#1-CN2
CN28
HD-PW-EXT
FL1-#15
HEAD IF CN1
FL2-#4
X_SEN.
AM03-007045A
SM481_SC009
AM03-006922B
SM48_SC007
AM03-007080C
SM481_AX006-1
HD-PW
X-SEN
CN10
R DRIVER-PW
AM03-005723C
SM471_SC111-2
AM03-007044B
SM481_SC011
SM511_CV126-1
AM03-010855C
CN4
AM03-010906B
START,STOP,RESET,FFD
SM511_OP103
EP13-900134
PTE_APV-302-RYG(510)
CN6
AM03-010919C
SM511_PW020
LEFT REAR FAN PW
CN7
AM03-010920B
SM511_PW021
RIGHT FRONT FAN PW
CN34
CN31 CN4
CN36
AM03-010948B
SM511-SC002
(HEAD AMP)
SM471_PW022
AM03-006409A
SM471_PW022
AM03-006409A
FLY CAM1~5
SM471_VIS011
P1 P2
COM1
COM2
COM3
COM4
COM5
FID.CAM
SM400 CAMERA IO B/D#1
[FID1]
SM511C_VIS007
SM511C_VIS010
SM471_VIS006
HEAD
1234 5
COM6
FIX.CAM
SM471_VIS009
#1F-FL-15
SM481_VIS002-1
#2F-FL-15
12
SM481_VIS002-2
SM511C_FX007
1 2
SM511_FX-004
AM03-012884A
X-SNS-EX
AM03-014385A
SM48C_IT005
AM03-000054
J91672739A
AM03-014335A
USB
AM03-014768B
AM03-014769B
D-S1_FL002-16,17
FLY2-PW
FLY2-CAM
D-S1_FL001-16,17
FLY-PW
FLY-CAM
AM03-014773C
SCANNER OPTION
CN25
SCANNER
PWR(24V)
AM03-012662A
SM421_IT003
SC-CN25
RACK-CN7
CAN_CH3_L
CAN_CH4_R
AM03-005553C
AM03-010262D
AM03-010263D
PS3
REMOTE
CN1
입력
11A
24V
TB1
12A
GND
11C
12C
24V
GND
TB2
2A
1A
RY1
6
5
SELECT
F/R
AM03-027332A
D-S1_OP001
AM03-027418A
D-S1_OP001-1
AM03-010947B
SM511-SC001
Changes when the front operation mode is selected