DECAN_S1_TRM - 第114页
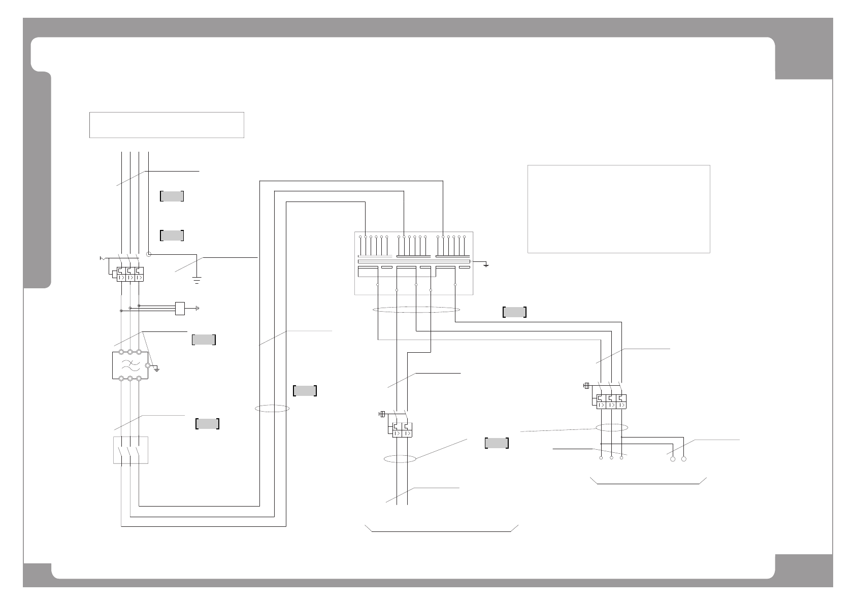
Page +$1:+$ 11 2 DECAN S1 Electric Power (2/8) 1 2 3 4 5 7 6 240 D-S1_PW005 D-S1_PW004 2.5 mm (BLK) 2.5 mm(ORANGE) L32 L33 L31 L22 L21 L23 D-S1_PW003-2 SM33_PW001 2.5 mm (ORANGE) 4.0 mm (BLK) -MCCB1 (3Ø, 18A) L13 L12 L1 …

Page
+$1:+$
111
DECAN
S1

Page
+$1:+$
112
DECAN
S1
Electric Power (2/8)
1
2
3
4
5
7
6
240
D-S1_PW005
D-S1_PW004
2.5 mm (BLK)
2.5 mm(ORANGE)
L32
L33
L31
L22
L21
L23
D-S1_PW003-2
SM33_PW001
2.5 mm (ORANGE)
4.0 mm (BLK)
-MCCB1
(3Ø, 18A)
L13
L12
L11
T
SR
-EARTH PLATE
FRAME GROUND
-TRANS
220V
208200 220
L31
PE
to TB1-1A,TB1-6A
1L1
1L2
22S
22R 22T
TF2L1
TF2L2
TF2L3
220V 220V
0V 220V
200220415380 200 208 380240 415
L32
415208 220 380240
L33
2.5 mm (BLK)
X(750W),Y1(1KW),Y2(1KW),SW(50W),WD(100W) AXIS(SERVO)
22R 22T
CONTROL RACK(150VA)
MONITOR1,2(35W*2)
TF1L1
TF1L2
2.5 mm (BLK)
SM421_PW106
2.5 mm(BLK)
2.5 mm (BLK)
2.5 mm (BLK)
DC POWER #1~4(24VDC)(400W*4)
AC FAN(14W*5)
D-S1_PW000_LT
4.0 mm (Y/G)
FACTORY MAIN POWER
- 200/208/220/240/380/415VAC FLA13A
- 3PHASE ~50/60Hz SCR 100KA(220VAC)
6.SECONDARY #1 : 1Ø 220(1.5KVA)
SECONDARY #2 : 3Ø 220(2.0KVA)
2.FREQUENCY : 50/60Hz
1.CAPACITY : 3.5KVA
3.PHASE : 3Ø
4. CONNECTION: Y-Y
<TRANS SPECIFICATION>
5.PRIMARY : 3Ø 200/208/220/240/380/415V, 3.55KVA
GV2ME20
-NF1
(3Ø, 20A)
TNS-5020
-MAIN S/W
(3Ø, 25A)
KG20B-T203
SH202-C16
-CP1
(1Ø,16A)
SH203-C16
-CP2
(3Ø,16A)
to TB1-13A,TB1-15A
to MC1
AM03-027373A
SM511_PW003-1
AM03-010913A
FRAME GROUND
SM471_PW100-01
AM03-020540A
AM03-027371A
AM03-027372A
AM03-027391A
J90831063A
AM03-003859A
246
135
1
456
23
2
1
264
135
4
3
24
13
6
5
13 5
2
2
PE08
2
2
PE02
2
2
2
2
2
2
SPD

Page
+$1:+$
113
DECAN
S1
Electric Power (2/8)
NO. PART NO. PART NAME Q'TY Old No. Supply Supply LT Reference
1 J90831063A MAIN_POWER_CABLE_ASSY SM33-PW001 1
2 AM03-010913A CABLE ASSY-REAR_ELEC_PANEL_EARTH 1
3 AM03-027371A CABLE ASSY-D-S1_MCCB_NF1_EARTH 1
4 AM03-027372A CABLE ASSY-D-S1_NF1-MAIN SW 1
5 AM03-027373A CABLE ASSY-D-S1_MAIN_SW_TRANS 1
6 AM03-003859A CABLE ASSY-TRANS_CP1_2 1
7 AM03-027391A CABLE ASSY-D-S1_TB WIRE MODULE 1