DECAN_S1_TRM - 第118页
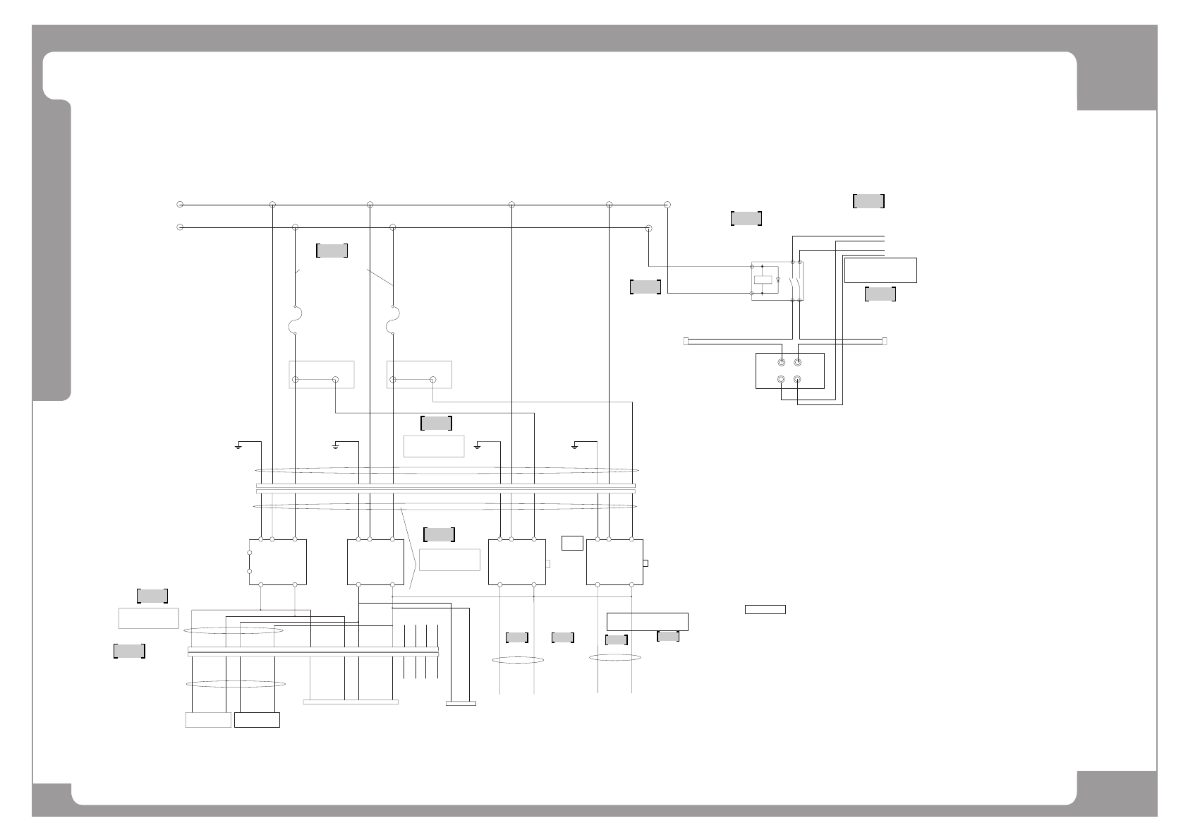
Page +$1:+$ 11 6 DECAN S1 Electric Power (4/8) 1 2 3 10 11 12 13 4 5 6 7 8 9 1L2 1L1 AC220V FROM CP1 1L2 1L1 -FUSE1 (AC250V ,10A) SC-CN1 +24V 24G +24V 24G -FUSE2 (AC250V ,10A) 1L1 1L2 -PS2 24G -PS3 +24V -PS1 AM03-027094A…

Page
+$1:+$
115
DECAN
S1
Electric Power (3/8)
NO. PART NO. PART NAME Q'TY Old No. Supply Supply LT Reference
1 AM03-014706A CABLE ASSY-CONTROL_RACK_PWR 1
2 AM03-014705A CABLE ASSY-SACO_+24V_RELAY 1
3 EP18-000020 RELAY-MY2N-D2-DC24VDC 1
4 AM03-014707B CABLE ASSY-CONTROL_RACK_PWR-EXT 1
5 AM03-020571A CABLE ASSY-REAR_MONITOR_PW_12V 1
6 AM03-020572A CABLE ASSY-F_MONITOR_PW_12V 1
7 AM03-011247B CABLE ASSY-FAN_POWER 1
8 AM03-011278B CABLE ASSY-SERVO_REAR_FAN_POWER 1
9 J90833316A FAN_CABLE_ASSY SM-FAN00 1

Page
+$1:+$
116
DECAN
S1
Electric Power (4/8)
1
2
3
10
11
12
13
4
5
6 7
8
9
1L2
1L1
AC220V
FROM CP1
1L21L1
-FUSE1 (AC250V,10A)
SC-CN1
+24V 24G
+24V
24G
-FUSE2 (AC250V,10A)
1L1 1L2
-PS2
24G
-PS3
+24V
-PS1
AM03-027094A
T5L
A1
A2
(CONN)
A5
A3
A6
AM03-027102A
+24V
SM48_PW111-2
A2
A1
A4A3
T6L
(CONN)
SC-CN2
AM03-014501A
-PS4
Z-DRV-PWR
B1 B2
B4 B5
B3
B6
TO FRONT
0.75mm(BLK)
0.75mm(BLK)
0.75mm(BLK)
A4
RY1
7
8
34
56
(SM511C_PW005)
0.5mm(BLK)
-TB2
1A
1B
2A
2B
AM03-014721B 0.2mm(BLK)
(SM511C_FD003) 0.2mm(BLK)
0.2mm(BLK)
0.5mm(BLK)
A1
A2
A5
A3
A6
B1 B2
B4 B5
B3
B6
A4
A2
A1
A4A3
1,2
3,4
1,2
3,4
FEEDERBASE
24G
TO REAR
FEEDERBASE
6A(Max 16A)
6A(Max 16A)
6A(Max 16A)
GENERAL IO
R STEP
CONV STEP
AM03-014720A
(SM511C_FD002)
AM03-014722B
D-S1_PW201
D-S1_PW101
A5
A6
B1
B2
TB1
11A
12A
11C
12C
STEP DRV(FULL DUAL)
A5
A6
B1
B2
B3 B4
B5 B6
B3 B4
B5 B6
0.8mm(BLK)
0.2mm(BLK)
SM48C_PW202
EP18-900034
LY1N(AC200/220V)
AM03-007057A
< FRONT_REAR OPERATION>
AM03-014712B
0.5mm(BLK)
SM511C_PW112
4A
F1A
F1-C
9C
F2-C
10C
4B 5B5A
F1B
F2A
F2B
4C
9A
DC POWER(400W)
(+)
PE06
(-)
AC IN
24VDC
DC POWER(400W)
(-)
24VDC
(+)
AC IN
PE07
DC POWER(400W)
(-)
24VDC
(+)
AC IN
DC POWER(400W)
(-)
24VDC
(+)
AC IN
PE06-1 PE07-1
2
2
2
2
2
2
F FEEDER IO CN13
R FEEDER IO CN13
REMOTE CON
PS3
REMOTE CON
PS4
2
2
REMOTE CON
REMOTE CON
AM03-026997A
D-S1_PW124
REMOTE CON
PS3
PS4
TB2-1A
RY1-5
TB2-2A
RY1-6
2
2
SM511C_FD004
AM03-014713A
SM511C_FD005
AM03-014714A
SM511C_FD006
AM03-014716A
SM511C_FD007
AM03-014717A
Changes when the front operation mode is selected
(-)
2

Page
+$1:+$
117
DECAN
S1
Electric Power (4/8)
NO. PART NO. PART NAME Q'TY Old No. Supply Supply LT Reference
1 AM03-007057A CABLE ASSY-TB1_FS1_FS2 1
2 AM03-027102A CABLE ASSY-PS1_PS4_AC_PW_T5L 1
3 AM03-027094A CABLE ASSY-PS1_PS4_AC_PW_T5L 1
4 AM03-014712B CABLE ASSY-PS1_PS4_DC_PW_T6L 1
5 AM03-014501A #N/A #N/A
6 AM03-014713A CABLE ASSY-F LEFT FEEDER BASE PWR 1
7 AM03-014714A CABLE ASSY-F RIGHT FEEDER BASE PWR 1
8 AM03-014716A CABLE ASSY-R LEFT FEEDER BASE PWR 1
9 AM03-014717A CABLE ASSY-R RIGHT FEEDER BASE PWR 1
10 AM03-014720A CABLE ASSY-AC_RELAY_ POWER 1
11 EP18-900034 RELAY LY1N(AC200/220V) 6
12 AM03-014721B CABLE ASSY-F FDR PWR RELAY 1
13 AM03-014722B CABLE ASSY-R FDR PWR RELAY 1