DECAN_S1_TRM - 第146页
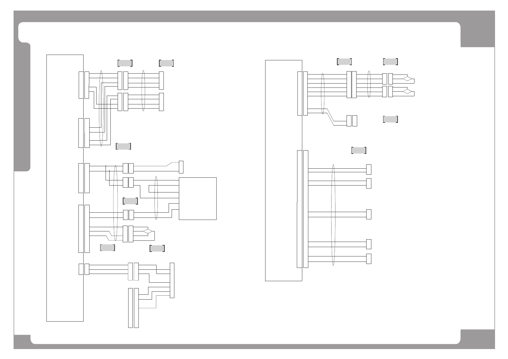
Page +$1:+$ 144 DECAN S1 Conveyor IF Board (2/5) 1 2 3 4 5 6 7 8 9 10 CONVEYOR I/F BOARD CONVEYOR I/F BOARD 24 * 24P CN15P 12 11 9 7 3 5 6 1 CN15S CN9P 6P CN9S 4 3 2 4 3 2 3 3 1 4 1 4 1 2 1 2 INLINE AFTER INLINE BEFORE 5…

Page
+$1:+$
143
DECAN
S1
Conveyor IF Board (1/5)
NO. PART NO. PART NAME Q'TY Old No. Supply Supply LT Reference
1 AM03-006942A CABLE ASSY-CVIF_FFD_CAN 1
2 AM03-027092A CABLE ASSY-CVIF_FFD_CAN_EXT 1
3 AM03-010656A CABLE ASSY-RFDR_CVIF_CAN 1
4 AM03-010841C CABLE ASSY-CONV_I-F_R_FDR_PWR_J2R 1
5 AM03-011245C CABLE ASSY-CV_RDF_PWR_EXT 1
6 AM03-010836C CABLE ASSY-CONV. S/W OUTPUT 1

Page
+$1:+$
144
DECAN
S1
Conveyor IF Board (2/5)
1 2
3
4
5
6
7 8
9
10
CONVEYOR
I/F BOARD
CONVEYOR
I/F BOARD
24
*
24P
CN15P
12
11
9
7
3
5
6
1
CN15S
CN9P
6P
CN9S
4
3
2
4
3
2
33
1
4
1
4
1
2
1
2
INLINE AFTER
INLINE BEFORE
5
3
5
3
4
6
4
6
2
2
11
BUSY OUTPUT
AVAILABLE OUTPUT
DF1B-6D P-2.5DSA
SM511_CV106-1
SM421_CV106-2
3
4
2
1
3
4
2
1
CN28S
33
CN28P
3P
2
1
2
1
PC RACK RS232 PORT
2
3
1
SM511_PC003-1
SMEMA
2
1
DF1B-24D P-2.5DSA
DF1B-24D P-2.5DSA
4
2
3
1
4
2
3
1
4
6
7
5
8
SM48C_PC003
COM1
6
6
CN20P
6P
2
5
4
2
5
4
CN20S
3
1
3
1
CN12P
6P
CN12S
6
4
2
5
3
1
2
1
VAC. AIR&PUMP PW
+24V
2
1
HEAD VACUUM AIR SOL PW
DECAN_1TCV_006
3
1
6
4
2
5
DF1B-6D P-2.5DSA
CN14S
24P
CN14P
23
21
19
16
18
14
24G
+24V
PLACE STOPPER DOWN
+24V
PLACE STOPPER UP
24G
23
21
19
16
18
14
11
2
3
2
3
PLACE STOPPER UP SENSOR
P-UP
11
2
3
2
3
PLACE STOPPER DOWN SENSOR
P-DN
6
5
4
2
3
1
6
5
4
2
3
1
PUMP TEMP ALARM
24G
BUT UP SENSOR
+24V
BUT UP
BUT
1
2
3
1
2
3
22
24
22
24
15
17
12
13
8
11
10
15
17
12
13
8
11
10
23
21
20
23
21
20
16
18
19
16
18
19
1414
24P
CN5P
9
7
6
4
3
5
2
1
9
7
6
4
3
5
2
1
CN5S
2
1
DF1B-24D P-2.5DSA
2
1
2
1
2
1
PLACE STOPPER SOL
BUT SOL
EDGE PUSHER SOL
ANC1 SHUTTER SOL
AM03-010844C
AM03-003542A
AFTER
BEFORE
BUSY+
BUSY-
B/D AVAILABLE+
B/D AVAILABLE-
BUSY+
BUSY-
B/D AVAILABLE+
B/D AVAILABLE-
AM03-025092A
24
*
12
11
9
7
3
5
6
1
44
+24G
SM48C_PW147-1
MC2
TERMINAL BLOCK
MC2-A1
MC2-A2
T-95
T-96
T-98
T-97
AM03-014907A
SHORT
1
2
3
PUMP-ALARM
PUMP-PWR
VACCUM-AIR
VAC. AIR
PUMP PW
2
1
2
1
2
1
MAIN-AIR
24
22
*
*
24
22
*
*
R-DUMP.BOX1
24G
11
2
3
2
3
R-DUMP.BOX1
P-SEN-EXT
DUMP BOX SWITCH (2GANTRY MACHINE LAYOUT - REAR)
2
1
ANC2 SHUTTER SOL
AM03-014977B AM03-014387A
PC-232-EXT
TXD1
RXD1
GND
2
3
1
4
6
7
5
8
9
2
3
1
4
6
7
5
8
9
MULTIPORT
TXD2
RXD2
GND
COM1 / COM2
TXD
RXD
GND
D-S1_CV016 D-S1_1TCV_005
AM03-012631B
c AM03-027523A
D-S1_CS145
c
SM511_CS111-7

Page
+$1:+$
145
DECAN
S1
Conveyor IF Board (2/5)
NO. PART NO. PART NAME Q'TY Old No. Supply Supply LT Reference
1 AM03-010844C CABLE ASSY-INLINE_IN-OUT_CVIF 1
2 AM03-003542A CABLE ASSY-INLINE_IN-OUT 1
3 AM03-025092A CABLE ASSY-DECAN_PUMP_BUT_AIR_SENSOR;DEC 1
4 AM03-014907A CABLE ASSY-PUMP_PWR_ALARM-EXT 1
5 AM03-014977B CABLE ASSY-RS232_SERIAL-EXT 1
6 AM03-014387A CABLE ASSY-RS32_SERIAL 1
7 AM03-027521A CABLE ASSY-STP_DUMP BOX SEN 1
8 AM03-027523A CABLE ASSY-CONV_SENSOR_IF 1
9 AM03-027512A CABLE ASSY-D-S1_R_DUMP_BOX_SWITCH_1 1
10 AM03-012631B #N/A #N/A