DECAN_S1_TRM - 第171页
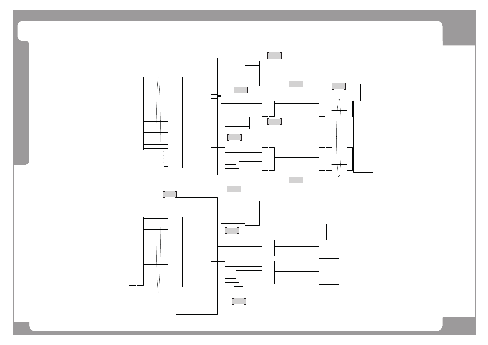
Page +$1:+$ 169 DECAN S1 Axis IO Board (3/11) NO. P ART NO. P ART NAME Q'TY Old No. Supply Supply L T Reference 1 AM03-026998A CABLE ASSY -X_W DRV CMD AXIO 1 2 AM03-006960A CABLE ASSY -X _Y2_SERVO_POWER 1 3 AM03-027…

Page
+$1:+$
168
DECAN
S1
Axis IO Board (3/11)
1
2
3
4
5
6
7
8
9
10
11
AXIO BD #1
BOARD
01
03
07
09
27
17
19
21
23
22
24
29
02
04
08
10
14
16
06
CN13
01
03
07
09
27
17
19
21
23
22
24
29
02
04
08
10
14
16
06
44
45
46
47
07
29
30
27
31
37
39
41
21
22
48
49
23
24
25
13
36
38
09
08
03
04
05
06
07
29
30
27
31
37
39
41
21
22
48
49
23
24
25
13
36
38
09
08
X SERVO
DRIVER
D-S1_VM004_LIQI
01
03
07
09
27
17
19
23
22
24
29
02
04
08
10
14
16
06
CN14
01
03
07
09
27
17
19
23
22
24
29
02
04
08
10
14
16
06
20
21
22
23
01
02
04
03
08
09
11
13
14
15
16
17
18
12
03
04
05
06
07
29
30
27
31
37
39
41
21
22
48
49
23
24
WD SERVO
DRIVER
X6
P. E
01
02
03
04
05
06
X6
4
3
2
1
1
2
3
4
5
01
02
03
04
05
06
SHIELD
D-S1-MD003
L1
L2
L3
r
t
TB1-17C
TB1-19C
TB1-21C
TB1-13C
TB1-15C
PE16
SM48-PW019
X_EN
X_PW
FG
SD/
SD
5G
+5V
W
V
U
4
3
2
1
W
V
U
E
4
3
2
1
SD
/SD
FG
0V
+5V
6
1
2
3
4
5
6
4
5
2
3
6
1
P. E
W
V
U
01
02
03
04
05
06
4
3
2
1
1
2
3
4
5
01
02
03
04
05
06
SHIELD
D-S1_MD022_LIQI
SM511_MD023-1
L1
L2
L3
r
t
TB1-17B
TB1-13B
TB1-15B
PE14
SM48-PW018_LIQI
WD_PW
FG
SD/
SD
5G
+5V
W
V
U
6
X
MOTOR
TB1-21B
GND PLATE
4
3
2
1
1
2
3
4
5
6
WD
MOTOR
WD_EN
CW
/CCW
/CW
CCW
+COM
/ALM
GAIN
/ALMRST
CLR
/SON
EB
/EZ
GND
/EB
EZ
EA
/EA
INP
-COM
AM03-026998A
CW
/CCW
/CW
CCW
+COM
/ALM
/ALMRST
CLR
/SON
EB
/EZ
GND
/EB
EZ
EA
/EA
INP
-COM
AM03-006960A
AM03-027029A
D-S1-MD004
AM03-027032A
4
3
2
1
4
5
2
3
6
1
4
3
2
1
4
5
2
3
6
1
SM511_X MOT-EX
AM03-019874B
01
02
03
04
05
06
01
02
03
04
05
06
W
V
U
B
RB
P
SM48P-MD038
IRN150S
RESISTOR
AM03-021389A
AM03-014671A
AM03-027034A
AM03-012615A
D-S1_FL001(4)
AM03-026604A
D-S1_FL001(5)
AM03-026604A

Page
+$1:+$
169
DECAN
S1
Axis IO Board (3/11)
NO. PART NO. PART NAME Q'TY Old No. Supply Supply LT Reference
1 AM03-026998A CABLE ASSY-X_W DRV CMD AXIO 1
2 AM03-006960A CABLE ASSY-X_Y2_SERVO_POWER 1
3 AM03-027029A CABLE ASSY-X MOTOR PWR 1
4 AM03-026604A CABLE ASSY-DECAN_S1 FLAT 1 1
5 AM03-019874B CABLE ASSY-X MOTOR EXT 1
6 AM03-021389A CABLE ASSY-X REGEN RESISTOR 1
7 AM03-027032A CABLE ASSY-X MOTOR ENC 1
8 AM03-026604A CABLE ASSY-DECAN_S1 FLAT 1 1
9 AM03-014671A CABLE ASSY-SW_WD_SERVO_POWER 1
10 AM03-027034A CABLE ASSY-WD MOTOR POWER 1
11 AM03-012615A CABLE ASSY-WD_MOTOR_ENC 1

Page
+$1:+$
170
DECAN
S1
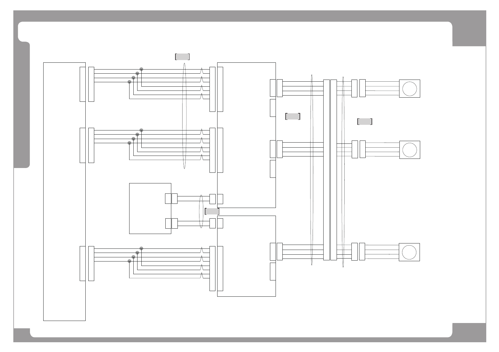
Axis IO Board (4/11)
1
2
3
4
2
1
2
1
4
2
3
1
4
2
3
1
2
1
CN1
CN11
SAFETY CONTROL
B/D
24G
24V
CN2
CN3
CB12 STEP DRIVER
1
2
3
6
4
8
9
7
CN4
1
2
3
6
4
8
9
7
1POUT+
1POUT-
1PDIR-
2POUT+
2PDIR+
2PDIR-
2POUT-
1PDIR+
10
5
1
3
7
9
30
4
2
3
1
4
2
3
1
CN2
CN3
WB12 STEP DRIVER
1
2
3
6
4
9
8
7
CN4
1
2
3
6
4
9
8
7
10
5
CN15
2
1
4
2
3
1
4
2
3
1
2
1
CN12
CN2
CN3
CB34 STEP DRIVER
1
2
3
6
4
8
9
7
CN4
1
2
3
6
4
8
9
7
10
5
CN16
CN3
SM41_SC012
1
3
7
9
30
1POUT+
1POUT-
1PDIR-
2POUT+
2PDIR+
2PDIR-
2POUT-
1PDIR+
1
3
7
9
30
1
3
7
9
30
1POUT+
1POUT-
1PDIR-
2POUT+
2PDIR+
2PDIR-
2POUT-
1PDIR+
1
3
7
9
30
1
3
7
9
30
AXIO BD #1
BOARD
AM03-010657A
2
1
2
1
24G
24V
2
1
CN1
1
4
3
6
B/
B
A/
A
A4
A2
A3
A1
B/
B
A/
A
4
2
3
1
CB1 STEP MOTOR
EP08-900073
B/
B
A/
A
B6
B4
B5
B3
B/
B
A/
A
4
2
3
1
1
4
3
6
1
4
3
6
1
4
3
6
D-S1_1TCV_004
SM48_1TCV_001
A4
A2
A3
A1
B6
B4
B5
B3
CB3 STEP MOTOR
EP08-900073
B/
B
A/
A
B/
B
A/
A
4
2
3
1
WB1 STEP MOTOR
EP08-900073
1
4
3
6
1
4
3
6
B2
A6
B1
A5
B2
A6
B1
A5
AM03-026829A
AM03-024322A
SM481_VM008
SM481_VM009
AM03-007050B