DECAN_S1_TRM - 第195页
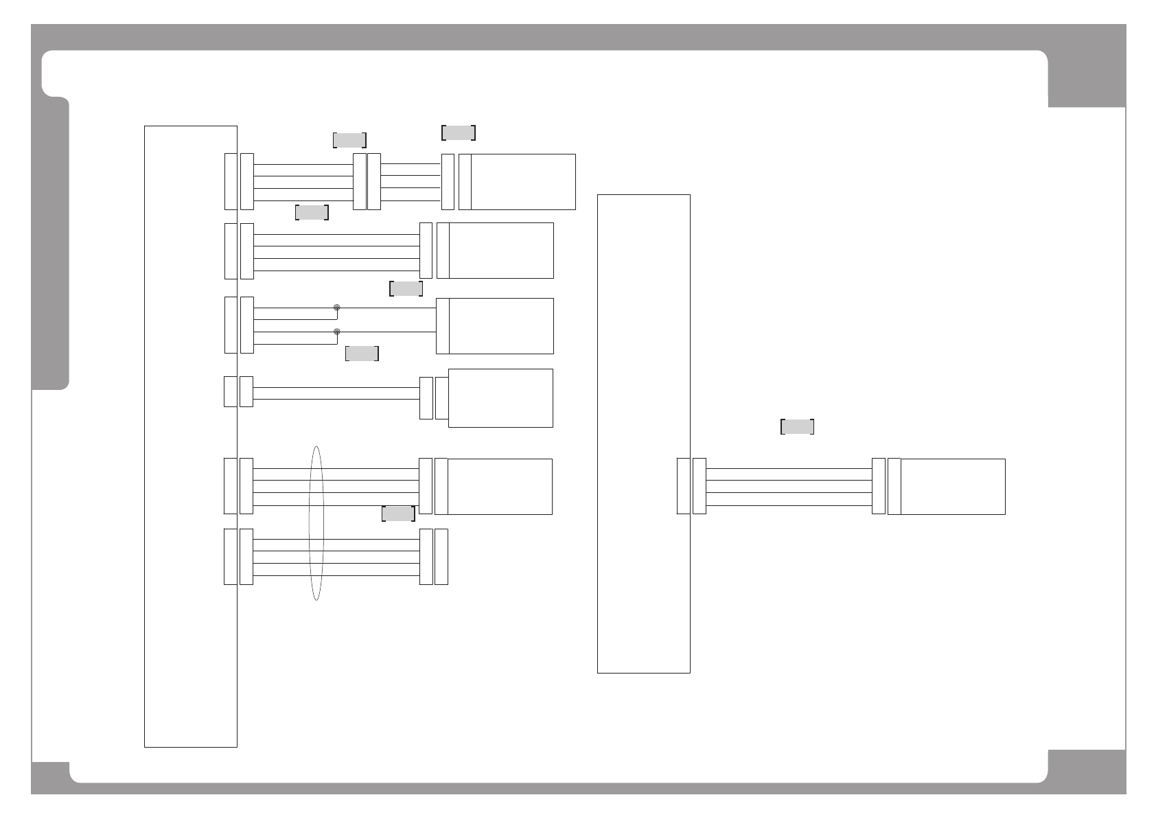
Page +$1:+$ 193 DECAN S1 Safety Control Board (4/5) NO. P ART NO. P ART NAME Q'TY Old No. Supply Supply L T Reference 1 AM03-010867B CABLE ASSY -FRONT FDR CTRL PWR-EXT 1 2 AM03-010866C CABLE ASSY -F RONT FDR CTRL PW…

Page
+$1:+$
192
DECAN
S1
Safety Control Board (4/5)
1
2
3
4
5
6
7
22
44
33
CN21
1 1
FRONT FEEDER I/F B/D
24G
24G
+24V
+24V
BOARD
SAFETY CONTROL
SM511_FD101
(DOCKING CART)
CN24
24G
+24V
+24V
24G
44
2
3
2
3
11
4
4
FFD-CN4
2
3
1
2
3
1
FFD-PW
RY#11
SM511_PW044
SM511_FD101-1
BOARD
SAFETY CONTROL
14
13
2
4
3
1
2
4
3
1
+24V
44
3
2
3
2
24G
24G
1 1
+24V
4
3
2
CN27
1
24G
+24V
+24V
24G
44
2
3
2
3
11
4
2
3
1
4
2
3
1
AXIO B/D #1
CN2
AXIS SENSOR B/D
4
4
AX-CN1
2
3
1
2
3
1
SM511_AX001
CN23
11
44
CN25
SCANNER
24G
+24V
1
1
4
4
D-SUB 15P
SM41_IT003
4P
15
15
4
3
2
CN28
1
24G
+24V
+24V
24G
44
2
3
2
3
11
4
2
3
1
4
2
3
1
SM48_SC007
HD-PW-EXT
TO CABLE (SM481_AX006)
4
3
2
CN26
1
24G
+24V
+24V
24G
44
2
3
2
3
11
4
2
3
1
4
2
3
1
AXIO B/D #2
CN2
SM481_SC009
AM03-010867B
AM03-010866C
AM03-011671A
AM03-014705A
AM03-012662A
AM03-006922B
AM03-007045A

Page
+$1:+$
193
DECAN
S1
Safety Control Board (4/5)
NO. PART NO. PART NAME Q'TY Old No. Supply Supply LT Reference
1 AM03-010867B CABLE ASSY-FRONT FDR CTRL PWR-EXT 1
2 AM03-010866C CABLE ASSY-FRONT FDR CTRL PWR_J1L 1
3 AM03-011671A CABLE ASSY-AXIS_SENSOR_BD_PW 1
4 AM03-014705A CABLE ASSY-SACO_+24V_RELAY 1
5 AM03-012662A #N/A #N/A
6 AM03-006922B CABLE ASSY-AXIS1_HD_POWER;B 1
7 AM03-007045A CABLE ASSY-CABLE_ASSY-AXIO_BD_2_PWR 1

Page
+$1:+$
194
DECAN
S1
Safety Control Board (5/5)
1
2
3
4
5
BOARD
SAFETY CONTROL
MOLEX 10PIN
CN13
1
4
3
2
5
8
7
6
10
9
1
4
3
2
5
8
7
6
10
9
MOLEX 10PIN
CN32
1
4
3
2
5
8
7
6
10
9
1
4
3
2
5
8
7
6
10
9
1
4
3
2
5
8
7
6
10
9
11
14
13
12
15
18
17
16
19
20
SM511_SC105-1
1
4
3
2
5
8
7
6
10
9
1
4
3
2
5
8
7
6
10
9
SM511_CV126_LT
FEM
READY SW
REM
PW-ON
F-DOOR
FSO
R-DOOR
READY RELAY OUT
RELAY LP
START-SW IN
24G
FFD-SW IN
24G
RFD-SW IN
24G
F_START
24G
R_START
BOARD
CONVEYOR SUB IF
CN7
CN6
44
CN18
22
33
24G
MCA1
11
MC2
MC1
CN19
1
2
3
4
MC2
4
3
2
1
MC3
D-S1_SF008
c
AM03-021644A
22 21
21 A2
22 A2
MC1
MC3
D-S1_SF007
AM03-027507A
I7
SAFETY PLC
AM03-027509A
S1_PW053
AM03-008065A