DECAN_S1_TRM - 第34页
Page +$1:+$ 32 DECAN S1 Docking Cart (5/6) - Option Reference to Air Ass'y ڡۀۀڿۀۍٻڝڼێۀٻڃڟڞڄ 1 1 2 3 3 6 6 2 2 4 5 5 4 10 11 8 7 10 9 8

Page
+$1:+$
31
DECAN
S1
Docking Cart (4/6) - Option
NO. PART NO. PART NAME Q'TY Old No. Reference
1 J91741071A FEEDER_INPUT_EXT_BOARD VER 1.1 1 Version 1.1
2 AM03-015857F ASSY,BOARD-FEEDER IO VER 2.0 1
3 AM03-027217A CABLE ASSY-FRONT FEEDER UNLOCK 1
4 FC09-009675A BRACKET-FDL_R_COVER INNER BKT;STS304_CP 1
5 FC09-009665A BRACKET-REAR_R_SNS_BKT 1
6 AM03-027219A CABLE ASSY-REAR FEEDER UNLOCK 1
7 FC09-009674A BRACKET-FDL_F_COVER INNER BKT;STS304_CP 1
8 FC09-009663A BRACKET-FRONT_R_SNS_BKT 1
9 FC09-009664A BRACKET-FRONT_L_SNS_BKT 1
10 FC09-009666A BRACKET-REAR_L_SNS_BKT 1

Page
+$1:+$
32
DECAN
S1
Docking Cart (5/6) - Option
Reference to Air Ass'y
ڡۀۀڿۀۍٻڝڼێۀٻڃڟڞڄ
1
1
2
3
3
6
6
2
2
4
5 5
4
10
11
8
7
10
9
8

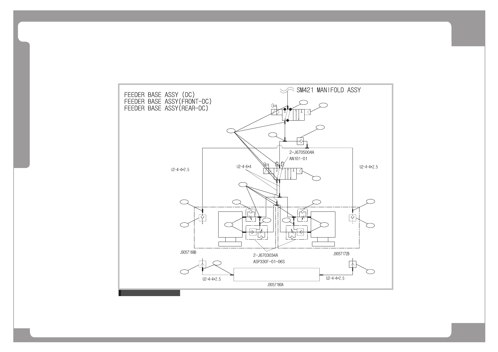
Page
+$1:+$
33
DECAN
S1
Docking Cart (5/6) - Option
NO. PART NO. PART NAME Q'TY Old No. Supply Supply LT Reference
1 FC14-900724 PLUG 2
2 HP06-900027 FITTING [KQ2L04-M5/PL4-M5M/SQL04-M5] 4
3 HP06-900299 COUPLER[KD-M5-SA34697KR] 1
4 HP14-900090 SPEED CON[ASP330F-01-06S] 1
5 HP06-900048 ELBOW FITTING [KQ2L06-M5] 1
6 HP06-900293 ELBOW FITTING[PT18EF] 2
7 FC14-900724 PLUG [PT 1/8] 3
8 J90831149B F_DOCKING_CART_SOL_CABLE_ASSY 1
9 HP14-900092 CHECK VALVE[AKH06-00] 1
10 HP06-900018 FITTING [KQ2U06-00/PY6M] 5
11 HP06-900014 FITTING [KQ2L06-01/PL6-01] 5