DECAN_S1_TRM - 第95页
Page +$1:+$ 93 DECAN S1 Air (3/6) NO. P ART NO. P ART NAME Q'TY Old No. Supply Supply L T Reference 1 2 3 4

Page
+$1:+$
92
DECAN
S1
Air (3/6)
B
HP09-000007
KM11-08-12-10
VACUUM PUMP (AIR OPTION)
MAIN MANIFOLD ASS'Y
STANDARD AIR ASSY
LEFT CABLE DUCT ASSY
HP06-000226
FITTING KQ2R10-12
FC14-900641
PLUG KQ2P-10
FC14-900644
PLUG KQ2P-08
FC14-900644
PLUG KQ2P-08
FC14-900644
PLUG KQ2P-08
FC14-900644
PLUG KQ2P-08
FC14-900644
PLUG KQ2P-08
HP06-900282
KQ2R06-08
HP06-900282
KQ2R06-08
HP06-900282
KQ2R06-08
HP06-900282
KQ2R06-08
U2-4-10*6.5, BLACK
U2-4-4*2.5, BLACK
U2-4-12*8, BLACK
U2-4-8*5, BLACK
U2-4-6*4, BLACK
U2-4-6*4, BALCK
U2-4-6*4, BLACK
U2-4-6*4, BLACK
1
1
3
4
1
1
2
2
2
2
2
B-A
B-C B-C

Page
+$1:+$
93
DECAN
S1
Air (3/6)
NO. PART NO. PART NAME Q'TY Old No. Supply Supply LT Reference
1
2
3
4

Page
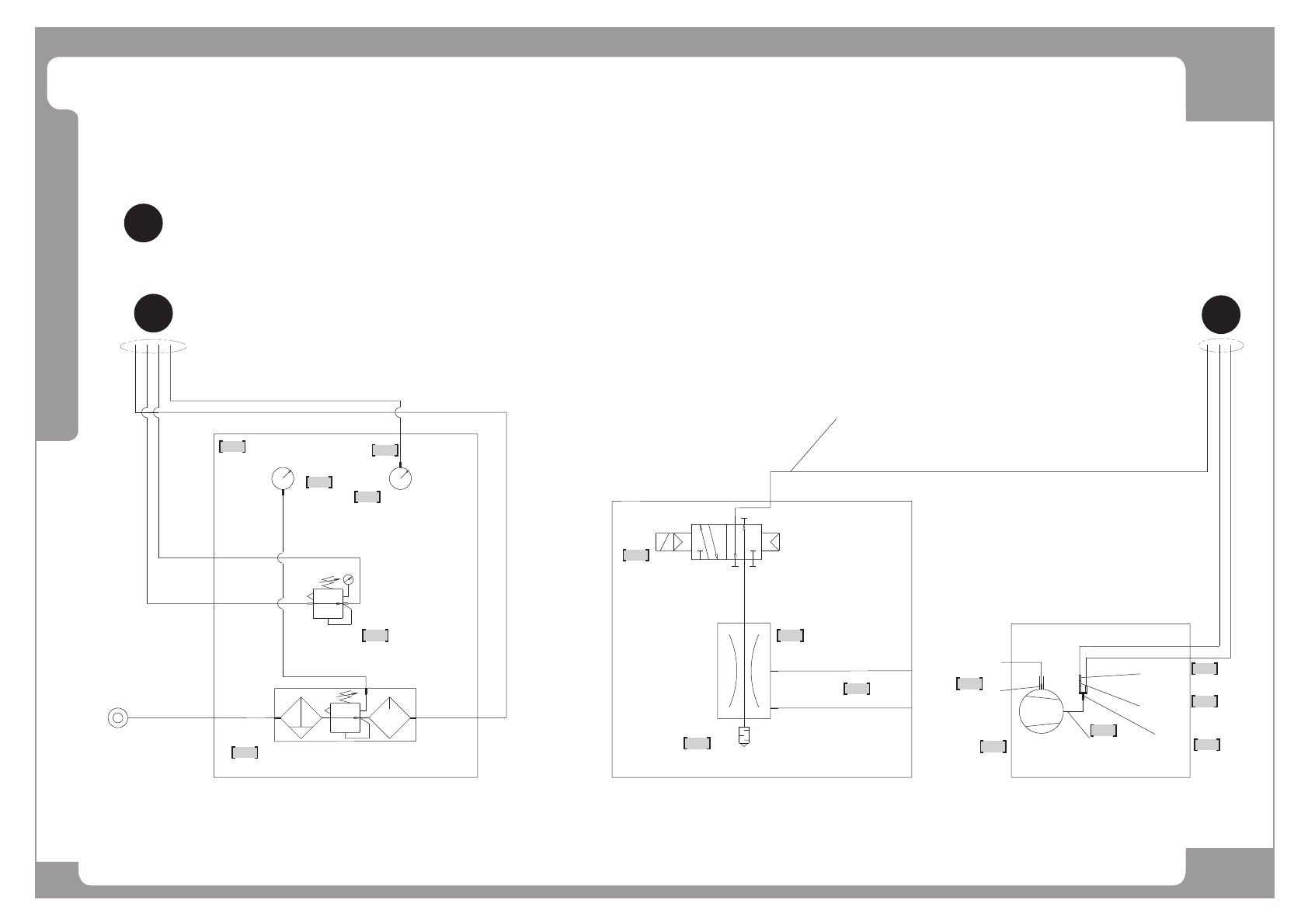
+$1:+$
94
DECAN
S1
Air (4/6)
C
Initial vacuum arrival pressure : Below -93.3 kPa
Replacement standard : -87 kPa
VACUUM PUMP (OPTION)
FRONT AIR PANEL ASS'Y
VACUUM GENERATOR (AIR OPTION)
'a'
'b'
HP11-001019
VACUUM PUMP
KHB200A-304A-G1
HP06-900104
FITTING
KQ2L06-02S
U2-4-6*4(YELLOW)
HP06-900043
FITTING
KQ2F04-01
TE07-900096
ANALOG GAUGE (VACUUM)
GZ46-K-01-C1
HP09-001019
REGULATOR
ARP20-02BG-CJSZ1406
HP04-001016
AIR FILTER
AC30-03D-CJSZ2045
U2-4-12*8 U2-4-12*8
HP09-000150
DIGITAL GAUGE
SPABT-P10-R18-2N-K1-SA
U2-4-4*2.5
HP06-900255
FITTING
KQ2H04-M5
HP11-000074
INJECTOR-P5010.00.AJ.01. (PI48-3)
HP06-000277
KQ2L12-04S
HP06-900041
KQ2L04-01S
'a'
'b'
HP14-000978
SOLENOID VALVE
VUVG_L18_M52
3-DIN908-G1/4
2-QSL-E-1/4-10
VUVG-L18-M52-RT-G14-1H2L
U2-4-6*4, BLACK
U2-4-6*4, YELLOW
U2-4-4*2.5, BLACK
U2-4-12*8, BLACK
U2-4-10*6.5, BALCK
VACUUM GENERATOR (OPTION)
U2-4-10*6.5, BACLK
U2-4-12*8, BACLK
U2-4-4*2.5, BALCK
HP06-00032 4
FITTING
KQ2L
12 -02
AS
HP06-000235
FITTING
KQ2
U12
-00
HP06-900046
FITTING
KQ2
R04
-08
HP06-000234
FITTING
KQ2R08
-12
C-B
C-B
1
2
3
4
5
7
8
9
10
11
12
13
14
15
16
6
00032