SP22P Mechanical20091001 - 第138页
在线预览 SP22P Mechanical20091001 PDF 文档。

1 KXFP4EKAA00 TERMINAL-BLOCK BTBH15CU12 1
2
3
4
5
6
7
8
9
10
11
12
13
14
15
16
17
18
19
20
21
22
23
24
25
26
27
28
29
30
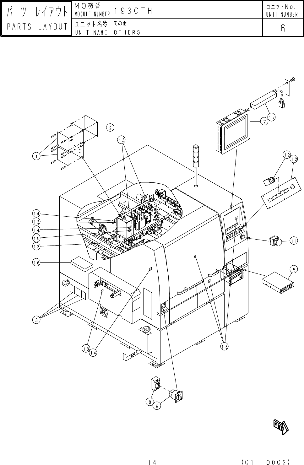
NO
番号
MO機番
ユニット名称
DC電源中継BOX
UNIT NAME
PART NUMBER
品番 部品名 型式 数量 ランク 備考
DC power supply interface box
PART LIST
MODULE NUMBER
パーツリスト
330FC0M0000
5
UNIT NUMBER
ユニットNo.
PART NAME TYPE Q'TY RANK REMARKS
− −13 02 0000−( )


1 EL12EAM0000 PCB 2
2 NF40CAM0000 PARTS 1
3 NF04CAM0000 PCB 3
4
5 31E7S0M0000 FDD FD-235GF-3402 1
6
7 3228E0M0000 TOUCH-PANEL FP-VM-3-MO 1
8 KXFP5YAAA00 ELB EG33B/30-30mA 1
9 39L1C090010 SWITCH BZ-V20C 1
10 KXFP5HMAA00 KEY-BOARD AB12C-6046/DE0 1
11 KXFP02WAA00 SW RPV/K02 2
12 KXFP019AA00 SW AR22PR-220G 2
13 EC68CAM0000 PCB 8
14 EC69CAM0000 PCB 3
15 EC69CBM0000 PCB 1
16 390JC090120 HUB NWKE-H80 1
17 3228E096010 BACK-LIGHT LXF02ZB32BA 1
18
19
20
21
22
23
24
25
26
27
28
29
30
NO
番号
MO機番
ユニット名称
その他
UNIT NAME
PART NUMBER
品番 部品名 型式 数量 ランク 備考
OTHERS
PART LIST
MODULE NUMBER
パーツリスト
193CTHM0000
6
UNIT NUMBER
ユニットNo.
PART NAME TYPE Q'TY RANK REMARKS
− −15 02 0007−( )