SP22P Mechanical20091001 - 第72页
在线预览 SP22P Mechanical20091001 PDF 文档。

1 1937C211041 GUIDE 1
2 1937C211051 PLATE 1
3 1937C211130 PLATE 4
4 1937C211070 STAND 1
5 1937C211230 BLOCK 1
6 1937C211240 PUSHER 1
7 1937C261070 GUIDE 1
8 1937C261090 GUIDE 1
9 KXF063VAA00 BOLT Hexagon socket button head screw M4×8L 8
10 KXF04TFAA00 BOLT Hexagon socket head cap screw M6×45L 30
11 KXF04SJAA00 BOLT Hexagon socket head cap screw M5×60L 6
12 KXF07RKAA00 CYLINDER CQ2B20-40DC 3
13 1937C211260 RIB 1
14 KXF04BEAA00 WASHER Thick washer for M4 2
15 KXF07U2AA00 SPRING DC586 2
16 KXF07GXAA00 SPACER 3382312-80220 2
17 1937C211150 HOLDER 2
18 1937C261060 PLATE 1
19 1937C261140 BRACKET 1
20 1937C211190 STAND 1
21 1937C261130 BRACKET 1
22 1937C261160 BRACKET 2
23 1937C281520 RUBBER-CUSHION C-30-CS-6 2
24
25
26
27
28
29
30
NO
番号
MO機番
ユニット名称
スクリ-ン印刷ヘッド:SP22P-M
UNIT NAME
PART NUMBER
品番 部品名 型式 数量 ランク 備考
Screen printing head:SP22P-M
PART LIST
MODULE NUMBER
パーツリスト
1937C2M0000
6-C
UNIT NUMBER
ユニットNo.
PART NAME TYPE Q'TY RANK REMARKS
− −49 07 0002−( )


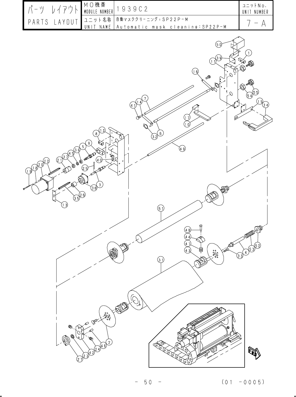
1 1939C211080 BLOCK 1
2 1939C211101 FLANGE 4
3 1939C211122 SHAFT 1
4 1939C211143 SHAFT 2
5 1939C211152 SHAFT 1
6 1939C211250 BAR 1
7 1939C211260 BAR 1
8 1939C211270 BLOCK 1
9 1939C211290 HOUSING 1
10 1939C211310 PLATE 1
11 1939C261024 BRACKET 1
12 1939C261033 BRACKET 1
13 1939C261070 PLATE 1
14 1939C261120 BRACKET 1
15 1939C261142 BRACKET 1
16 1939C261160 BRACKET 1
17 1939C261171 DOG 1
18 KXF02VHAA00 MOTOR M61A6G4L 1
19 KXF04RJAA00 BOLT Hexagon socket head cap screw M4×50L 4
20 KXF01YMAA00 GEAR-HEAD M6GA60B 1
21 KXF07Z5AA00 COUPLING MSF-25-φ8×φ8 1
22 KXF07UKAA00 SPACER BSF-480 4
23 KXF03LMAA00 WASHER SSWA19-3.0 2
24 KXF04KRAA00 SCREW Hexagon socket set screw M5×6L 4
25 KXF08CCAA00 S-PIN Spring pin φ1.6×20L 1
26 KXF02UWAA00 TORQUE-LIMITER OTL8-1500-21 1
27 KXF03G2AA00 BEARING SFB48-12 2
28
29
30
NO
番号
MO機番
ユニット名称
自動マスククリ-ニング:SP22P-M
UNIT NAME
PART NUMBER
品番 部品名 型式 数量 ランク 備考
Automatic mask cleaning:SP22P-M
PART LIST
MODULE NUMBER
パーツリスト
1939C2M0000
7-A
UNIT NUMBER
ユニットNo.
PART NAME TYPE Q'TY RANK REMARKS
− −51 02 0002−( )