DECAN_L2_Technical(Kor_Ver1) - 第162页
Page SAMSUNG TECHWIN 160 DECAN L2 Air (6/6)

Page
SAMSUNG TECHWIN
159
DECAN
L2
Air (5/6)
NO. PART NO. PART NAME Q'TY Old No. Supply Supply LT Reference
1 FC14-900725 PLUG 3/8 2
2 HP06-900202 SQL10-03S 1
3 HP14-900045 VP544-5DZ-03A 1
4 HP06-900204 SQL10-02S 1
5 HP11-000058 P6010-AK-01-LA52SG 1
6 FC28-000105 STRAIGHT NIPPLE 1
7 AM03-000173 ELBOW NIPPLE 1
8 HP11-000193 VACUUM PUMP 1
9 HP06-000250 KQ2VT12-03AS 1
10 HP06-000234 KQ2R08-12 1
11 HP06-900046 KQ2R04-08 1
12 HP03-900044 CQ2B6-2-CJK2341 1
13 HP09-900110 AR1000-M5BG 1
14 FC14-900640 KPT18 1
15 HP03-900009 AQ2A12-30D 1
16 HP06-900263 M-5H-4 1
17 AM02-900001 M-5HLH-4 1
18 HP14-000725 SY3120-5LZ-CJ1Z1876 1
19 HP03-900015 WTS10*30-RS2 1
20 HP14-900083 JNC4-M5 1
21 HP06-900027 FITTING [KQ2L04-M5/PL4-M5M/SQL04-M5] 1 HP06-900047
22 J90561001A BDAS6X5-1A-ZC153A2 1
23 HP14-900085 3-SS4-M5MA 1
24 HP03-900053 TPC1B16-30 1
25 HP03-900040 CM2C32-50 1
26 2-HP06-900056 KQ2L04-01 1
27 HP14-900088 AS1211F-M5-04 1
28 HP06-900264 KQ2L08-01AS 1
29 HP09-900158 AN101-01 1

Page
SAMSUNG TECHWIN
160
DECAN
L2
Air (6/6)

Page
SAMSUNG TECHWIN
161
DECAN
L2
Air (6/6)
NO. PART NO. PART NAME Q'TY Old No. Supply Supply LT Reference
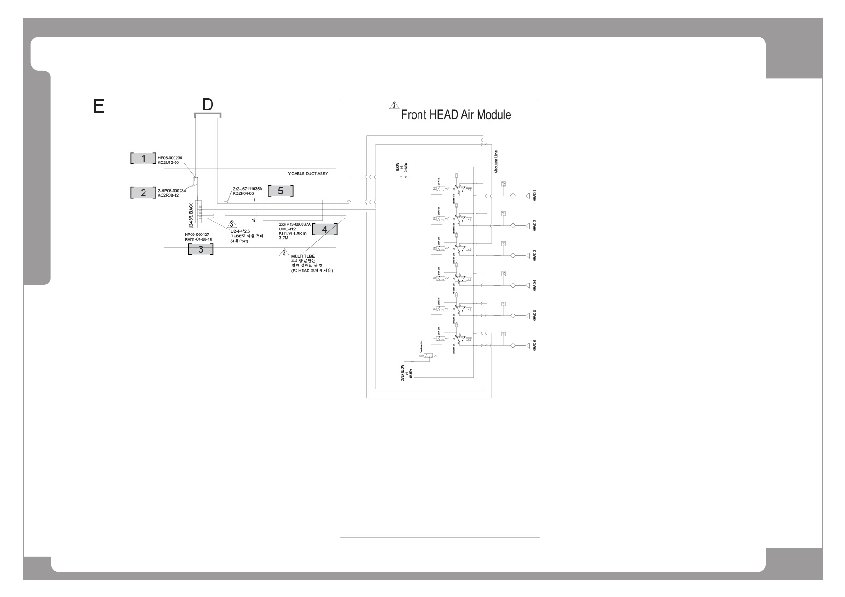
1 HP06-000235 KQ2U12-00 1
2 HP06-000234 KQ2R08-12 1
3 HP09-000127 KM11-04-08-10 1
4 HP13-000037A UML-412 1
5 HP06-900089 KQ2H04-06 1