DECAN_L2_Technical(Kor_Ver1) - 第178页
Page SAMSUNG TECHWIN 176 DECAN L2 Electric Power (3/6)

Page
SAMSUNG TECHWIN
175
DECAN
L2
Electric Power (2/6)
NO. PART NO. PART NAME Q'TY Old No. Supply Supply LT Reference
1 AM03-005497A CABLE ASSY-TB1_MC1 1
2 AM03-005496A CABLE ASSY-BELT_DRV_PW 1
3 AM03-005499A CABLE ASSY-PS1_2_DC_POWER_BD 1
4 AM03-010080A CABLE ASSY-SHUTTLE_WIDTH_PW 1
5 AM03-010945A CABLE ASSY-PS34_AC_PS12_DC_PW_T6L 1
6 AM03-010931A CABLE ASSY-MC1_PS3_PS4_PW_T6L 1
7 AM03-010935A CABLE ASSY-FZ1_FZ10_DC24V_PW 1
8 AM03-010936A CABLE ASSY-RZ1_RZ10_DC24V_PW 1

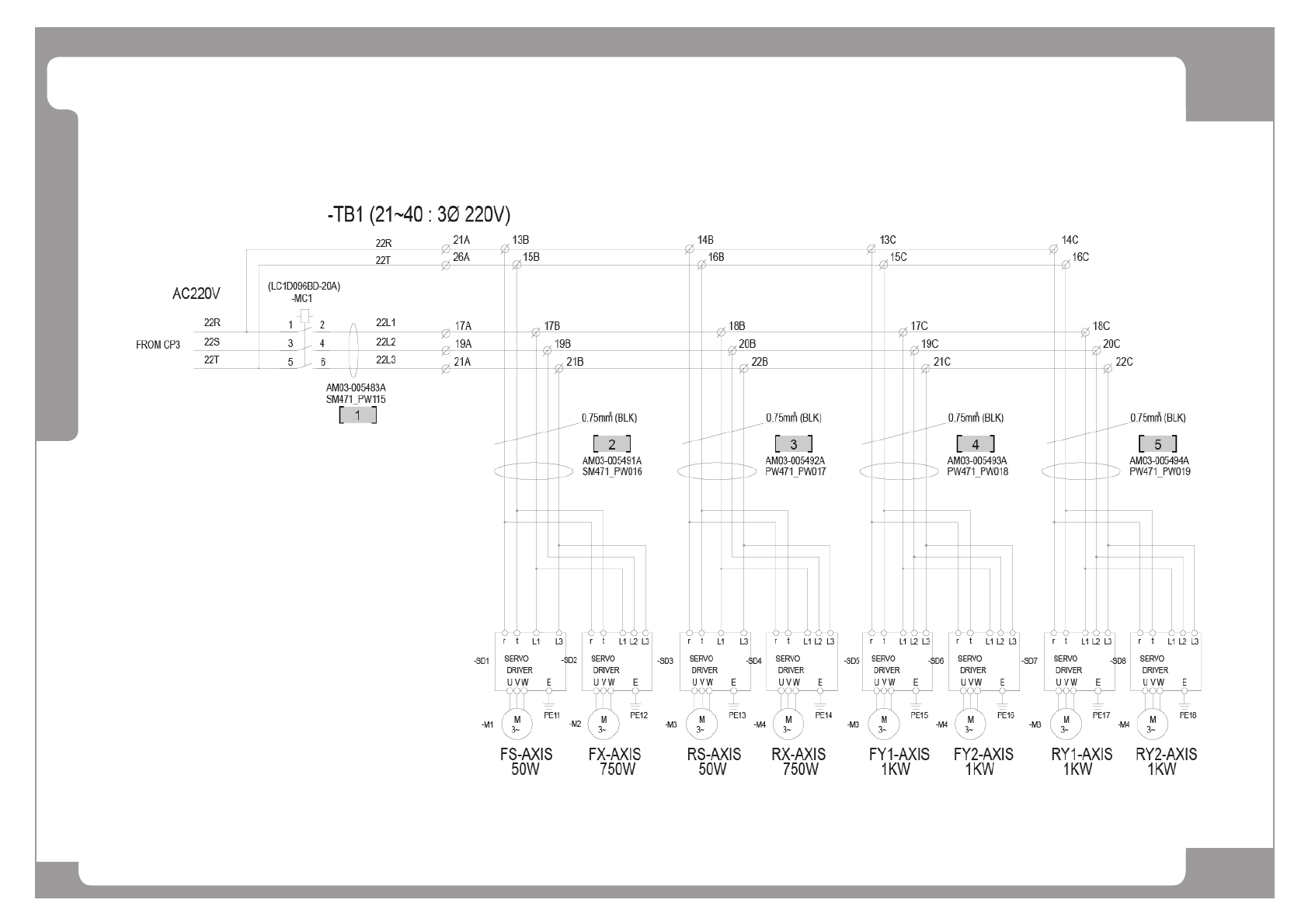
Page
SAMSUNG TECHWIN
176
DECAN
L2
Electric Power (3/6)

Page
SAMSUNG TECHWIN
177
DECAN
L2
Electric Power (3/6)
NO. PART NO. PART NAME Q'TY Old No. Supply Supply LT Reference
1 AM03-005483A CABLE ASSY-CP2_TB1_MC2_CABLE 1
2 AM03-005491A CABLE ASSY-FX,FS SERVO POWER 1
3 AM03-005492A CABLE ASSY-RX,RS SERVO POWER 1
4 AM03-005493A CABLE ASSY-FY1_FY2_SERVO_POWER 1
5 AM03-005494A CABLE ASSY-RY1_RY2_SERVO_POWER 1