N7201A642C03(1)DX操作手册 - 第81页
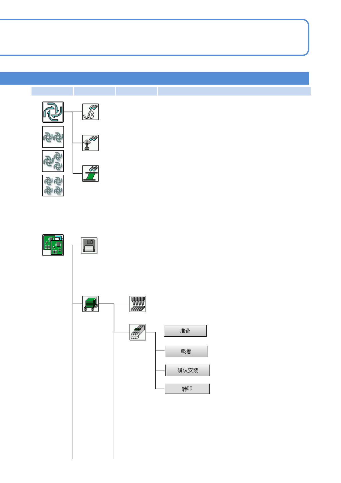
EJM8DC-MB-02C-0 1 第 1 阶层 第 2 阶层 第 3 阶层 第 4 阶层 NPM-DX 2-2-2 -2 准备菜单 供料器 余数监视器 确认生产线上的各工作台的元件用完 信息。 确认吸着状況。 吸着监视器 生产菜单 ( 生产中 ) 状況监视器 显示运转中的生产信息,零部件用完 信息,以及其他的各类信息。 读入机器数据、保存机器参数等文件 操作。 显示各吸嘴位置的机器数据。 准备零部件 吸嘴 确认供料器状态。 ★ 进行转…

EJM8DC-MB-02C-01
第1阶层 第2阶层 第3阶层 第4阶层
NPM-DX
工程师模式 1
2-2-2-1
各部位
名称
菜单构成 1
2-2-2
生产开始
开始自动生产。
生产菜单
(生产前)
条件贴装
主菜单
*1)
*1)
图标 状态
和以下3个都不同时
两侧的基台进行交替生产时
一侧的基台是独立生产、
另一侧的基台是交替生产时
两侧的基台都是独立生产时
*1)
*1)
变更操作模式。
变更操作模式
编辑操作模式。
编辑操作模式
供料器
以图案单位来指定贴装对象。
以贴装点单位来指定贴装对象。
以零部件单位来指定贴装对象。
图案
贴装
贴装头
清除
以贴装头单位来指定贴装对象。
清除已指定的所有条件。
调整用软件开关
为了调试机器,暂时变更操作环境。
*1) 请参考右上的表
★带有标记的图标或按钮,是在搭载了该选购件时才显示。

EJM8DC-MB-02C-01
第1阶层 第2阶层 第3阶层 第4阶层
NPM-DX
2-2-2-2
准备菜单
供料器
余数监视器
确认生产线上的各工作台的元件用完信息。
确认吸着状況。
吸着监视器
生产菜单
(生产中)
状況监视器
显示运转中的生产信息,零部件用完信息,以及其他的各类信息。
读入机器数据、保存机器参数等文件操作。
显示各吸嘴位置的机器数据。
准备零部件
吸嘴
确认供料器状态。
★进行转印单元的操作。
用颜色来显示生产数据和供料器状态。
根据各供料器地址来确认生产中的吸
着位置学习后的补正值。
★带有标记的图标或按钮,是在搭载了该选购件时才显示。
文件操作

EJM8DC-MB-02C-01
第1阶层 第2阶层 第3阶层 第4阶层
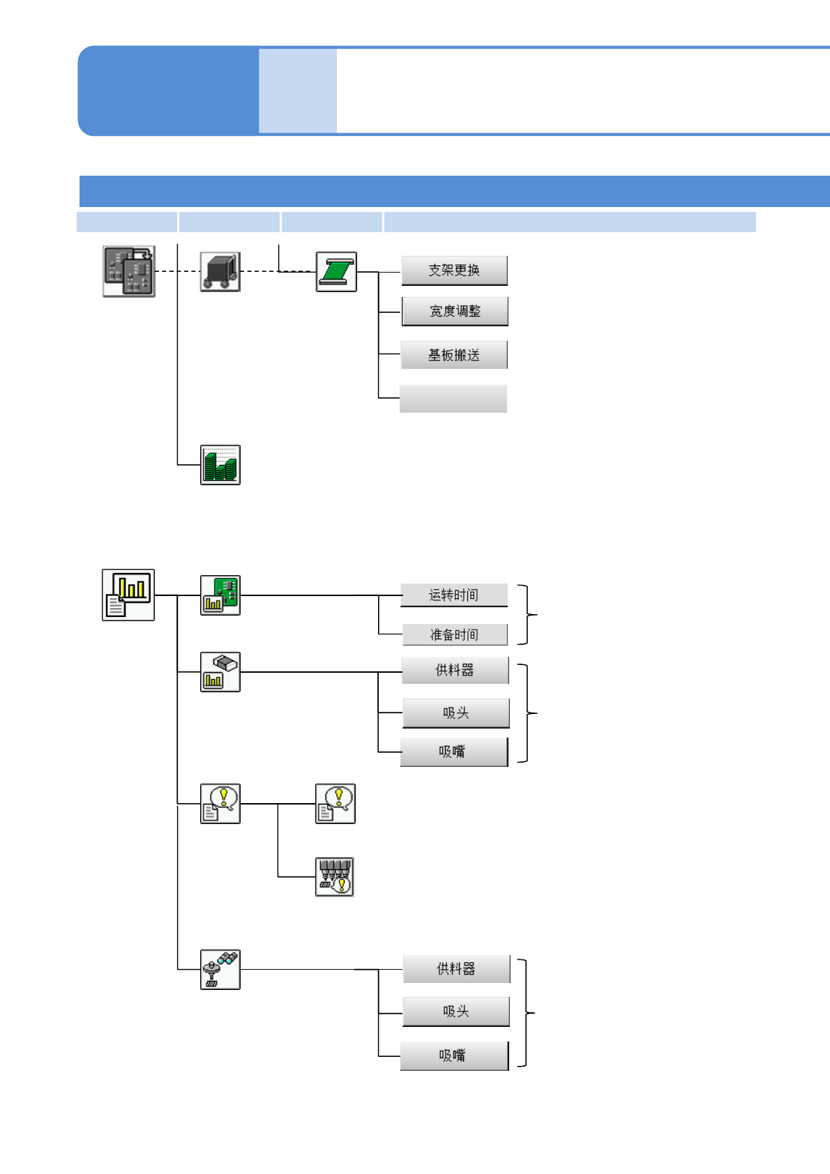
NPM-DX
工程师模式 2
有关紧急停止错误的信息,按照时间的最新顺序可以最多显
示20件。
停止履历
有关自动运转中发生的真空传感器错误的信息,显示最新的
50件。
履历
显示有关元件的吸着信息。
真空传感器错误履历
2-2-2-3
显示各基台的运转时间的信息。
各部位
名称
菜单构成 2
2-2-2
传送带
准备菜单
显示有关元件的吸着信息。
吸着监视器
准备零部件
事先计算生产计划所需的元件消耗量。
生产计划
★进行基板支撑销单元的更换动作。
显示基板位置,从各位置进行传送。
调整轨道宽度。
★进行支撑销(自动更换用)的位置、
数量的确认。
吸着情報
生产信息
菜单
运转信息
支架更换
★带有标记的图标或按钮,是在搭载了该选购件时才显示。