00196101-04_Serviceanleitung Vakuumtest 08-2018_D-E - 第119页
Service manual vacuum check with closed nozzles Page 119 fr om 136 b.) W ith nozzles type 4069 NOM AC T in the vici nity of the loose scr ews op en < nom inal closed < n om inal Loose S cr ews in the vici nity of t…

Service manual vacuum check with closed nozzles
Page
118 from 136
4.2.7.3.8 2 screws on the holding circuit not tightened (screws at 10 & 3; screw at 17 is
tightened).
a.) With nozzles type 4235
ACT
NOM
in the vicinity of the loose
screws
Holding circuit < nominal
in the vicinity of the
loose screws
open < nominal
closed < nominal
Loose Screws

Service manual vacuum check with closed nozzles
Page
119 from 136
b.) With nozzles type 4069
NOM
ACT
in the vicinity of the
loose screws
open < nominal
closed < nominal
Loose Screws
in the vicinity of the loose
screws
Holding circuit < nominal

Service manual vacuum check with closed nozzles
Page
120 from 136
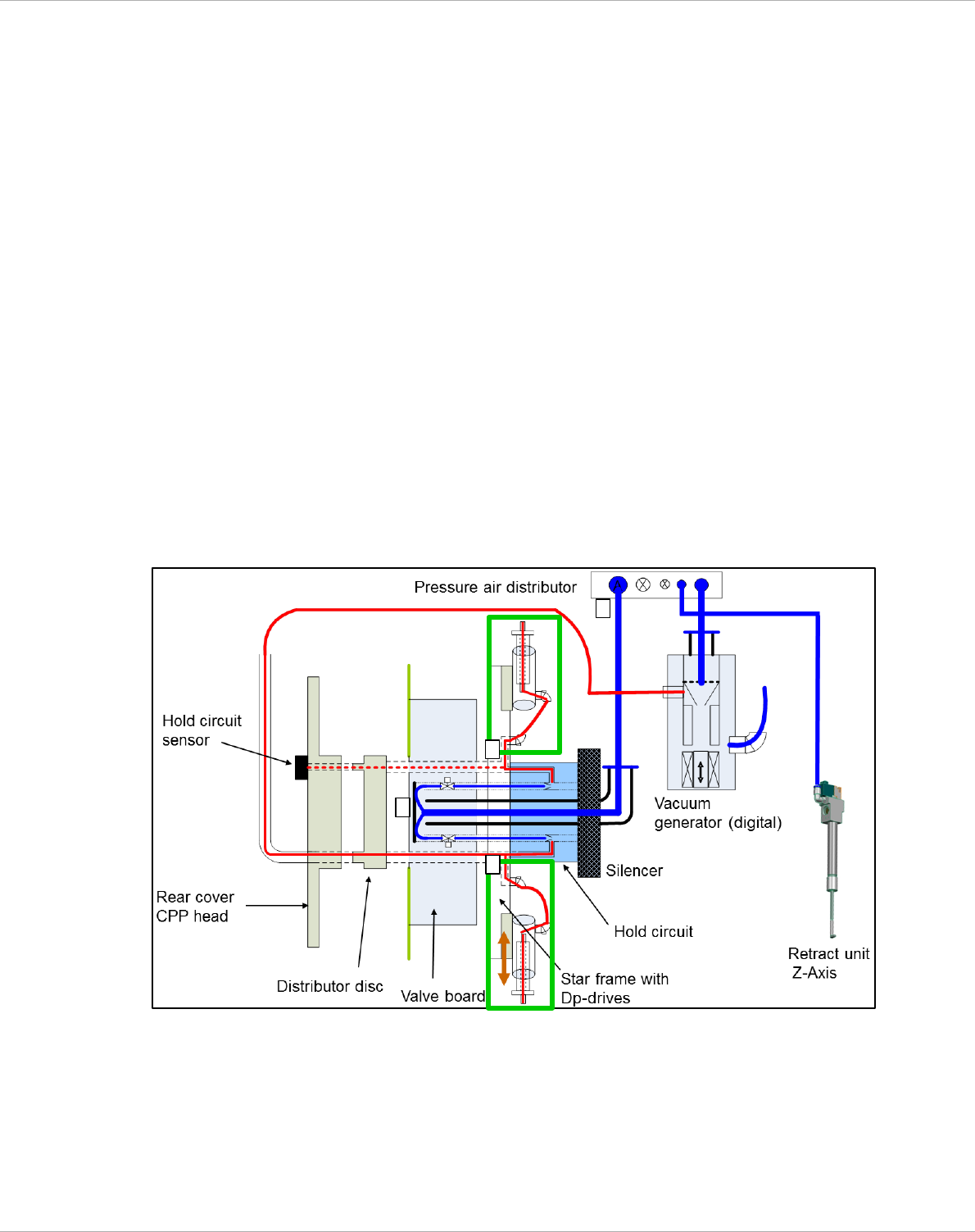
4.3 On CPP heads
Damage or soiling on the holding circuit, the silicone hoses, the filter disk or the nozzle can lead
to leaks or blockages, which can result in malfunctions in the placement process or reduce the
vacuum value in the holding circuit and the placement circuit.
Vacuum test with normal nozzle configuration
In the station software there are two vacuum measurements for the CPP head:
3. open / closed (Pos. B) - measurement is made from the nozzle tip to the pressure control valve.
Vacuum values = pressure control valve + holding circuit
4. holding circuit (Pos. C) - measurement is made from the nozzle tip to the holding circuit sensor.
Vacuum value = holding circuit
The area marked with a green rectangle below, from the holding circuit via the silicone hose into
the DP housing and up to the nozzle is not covered by the normal vacuum test.
Figure 4-10: Schematic illustration of the vacuum system CPP head:
C
A
B
A