DF01-Rev02PDFA - 第33页
- 30 - NOTE ( 注 記 ) #01. ...TH E PUR CHASE UNI T IS TEN. 購入単 位は 10 個です 。 REF .NO NOT E PAR T NO D E S C R I P T I O N 品 名 Qty 1 401-24 614 4G RIN G PALETTE ASS EMBLY 4インチグリ ップリング用 パレット組 1 2 401-24 615 5G RIN G PALETTE AS…

- 29 -
15. OPTION (HEATER)
オプション(ヒータ)
24
24
25
27
28
26
35
36
32
33
A
A
31
37
38
34
29
39
30
15
1
D
D
B
B
6
7 9
10 13
14
16
17
18
19 22
23
C
C
5
2
3
4

- 30 -
NOTE( 注記 ) #01....THE PURCHASE UNIT IS TEN. 購入単位は 10 個です。
REF.NO NOTE PART NO D E S C R I P T I O N
品 名
Qty
1 401-24614 4G RING PALETTE ASSEMBLY
4インチグリップリング用パレット組
1
2 401-24615 5G RING PALETTE ASSEMBLY
5インチグリップリング用パレット組
1
3 401-24616 6G RING PALETTE ASSEMBLY
6インチグリップリング用パレット組
1
4 401-24581 PALETTE ASM
グリップリング用パレット組 Φ 8
1
5 401-24617 2INCHI T PALETTE ASSEMBLY
2インチワッフルトレイ用パレット組
1
6 401-24618 4INCHI T PALETTE ASSEMBLY
4インチワッフルトレイ用パレット組
1
7 401-24619 RUBBER TIP
ラバーチップ (0.3 ∼ 0.5 角 )
1
8 401-23157 RUBBER TIP
ラバーチップ (0.5 ∼ 1.0 角 )
1
9 401-24620 RUBBER TIP
ラバーチップ (1.0 ∼ 2.0 角 )
1
10 401-23158 RUBBER TIP
ラバーチップ (2.0 ∼ 3.0 角 )
1
11 401-24621 RUBBER TIP
ラバーチップ (3.0 ∼ 5.0 角 )
1
12 401-24622 RUBBER TIP
ラバーチップ (5.0 ∼ 8.0 角 )
1
13 401-24623 RUBBER TIP
ラバーチップ (8.0 ∼ 10.0 角 )
1
14
#01
401-24554 NEEDLE
針
1
15 401-24580 CASSETTE ASM
カセット組
1
16 401-24628 WAFER ALIGNMENT JIG
ウェハアライメント治具
1
17 401-24629 LEVEL SET JIG PALETTE
水準出し用治具パレット
1
18 401-24630 6 INCHI F RING PALETTE ASM
6インチフラットリング゙対応パレット組
1
19 401-24631 4 INCHI GRIP RING
4インチグリップリング
1
20 401-24632 5 INCHI GRIP RING
5インチグリップリング
1
21 401-24633 6 INCHI GRIP RING
6インチグリップリング
1
22 401-24634 8 INCHI GRIP RING
8インチグリップリング
1
23 401-24627 GRIP RING REPAPER JIG ASM
グリップリング貼り替え治具組
1
24 - SCREW M2X3
ねじ M2X3
2
25 401-24397 HEATER ASM
ヒータ組
1
26 401-24272 HEATER CABLE SUPPORT
ヒータケーブルサポート
1
27 - BOLT M2X6
六角穴ボルト M 2 X 6
2
28 - WASHER M2
平座金 M 2
2
29 401-24271 THERMOCOUPLE CONNECTOR FIXED PLATE
熱電対コネクタ固定板
1
30 401-24396 THERMOCOUPLE ASM
熱電対組
1
31 - SCREW M4X6
トラスねじ M 4 X 6
1
32 - BOLT M2X12
六角穴ボルト M 2 X 12
2
33 - WASHER M2
平座金 M 2
2
34 401-24494 TEMPERATURE CONTROL RELAY CABLE ASM
温調中継ケーブル組
1
35 - BOLT M2X12
六角穴ボルト M 2 X 12
1
36 - WASHER M2
平座金 M 2
1
37 401-24398 SOLID STATE RELAY
ソリッドステートリレー
1
38 401-24495 HEATER POWER CABLE ASM
ヒーター電源ケーブル組
1
39 401-24273 SW PANEL ASM HEATER OPTION
SW パネル組
1

- 31 -
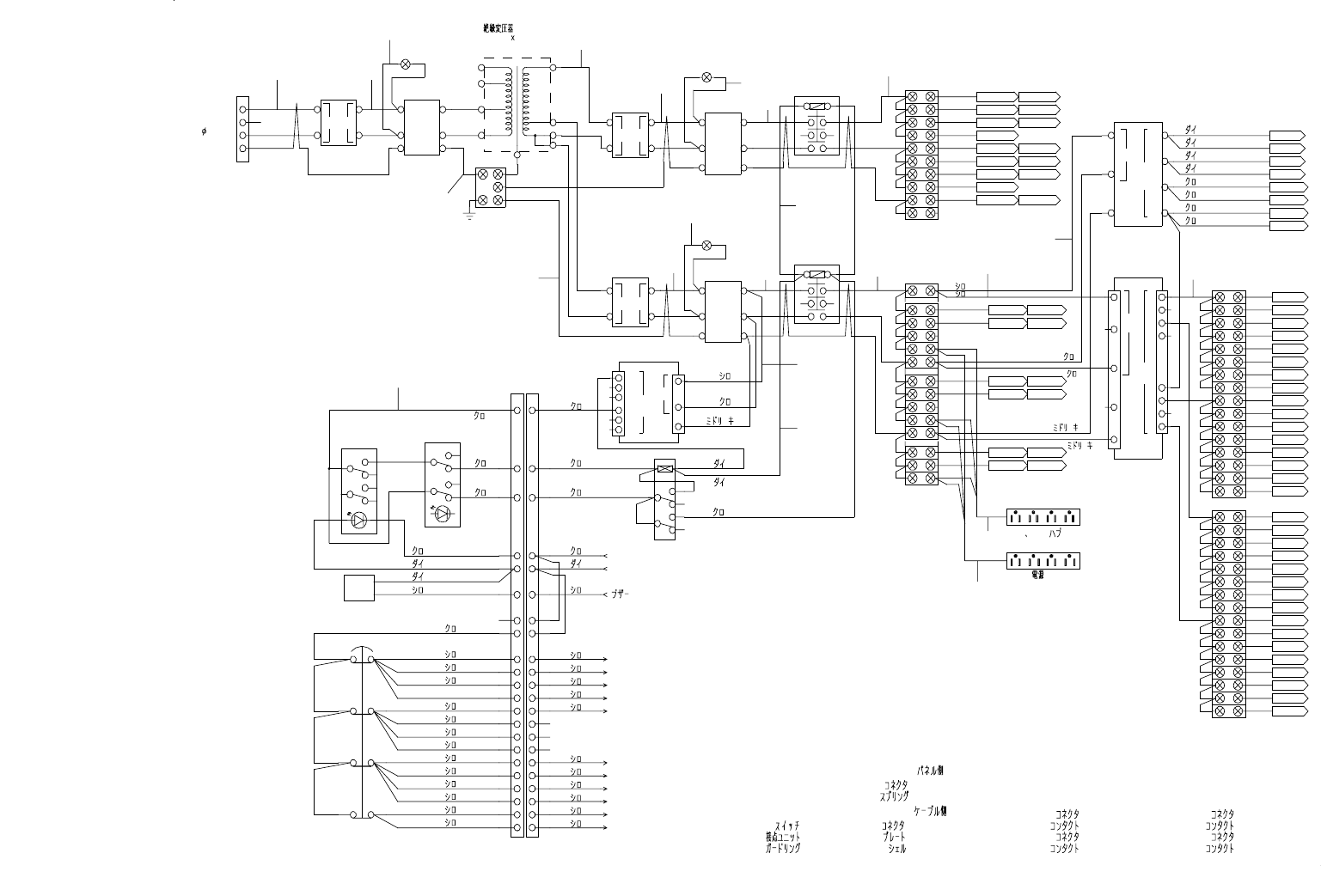
16.SYSTEM DIAGRAM (1)
SYSTEM DIAGRAM(1)
1-11 1-12
2-21 2-22
2-11 2-12
1-21 1-22
10
2
6
9
1
5
1413
COM
NO
NC
COM
NO
NC
COM
NO
NC
COM
NO
NC
L1
L2
L3
T2
T1
L1
L2
L3 T3
T2
T1
NF32-SV-2P-10A-F
NL1
NA2517T-18-3
(to.7/18 A3)
(to.10/18 B3)
(to.13/18 B3)
(to.3/18 B7)
(to.4/18 C4)
BN-8-2-OR
ZTE160 118-61142
NL2
BN-8-2-OR
3
AC200V
CN1
OUTIN
CBK1 NF1
2
1
4
3
IN OUT
CBK2
41
NF2
US-N20
SSR1
TB1
3
1
2
4
L
PS1
+V
NCS-404-R
NF32-SV-2P-20A
NBC-20-472
FG FG
FG
10A-F
NF32-SV-2P-
NAC-16-472
32
FG FG
6
5
8
7
9
ACIN
N
14A
DC24V
-V
+V
NL3
BN-8-1-OR
US-N20
SSR2
10
ML-15-10P
FG
PBA300F-24
-V
OUTIN
CBK3
3
4
2
1
NF3
TB2
1
3
2
NA2517T-18-3
CN1
L+V
ACIN
PS2
CN2
+V
+V
2
1
3
TB3
OPCN1
LGA75A-24
CN2
+V
+V
PS3
NAC-16-472
L
ACIN
CN1
FG FG
6
5
4
8
7
N
+V
-V
4.3A
DC24V
5
6
7
8
4
SW1
ON
SW2
OFF
AWG22
AWG22
-V
+V
-V
-V
3.2A
DC24V
RY1
AWG22
FG
N
/
9
10
11
12
/
/
-V
-V
FG
-V
10
12
11
13
9
-L
-L
+
14
ML-15-14P
13
SC1 WCH2434H
LGA100A-24
15
16
TB4
1
14
A16L-JGM-24D-2
BZ
A16L-JRM-24D-2
AWG24
AWG22
MY4N-D2
SC2 WCH2434H
(LED
)
(PC
USB )
6
4
5
3
2
M2BJ-BH24D-D
EMO
AWG24
11
9
10
8
7
16
15
14
13
12
ML-15-16P
PC-EMR
SVD1-EMR
SVD2-EMR
SVD5-EMR
SVD3-EMR
AC200T7
AC200R7
AC200R6
AC200T6
FG4
AC(N)4
AC(L)4
6
5
1
2
1
3
4
3
5
8
7
6
5
4
3
2
1
5
4
3
2
25 25
SVD6-EMR
240V 200V
R
1
S
2
T
3
FG
4
220V
0V
200V
0V
100V
A1 A2
AC200R1
AC200R3
AC200R5
AC200R4
AC200R2
24V-P
0V
AC200T1
AC200T3
AC200T5
AC200FG1
AC200T4
AC200T2
AC200FG2 0V24P
24V-P
24V-P
0V24P
24V-P
0V24P
0V24P
A1 A2
AC(L)1
AC(L)3
AC(L)2
1
+24V
+24V
+24V
+24V
11
AC(N)3
AC(N)1 AC(N)2
+24V
+24V
+24V
+24V
0V24
22
FG1
FG3
FG2
0V24
0V24
0V24
0V24
0V24
33
0V24
0V24
+24V
+24V
9
7
8
9
7
8
0V24
+24V
+24V
+24V
+24V
+24V
+24V
10
14
11
15
10
14
11
15
MTC1-EMR
+24V
0V24
0V24
0V24
0V24
12
18
17
16
13
12
18
17
16
13
MTC3-EMR
MTC2-EMR
SVD-EMR
0V24
0V24
0V24
0V24
23
22
21
20
19
23
22
21
20
19
24 24
SVD4-EMR
T3
1
2
3
4
5
6
7
8
9
10
11
12
13
14
15
16
17
18
19
20
21
22
23
BVH-21T-P1.1
PS3-CN1
:VHR-5N (JST)
PS3-CN2
:
:
:
BVH-21T-P1.1
VHR-6N (JST)VHR-8N (JST)
BVH-21T-P1.1
:
:
:
PS2-CN2
VHR-5N (JST)
:PS2-CN1
BVH-21T-P1.1
EMO
:A22-02
:A22Z-EG1
:A22E-M-02
:DB-25PF-N(JAE)
OPCN1
:D110277
:D110278
:DB-25SF-N(JAE)
:DB20962R