DF01-Rev02PDFA - 第42页
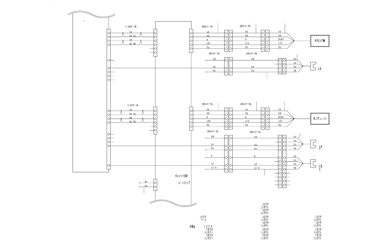
- 39 - 20. SYSTEM DI AGRAM (5) SYST EM DIA GRAM(5 ) S S3FUR -26-6 / SS 3FUR- 26-6 / M4- 2 SS 3FUR- 26-6 SS 3FUR- 26-6 JPH3-2 SS 3FUR- 24-6 M4- 2 SS 3FUR- 24-6 M3- 2 SS 3FUR- 24-6 02 K-S5 23W M3 M3 SS 3FUR- 24-6 PH 8 JPH3…

- 38 -
REF.NO NOTE PART NO D E S C R I P T I O N
品 名
Qty
1 401-24425 SV-DRV2 DRIVE POWER CABLE ASM
SV − DRV 2駆動電源ケーブル組
1
2 401-24426 SV-DRV2 CONTROL POWER CABLE ASM
SV − DRV 2制御電源ケーブル組
1
3 401-24376 M2 MOTOR CABLE ASM
M 2モーターケーブル組
1
4 401-24380 M2 ENCODER CABLE ASM
M 2エンコーダケーブル組
1
5 401-24427 M2 SENSOR CABLE ASM
M 2センサケーブル組
1

- 39 -
20. SYSTEM DIAGRAM (5)
SYSTEM DIAGRAM(5)
SS3FUR-26-6
/
SS3FUR-26-6
/
M4-2
SS3FUR-26-6
SS3FUR-26-6
JPH3-2
SS3FUR-24-6
M4-2
SS3FUR-24-6
M3-2
SS3FUR-24-6
02K-S523W
M3
M3
SS3FUR-24-6
PH8
JPH3
ON
ORG3
04K-S525
M4
M4
PH9
JPH4
CW_LIM4
ON
PH10
(
)
CCW_LIM4
ON
( )
/
/
/
/
NAVCSB-25-2P
NAVCSB-25-2P
MOT2
SIG2
CN1
(
)
(0.8A)
DSW1:1
DSW2:4
DSW3:1
DSW4:4
AWG20
DSW5:1
DSW6:4
MT
CONT1
USPG-48
CTDR-0514-3Z
PM-DRV1
CN3 SIG1 MOT1
66
11
5
4
2
3
5
3
2
4
3
2
11
3
2
11
5
3
2
4
5
4
2
3
11
4
2
3
5
3
2
4
5
33
22
11
44
44
3
2
3
2
11
99
8
7
8
7
6
5
6
5
1212
11
10
11
10
DIR-3
14 1
CW+
1
11
PULSE-3*
17
DIR-3*
15
PULSE-3
16
2
CW-
3
CCW+
4
CCW-
5
H.O+
6
H.O-
2
3
4
5
4
2
33
2
4
55
ORG-3
3
+COM
1
-COM1
8
+24V
-LM-3
5
+LM-3
4
0V24
DIR-4
32
DIR-4*
33
PULSE-4
34
PULSE-4*
35
2
CW-
1
CW+
3
CCW+
4
CCW-
5
H.O+
3
2
1
5
4
2
3
11
3
2
4
55
4
+LM-4
22
+COM1
19
-COM1
26
6
H.O-
+24V
ORG-4
21
-LM-4
23
+24V
0V24
1
+24V
0V24
+24VP
0V24P
2
0V
1
2
3
4
9
10
5
6
11
7
8
MT-CONT1 :10136-3000PE(3M) JPH3
M4,4-2
M3,3-2
:DF1B-4ES-2.5RC(HRS)
DF1B-2428PC
:
:DF1B-5EP-2.5RC(HRS)
:
:
DF1B-5ES-2.5RC(HRS)
DF1B-2428SC
JP H4 DF1B-12DES-2.5RC(HRS)
:
PM-DRV1
SIG1,2
MOT1,2
CN1
:10336-52F0-008(3M)CN3
(
)
:BVH-21T-P1.1
:XAP-06V-1
:VHR-5N
:VHR-2N
JPH3-2
:
:
:
:
DF1B-3ES-2.5RC(HRS)
DF1B-3EP-2.5RC(HRS)
DF1B-2428PC
DF1B-2428SC
:
:
DF1B-2428SC
DF1B-4EP-2.5RC(HRS)
JPH4-2
DF1B-6EP-2.5RC(HRS)
DF1B-6ES-2.5RC(HRS)
DF1B-2428SC
DF1B-2428PC
:
:
:
:
DF1B-12DEP-2.5RC(HRS)
DF1B-2428SC
:
:
:BXA-001T-P0.6 DF1B-2428PC: DF1B-2428PC:

- 40 -
REF.NO NOTE PART NO D E S C R I P T I O N
品 名
Qty
1 401-24428 PM-DRV POWER CABLE ASM
PM − DRV 電源ケーブル組
1
2 401-24318 M3 MOTOR CABLE ASM
M 3モーターケーブル組
1
3 401-24429 M3 MOTOR ASM
M 3モーター組
1
4 401-24430 M3 SENSOR ASM
M 3センサ組
1
5 401-24320 M4 MOTOR CABLE ASM
M 4モーターケーブル組
1
6 401-24431 M4 MOTOR ASM
M 4モーター組
1
7 401-24432 M4 SENSOR ASM
M 4センサ組
1
8 401-24487 M3 MOTOR RELAY CABLE ASM
M 3モータ中継ケーブル組
1
9 401-24319 M3 SENSOR RELAY CABLE ASM
M 3センサ中継ケーブル組
1
10 401-24488 M4 MOTOR RELAY CABLE ASM
M 4モータ中継ケーブル組
1
11 401-24321 M4 SENSOR RELAY CABLE ASM
M 4センサ中継ケーブル組
1