DF01-Rev02PDFA - 第45页
- 42 - REF. NO NOT E PART NO D E S C R I P T I O N 品 名 Qty 1 4 01-24 433 M5 MOT OR CA BLE AS M M 5モーターケー ブル組 1 2 4 01-24434 M5 M OTOR A SM M 5モーター組 1 3 401- 24435 M5 SE NSOR AS M M 5センサ組 1 4 401 - 2 4436 SV-DR V3 DRIVE P…

- 41 -
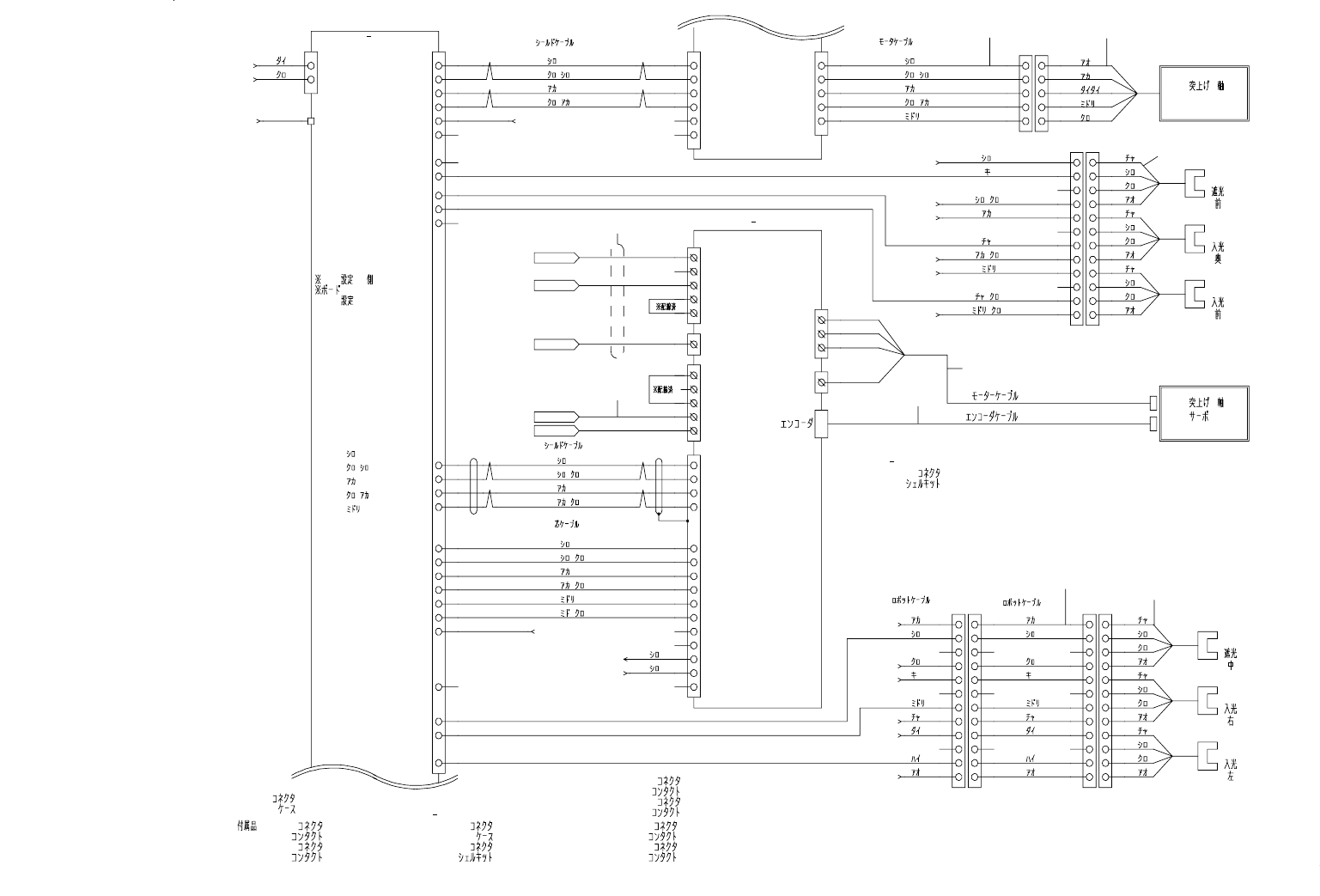
21. SYSTEM DIAGRAM (6)
SYSTEM DIAGRAM(6)
SS3FUR-24-10
AWG22
SS3FUR-24-10
JPH6-2
JPH6
PH15
(
)
PH14
ORG6
ON
PH16
(
)
CW_LIM6
ON
( )
CCW_LIM6
ON
(to.2/18 E3)
NAVCSB-25-2P
/
/
/
NAVC-25-3P
/
6
/
NAVC-25-3P
/
/
ON
/
/
/
/
NAVC-27-5P
MR-J4-10A
CNP1
PE
CNP2
CN1
(to.3/18 B7)
(to.2/18 E3)
(to.3/18 D4)
SV DRV3
PM-DRV1
CN1
USPG-48
MT
CONT2
CN2
NAVCSB-25-2P
SIG3
CTDR-0514-3Z
MOT3
NAVC-23-3P
M5
/
/
/
/
1K-S543
Y
M5
JPH5
PH11
ORG5
(
)
ON
(
)
CW_LIM5
PH12
PH13
JP1 :B
No:1
BSN2:OFF
BSN3:OFF
BSN1:OFF
BSN0:ON
SW1
CNP3
CCW_LIM5
(
)
ON
PE
CN2
: MR-PWS1CBL5M-A1-L M 6
X
: MR-J3ENCBL5M-A1-L AC 50W
HG-KR053
1
22
1
6
3
4
5
7
6
3
4
5
7
11
8
9
10
12
11
8
9
10
12
SVD3-ERR
INP
24
RD
49
RES
19
SON
15
DICOM
20
DOCOM
46
ALM
48
LSN
44
LSP
43
EMG
42
3
LG
W
FG
U
V
SVD3-L1
SVD3-L2
L3
P1
L2
L1
SVD3-FG
FG
P2
C
D
L11
L21
P
AC200R5
AC200T5
SVD3-ALM
SVD3-EMR
6
1
2
3
4
5
6
3
2
1
4
5
11
8
7
9
10
11
8
7
9
10
12 12
3
2
1
4
1
2
3
4
8
7
6
9
8
7
6
9
55
12
11
12
11
1010
+24V
1
+24V
2
0V
PULSE-1
16
14
DIR-1
DIR-1*
15
1
CW+
2
CW-
3
CCW+
1
2
3
2
3
1
3
2
1
0V24
MT-CONT2
PULSE-1*
17
ESTP
2
IN0-1
9
+COM1
1
MTC2-EMR
4
CCW-
5
H.O+
6
H.O-
4
5
4
55
4
+LM-1
4
ORG-1
3
-COM1
8
-LM-1
5
+24V
0V24
+24V
0V24
+24V
0V24
32
DIR-2
DIR-2*
33
PULSE-2
34 11
CCW+
7
CW+
8
CW-
DRIVE-2*
24
DRET-2*
25
PULSE-2*
35 12
CCW-
DERR-2*
30
DEND-2*
29
IN0-2*
27
GND
36
+24V
ORG-2
21
+COM1
19
-COM1
26
0V24
+24V
+LM-2
22
-LM-2
23
0V24
+24V
0V24
45
7
6
2
1
3
9
8
PM-DRV1
CN2
MT-CONT2
(
)
:10136-3000PE(3M)
:10336-52F0-008(3M)
:BVH-21T-P1.1
:VHR-5NMOT3
:XAP-06V-1SIG3
SV
DRV3
:10150-3000PE(3M)
:10350-52F0-008
CN1
CN2
:36210-0100PL(3M)
:BXA-001T-P0.6 :36310-3200-008 :
M5
DF1B-2428PC
DF1B-5EP-2.5RC(HRS)
DF1B-5ES-2.5RC(HRS)
DF1B-2022SC
:
:
:
:
DF1B-12DES-2.5RC(HRS)
:
DF1B-12DEP-2.5RC(HRS)
DF1B-2428SC
:
:
JPH5,6
JPH6-2
DF1B-2428PC
:36310-3200-008
SV DRV2 CN2
:36210-0100PL(3M)

- 42 -
REF.NO NOTE PART NO D E S C R I P T I O N
品 名
Qty
1 401-24433 M5 MOTOR CABLE ASM
M 5モーターケーブル組
1
2 401-24434 M5 MOTOR ASM
M 5モーター組
1
3 401-24435 M5 SENSOR ASM
M 5センサ組
1
4 401-24436 SV-DRV3 DRIVE POWER CABLE ASM
SV − DRV 3駆動電源ケーブル組
1
5 401-24437 SV-DRV3 CONTROL POWER CABLE ASM
SV − DRV 3制御電源ケーブル組
1
6 401-24377 M6 MOTOR CABLE ASM
M 6モーターケーブル組
1
7 401-24381 M6 ENCODER CABLE ASM
M 6エンコーダケーブル組
1
8 401-24438 M6 SENSOR ASM
M 6センサ組
1
9 401-24489 M6 SENSOR RELAY CABLE ASM
M 6センサ中継ケーブル組
1

- 43 -
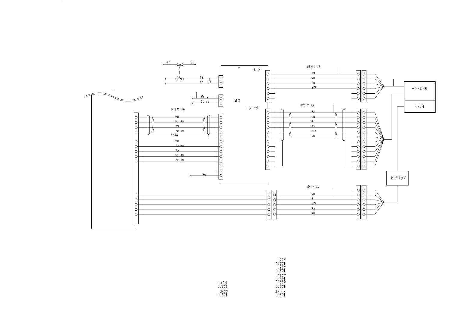
22. SYSTEM DIAGRAM (7)
SYSTEM DIAGRAM(7)
1314
812
AWG24
JPH7
(to.2/18 F3)
(to.14/18 D6)
SS3FUR-26-6
SS3FUR-24-6
NSVCSB-25-2P
/
/
/
/
NAVC-25-3P
/
MT CONT2
USPG-48
CN3
AWG26
M7
CN3
TA8410N7318E936
SV
DRV4
CN1
AWG26
G3FD-X03SN
RY3
+
TS4861N4020E500
M7
CN2
AWG20
E7
NA3HRSB-24-3P
CN5
CN7
SEN7
AWG24
11
22
33
44
55
1
GND
+24V SVD4-EMR
2
DC24V
1
GND
3
2
1A1
A2
A3
A1
A2
A3
+24VP
0V24P
+24V
0V24
1
+24V
5
4
6
5
B1 B1
B2
B3
B2
B3
PULSE-3*
17
PULSE-3
16
DIR-3*
15
14
DIR-3
0V24
3
R-PLS+
5
F-PLS+
6
F-PLS-
4
R-PLS-
A1
A2
B1
A3
B2
A1
A2
A3
B2
B1
B2
B1
A3
A2
A1
DRIVE-3*
6
DERR-3*
12
DEND-3*
11
DRET-3*
7
ALM
15
SV-ON
13
INP
14
ALM-RST
10
A5
A4
B3
B4
B5
A5
A4
B5
B4
B3B3
B4
B5
A5
A4
GND
18
9
C-RST
11
R-LMT
12
F-LMT
7
GND
A6
B6
A6
B6B6
A6
ORG-3
3
+LM-3
4
-LM-3
5
SVD4_CRST
44
33
22
11
-COM1
8
+COM1
1
66
55
1
2
3
4
5
M7 DF1B-4ES-2.5RC(HRS)
DF1B-2428SC
DF1B-4EP-2.5RC(HRS)
:
:
:
SV-DRV4
SV-DRV4
:1-1318118-6(AMP)
CN3
:5557-06R
:5556TL
E7
SEN7
:
:
:
:
DF1B-2428SC
DF1B-6ES-2.5RC(HRS)
DF1B-6EP-2.5RC(HRS)
DF1B-2428PC
:43025-0600
DF1B-2428PC
:
CN5
:1318108-1 :43030-0007