DF01-Rev02PDFA - 第48页
- 45 - 23. SYSTEM DI AGRAM (8) SYST EM DIA GRAM(8 ) 10 / / / 6 N AVC-2 5-3P / NAV CSB-2 5-2P / CN3 US PG-48 MT CON T2 N AVC-27-5 P / JPH8 NAS EU-28-3 PH20 ON ORG8 ( ) / PH21 ON CW _LIM8 ( ) / / PH22 ON CC W_LIM8 ( ) (to …

- 44 -
REF.NO NOTE PART NO D E S C R I P T I O N
品 名
Qty
1 401-24439 SV-DRV CONTROL POWER CABLE ASM
SV − DRV 制御電源ケーブル組
1
2 401-24351 M7 MOTOR CABLE ASM
M 7モーターケーブル組
1
3 401-24352 M7 ENCODER CABLE ASM
M 7エンコーダケーブル組
1
4 401-24353 M7 SENSOR RELAY CABLE ASM
M 7センサ中継ケーブル組
1
5 401-24349 M7 UNIT ASM
M 7ユニット組
1

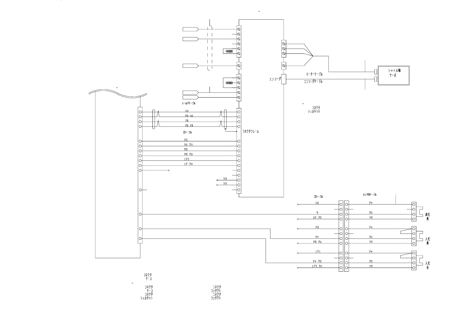
- 45 -
23. SYSTEM DIAGRAM (8)
SYSTEM DIAGRAM(8)
10
/
/
/
6
NAVC-25-3P
/
NAVCSB-25-2P
/
CN3
USPG-48
MT
CONT2
NAVC-27-5P
/
JPH8
NASEU-28-3
PH20
ON
ORG8
(
)
/
PH21
ON
CW_LIM8
(
)
/
/
PH22
ON
CCW_LIM8
(
)
(to.3/18 D4)
(to.2/18 F3)
(to.3/18 B7)
CN1
CNP2
CN2
:
:
MR-J3ENCBL2M-A1-L
MR-PWS1CBL2M-A1-L
E8
HG-KR053
AC 50W
PE
PE
M8
M8
CNP1
CNP3
SV
DRV5
MR-J4-10A
L1
SVD5-L1
SVD5-L2
P2
P1
N
L3
L2
V
W
U
SVD5-FG
P
FG FG
AC200R6
L21
L11
D
C
PULSE-4*
35
DIR-4*
33
32
DIR-4
PULSE-4
34
AC200T6
NP
35
36
NG
PP
10
PG
11
DRET-4*
25
DRIVE-4*
24
RES
19
SON
15
DICOM
20
DEND-4*
29
IN0-4*
27
DERR-4*
30
LSP
43
LSN
44
RD
49
DOCOM
46
INP
24
GND
36
SVD5-ERR
SVD5-EMR
SVD5-ALM
3
LG
EMG
42
ALM
48
11 +
+LM-4
22
ORG-4
21
+COM1
19
-COM1
26
0V24
+24V
22
44
33
55 +
-
OUT
L
-LM-4
23
0V24
+24V
66
7
8
7
8
99+
-
OUT
L
0V24
+24V
1010
11
12
11
12 -
OUT
L
12
34
5
MT-CONT2
CN3
SV
DRV3
CN2
CN1
:10336-52F0-008(3M)
:36210-0100PL(3M)
:10350-52F0-008
:10150-3000PE(3M)
:10136-3000PE(3M)
JPH8
:
:
:
DF1B-12DES-2.5RC(HRS)
DF1B-12DEP-2.5RC(HRS)
DF1B-2428SC
:36310-3200-008 :DF1B-2428PC
:36210-0100PL(3M)
:36310-3200-008
SV DRV5 CN2

- 46 -
REF.NO NOTE PART NO D E S C R I P T I O N
品 名
Qty
1 401-24440 SV-DRV5 DRIVE POWER CABLE ASM
SV − DRV 5駆動電源ケーブル組
1
2 401-24441 SV-DRV5 CONTROL POWER CABLE ASM
SV − DRV 5制御電源ケーブル組
1
3 401-24378 M8 MOTOR CABLE ASM
M 8モーターケーブル組
1
4 401-24382 M8 ENCODER CABLE ASM
M 8エンコーダケーブル組
1
5 401-24442 M8 SENSOR CABLE ASM
M 8センサケーブル組
1