DF01-Rev02PDFA - 第54页
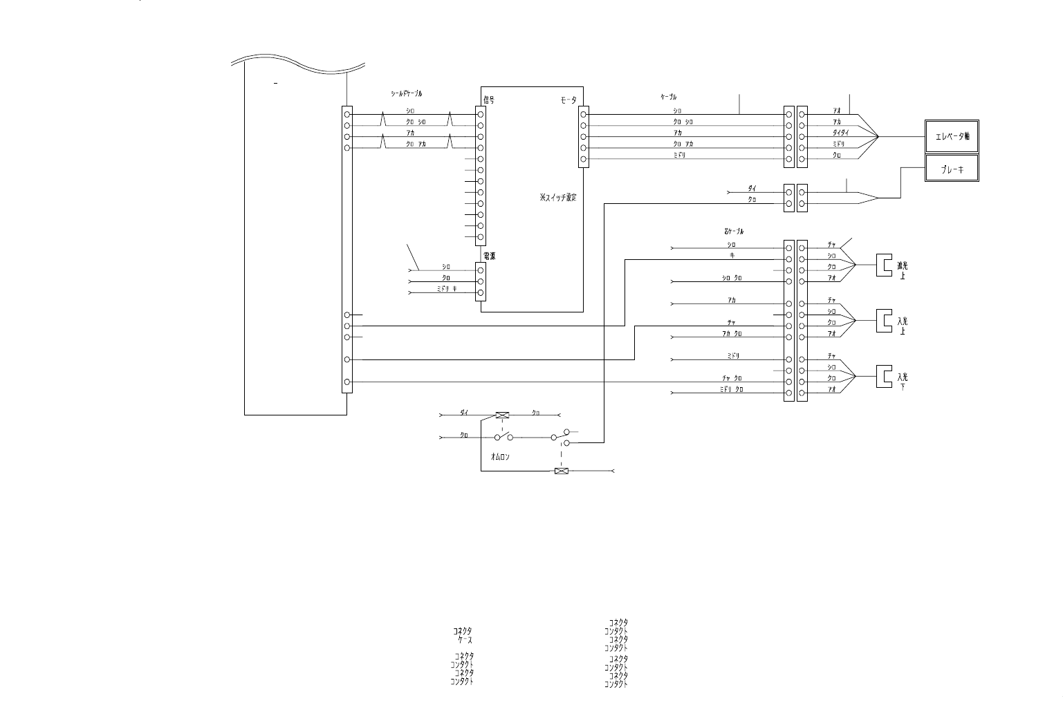
- 51 - 26. SYSTEM DI AGRAM (11) SYST EM DIA GRAM(1 1) 8 12 13 14 4 2 3 5 1 DF1B-2 ES-2.5RC(HRS) : BK12 DF1B-1 2DEP-2.5RC(HRS) DF1B-1 2DES-2.5RC(HRS) DF1B-2 EP-2.5RC(HRS) DF1B-2 022SC DF1B-2 022PC DF1B-2 428SC : : : : : :…

- 50 -
REF.NO NOTE PART NO D E S C R I P T I O N
品 名
Qty
1 401-24354 M11 MOTOR CABLE ASM
M 11モーターケーブル組
1
2 401-24355 M11 ENCODER CABLE ASM
M 11エンコーダケーブル組
1
3 401-24356 M11 SENSOR RELAY CABLE ASM
M 11センサ中継ケーブル組
1
4 401-24350 M11 UNIT ASM
M 11ユニット組
1

- 51 -
26. SYSTEM DIAGRAM (11)
SYSTEM DIAGRAM(11)
812
1314
4
2
3
51
DF1B-2ES-2.5RC(HRS)
:BK12
DF1B-12DEP-2.5RC(HRS)
DF1B-12DES-2.5RC(HRS)
DF1B-2EP-2.5RC(HRS)
DF1B-2022SC
DF1B-2022PC
DF1B-2428SC
:
:
:
:
:
:JPH12
:10336-52F0-008(3M)
:10136-3000PE(3M)
DF1B-5ES-2.5RC(HRS)
DF1B-5EP-2.5RC(HRS)
DF1B-2022SC
CN3
MT-CONT3
M12
:
:
:
DF1B-2428PC
:
DF1B-2022PC
:
(
)
G3FD-X03SN
AWG22
RY2
AWG26 AWG26
(to.14/18 D6)
G7T-112S
+
21K-G596W
/
NA2517T-18-3
10
NSVCSB-25-2P
NAVC-27-5P
JPH12
PH28
ORG2
ON
/
PH29
(
)
CW_LIM2
ON
/
/
PH30
(
)
CCW_LIM2
ON
/
( )
CTDR-5528(F)
PM-DRV3
NAVC-23-3P
M12
/
/ /
/
M12
M2:0
M1:0
AWG22
BK12
2/1CK:OFF
L/HV:OFF
C.D:OFF
N/S:OFF
STOP:5
RUN:C
TEST:OFF
USPG-48
MT
CONT3
CN3
0V24P
+24V BK
RY7
EMR-BK
55
9
8
9
8
6
7
6
7
1212
10
11
10
11
11
44
2
3
2
3
DIR-4
32
DIR-4*
33
1
CW+
2
CW-
1
2
1
2
1
2
PULSE-4
34
PULSE-4*
35
3
CCW+
4
CCW-
5
C.D+
6
C.D-
7
H.O+
5
4
33
5
4
3
4
5
9
D.S+
10
D.S-
11
Z.P+
8
H.O-
12
Z.P-
24V-P
1
22
1
AC(L)1
1
100V(L)
2
100V(N)
3
FG
+24V
+COM1
19
-COM1
26
ORG-4
21
FG1
AC(N)1
+24V
0V24
+LM-4
22
-LM-4
23
+24V
0V24
0V24
1
2
3
4
5

- 52 -
REF.NO NOTE PART NO D E S C R I P T I O N
品 名
Qty
1 401-24449 PM-DRV3 POWER CABLE ASM
PM − DRV 3電源ケーブル組
1
2 401-24450 M12 MOTOR CABLE ASM
M 12モーターケーブル組
1
3 401-24451 M12 MOTOR ASM
M 12モーター組
1
4 401-24452 M12 BRAKE ASM
M 12ブレーキ組
1
5 401-24453 M12 SENSOR ASM
M 12センサ組
1