FX-3R-Rev04 - 第171页
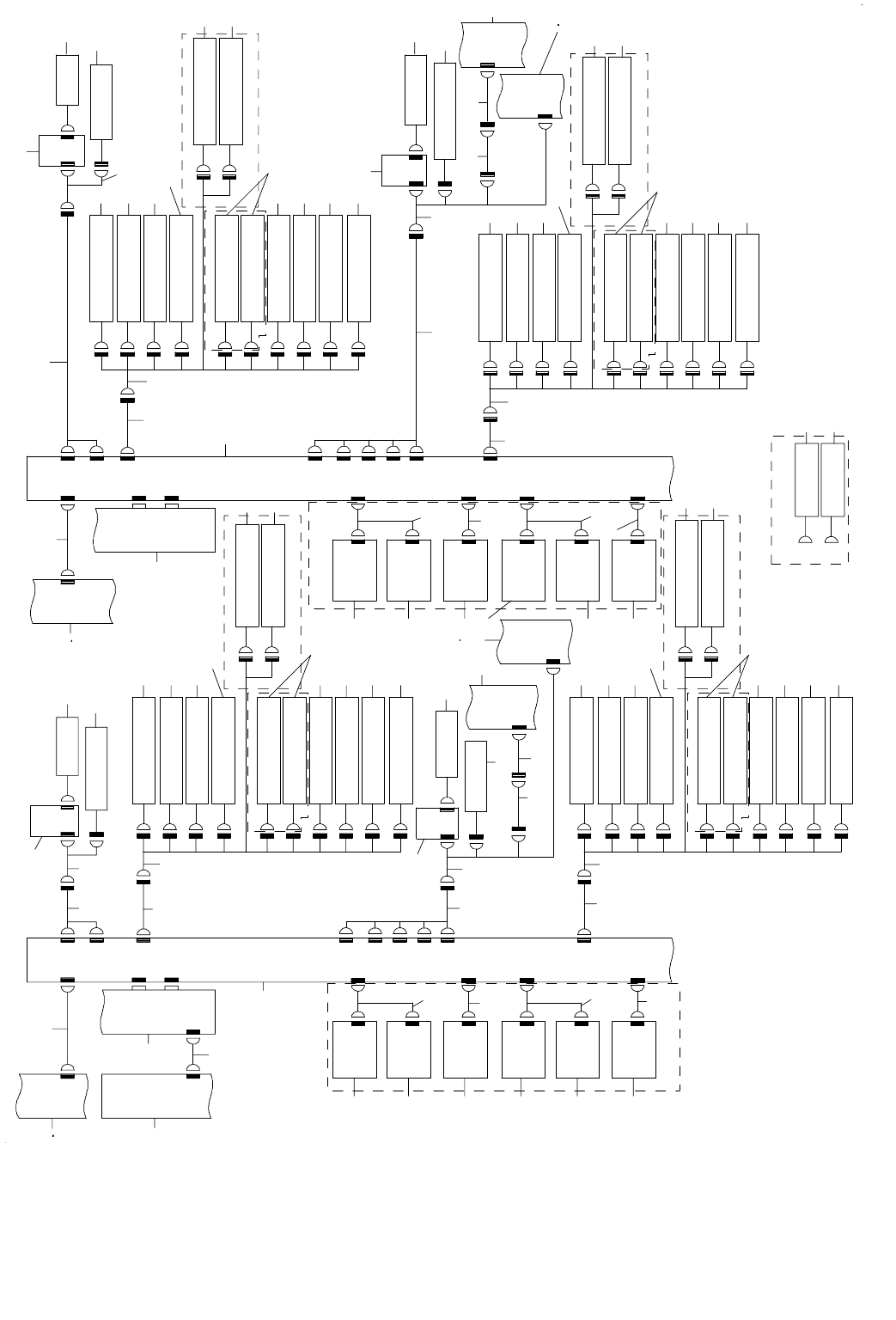
- 16 4 - NOTE ( 注記 ) #01....F OR EN EN 用 REF. NO NOT E PART NO D E S C R I P T I O N 品 名 Qty 1 400-9897 4 POWER_SUP PLY_AS SY_L(ST) 電源供給組(左) ST 1 2 #01 400-9314 9 POWER SUPPLY ASSY L( EN) 電源供給組(左) EN 1 3 400-9147 0 FEEDE…

- 163 -
82.SYSTEM DIAGRAM (FEEDER STATION)
SYSTEM DIAGRAM(FEEDER STATION)
PWRL67
9- 1A
POWER UNI T ( L )
CN0 2 3
10- 3C
PWRL023
ET HE R- SL AVE
PCB( FEEDER_R)
CN1
10- 3A
CN1
CN2
CN2
J2
J1
8- 1B
ETHER- SLAVE
PCB( FEEDER_L )
LED PCB LF 1
CN1
LED PCB L F 2
CN1
LED PCB LF 3
CN1
LED PCB LR 1
CN1
CN5 4 1
FDL15
CN55 1
CN56 1
CN54 1
CN55 1
FDL 17
FDL16
LED PCB L R 2
LED PCB LR 3
CN1
CN1
FPI OPTI ON
CN56 1 FL D1 8
CN18
11- 1A
CN 21
CN1 7
CN16
CN21
CN1 5
CN30
CN27
CN 28
CN5
CN 20
CN30
CN2 7
CN2 8
CN5
CN2 0
P2
P1
CN 19
CN1 9
CN5
CN20
CN20
CN5
CN1
FEEDER PCB ( L)
FDL - 1
FDRL19
FDRL1 9
CAL F
CAL F( L )
CN491
CN669
CA L P CB
CN1 CN2
ATC- OP
AT C- CL
FROAT- F( RCV)
FROAT- R( RCV)
BAN K- U PL
BAN K- U PR
AT C S . V
FROAT- F( E)
FROAT- R( E)
SOT- CHK
CAL R
CA L R ( L )
CN49 1
CN6 6 9
XYEMGL
CAL PCB
CN1
CN2
CN492
FDRL2 1
FDRL21
ATC- OP
ATC- CL
FROAT- F( RCV)
FROAT- R( RCV )
BAN K- U PL
BAN K- U PR
ATC S. V
FROAT- F( E)
FROAT- R( E)
SOT- CHK
SOT CHECK S. V.
F EEDER F L OA T S ENS OR( L R- R)
F EEDER F L OA T S ENS OR( L R- F)
ATC S. V ( LR)
BANK UP SENSOR ( LR- R)
BANK UP SENSOR ( L R- L )
inthecaseof "FIXEDELECBANK",
r ef er t o 10- 3D
( EMI SSI ON)
( EMI SSI ON)
FEEDER F LOAT SENSOR( L R- R)
FEEDER F LOAT SENSOR( L R- F)
ATC CLOSE SENSOR( LR)
ATC OPEN SENSOR( LR)
( RE CEI VI NG)
( RECE I VI NG)
CAL S. V. ( L R)
CAL VACUUM SENSOR ( LR)
XYEMGL
XY7
10- 5C
CN7
XY RE L AY P CB
9- 2C
SOT C HECK S. V.
FEEDER FL OAT SENSOR( LF- R)
FEEDER F LOAT SENSOR( LF- F )
AT C S. V ( L F )
BANK UP SENSOR ( LF - R)
BANK UP SENSOR ( LF- L)
(EMI SSI ON)
( EMI SSI ON)
i n t he c ase of " FI XED ELEC BANK" ,
ref er to 10-3D
FEEDER F LOAT SENSOR( LF- R)
( RECEI VI NG)
( RECEI VI NG)
FEEDER FL OAT SENSOR( LF- F)
AT C CL OSE SE NSOR( L F)
ATC OPEN SENSOR( LF)
CAL VACUUM SENSOR ( LF)
CAL S. V. ( L F)
ME CH/ E LE C T RO L Y O P TI ON
ET F FOR A S ENS OR( L R) ( EMI SS I ON)
ETF FOAT SENSOR( LR) ( RECEI VI NG)
E- FROAT( E)
E-FROAT( RCV)
L E D P CB RR 3
LED PCB RR 2
LED PCB RR 1
LED PCB RF 3
LED PCB RF 2
LED PCB RF 1
FPI OP TI ON
CN1
CN1
CN1
CN1
CN1
CN1
10- 1A
POWER UNI T ( L)
CN067
11- 1A
MECH/ E L EC T ROLY OPT I ON
ETF FORA SENSOR( LF ) ( EMI SSI ON)
ET F F OAT S ENSOR( L F ) ( R ECEI V I N G)
E-FROAT( E)
E-FROAT( RCV)
9- 2B
POWER UNI T( R)
CN0 23
10- 5C
PWRR023
10- 1A
ETHER- S L AVE
PCB( FEEDER_R)
J1
J2
FDR- 1
FEEDER PCB ( R)
CN1
P1
P2
CN1 9
CN5
CN2 0
CN20
CN5
CN1 9
FDR15
CN541
CN551
CN15
CN1 6
FDR16
CN561
CN541
FDR17
CN551
CN1 7
CN56 1
FLR1 8
CN18
11- 1C
CN 21
CN21
FDRL 2 1 FDRL 21
CN 30
CN27
CN28
CN5
CN20
CN20
CN5
CN28
CN2 7
CN3 0
FDRL19 FDRL19
AT C- OP
AT C- CL
FROAT- F( RCV)
FROAT- R(RCV)
BANK- UPL
BAN K- U PR
ATC S. V
FROAT- F( E)
FROAT- R( E)
SOT- CHK
ATC- OP
AT C- CL
FROAT- F( RCV)
FROAT- R( RCV)
BANK- UPL
BANK- UPR
ATC S. V
FROAT- F( E)
FROAT- R( E )
SOT- CHK
SOT CHECK S. V.
FEEDER F LOAT SENSOR( RR- R)
F EEDER F L OA T S ENS OR( RR- F )
ATC S. V ( RF)
B A NK UP SE NS OR ( R R - R )
B AN K UP SE NS OR ( R R- L )
(EMI SSI ON)
(EMI SSI ON)
i n t h e c a se of " FI XED ELEC BANK" ,
refer to 10-3D
FEEDER F LOAT SENSOR( RR- R)
FEEDER F LOAT SENSOR( RR- F)
ATC CLOSE SENSOR( RR)
ATC OPEN SENSOR( RR)
( RECEI VI NG)
( RECEI VI NG)
CAL R
CAL R( R)
SOT CHECK S. V.
FEEDER F LOAT SENSOR( RF - R)
FEEDER FLOAT SENSOR( RF- F)
ATC S. V ( RF)
BANK UP SENSOR ( RF- R)
BANK UP SENSOR ( RF- L )
( EMI SSI ON)
( EMI SSI ON)
in thecaseof "FIXEDELECBANK",
r e f er t o 1 0- 3D
FEEDER F LOAT SENSOR( RF - R)
FEEDER FLOAT SENSOR( RF- F)
ATC CL OSE SENSOR( RF)
ATC OPEN SENSOR ( RF)
(RECEIVING)
(RECEIVING)
CAL F
CA L F( R )
CN4 9 1
CN6 6 9
CAL VACUUM SENSOR ( RF)
CAL PCB
CN1
CN2
CAL S. V. ( RF)
ET F F OAT S EN SOR( R F) ( RECEI VI NG)
ETF F ORA SEN SOR( RF) ( EMI SSI ON)
E- FROA T( RCV )
E- F ROA T( E )
MECH/ EL EC TROLY OPT I ON
CAL S. V. ( L R)
CAL VACUUM SENSOR ( LR)
CAL PCB
CN1 C N2
CN6 6 9
CN4 9 1
XYEMGR XYEMGR
PWRL 67
10- 3A
POWER UNI T( R)
CN06 7
11- 1C
XY7
10- 3C
XY REL AY PCB
CN7
12- 1B
ETF FOAT SENSOR( RR) ( RECEI VI NG)
ETF FORA SENSOR( RR) ( EMI SSI ON)
MEC H / E L EC T ROL Y OP T I ON
E- F ROA T( E )
E- FROAT( RCV)
1 2
4
30 30 30 30 30 30
26
27
28
29
4
6
13
8
14
31
9
10
11
12
15 16 17
18
22 23 24 25
11
21
32
33
34
10
12
35
36
37
2019
42
43
22 44 45 25
21
BUP SENS SHORT ASM
BUP SENS SHORT ASM
FI XED EL EC BANK
BANK- UPL
BANK - U PR
4646
38
39
2019
30 30 3030 3030
40
41
4
7
6
1615
11
33
48
20
15
19
42
43
16 22 44 45 25
21
12
26
28
27
29
31
47
13
12
11
49
8
2019
10
21
2524232216
18
1715
50
10
35
36
40
41
37
5
3
CN49 2

- 164 -
NOTE( 注記 ) #01....FOR EN EN 用
REF.NO NOTE PART NO D E S C R I P T I O N
品 名
Qty
1 400-98974 POWER_SUPPLY_ASSY_L(ST)
電源供給組(左)ST
1
2
#01
400-93149 POWER SUPPLY ASSY L(EN)
電源供給組(左)EN
1
3 400-91470 FEEDER PWR CABLE (LR) ASM
フィーダ電源ケーブル(LR)組
1
4 400-47557 ETHER-SLAVE PCB ASM
ETHER − SLAVE 基板組
3
5 400-91922 ETHER CABLE FEEDER LF-LR ASM
イーサケーブルフィーダ LF − LR 組
1
6 400-47560 FEEDER PCB ASM
フィーダ基板組
2
7 400-91471 FEEDER PWR CABLE (RR) ASM
フィーダ電源ケーブル(RR)組
1
8 400-47483 FEEDER CAL(F) CABLE ASM
CAL(F)ケーブル組
2
9 400-89890 CAL BLOCK CABLE(LF) ASM
CAL ブロックケーブル(LF)組
1
10 400-07376 CALBLOCK PCB ASM
CAL ブロック基板組
4
11 400-47986 CAL VACUUM SV ASM
CAL バキューム SV 組
4
12 400-02126 CAL VACUUM SENSOR ASSY
CAL バキュームセンサ組
4
13 400-48176 FEEDER SENSOR RELAY(F) CABLE ASM
フィーダセンサ中継ケーブル(F)組
2
14 400-89891 FEEDER SENSOR CABLE (LF) ASM
フィーダセンスケーブル(LF)組
1
15 400-02128 ATC OPEN SENSOR ASM
ATC オープンセンサ組
4
16 400-02127 ATC CLOSE SENSOR ASM
ATC クローズセンサ組
4
17 400-47496 FD-FLOAT(FF)RECEIVE SENSOR ASM
フィーダ浮きセンサ(FF)受光組
2
18 400-47498 FD-FLOAT(FR)RECEIVE SENSOR ASM
フィーダ浮きセンサ(FR)受光組
2
19 400-84847 ETF-FLOAT RECEIVE SENS ASM
ETF − FLOAT 受光センサ組
4
20 400-84848 ETF-FLOAT SENSOR ASM
ETF − FLOAT センサ組
4
21 400-02167 BANK UP(F)SENSOR ASM
バンクアップ(F)センサ組
8
22 400-47485 ATC SV CABLE ASM
ATC SV ケーブル組
4
23 400-47495 FD-FLOAT(FF)SENSOR ASM
フィーダ浮きセンサ(FF)投光組
2
24 400-47497 FD-FLOAT(FR)SENSOR ASM
フィーダ浮きセンサ(FR)投光組
2
25 400-47486 SOT CHECK SV CABLE ASM
SOT 検査台 SV ケーブル組
4
26 400-93064 FPI-LED 1 CABLE(F) ASM
FPI − LED 1ケーブル(F)組
2
27 400-93065 FPI-LED 2 CABLE(F) ASM
FPI − LED 2ケーブル(F)組
2
28 400-93066 FPI-LED 1 CABLE(R) ASM
FPI − LED 1ケーブル(R)組
2
29 400-93067 FPI-LED 2 CABLE(R) ASM
FPI − LED 2ケーブル(R)組
2
30 E8626-729-0A0 FPI LED BOARD ASM.
FPI LED 基板組
12
31 400-47484 FEEDER CAL(R) CABLE ASM
CAL(R)ケーブル組
2
32 400-89892 CAL BLOCK CABLE(LR)ASM
CAL ブロックケーブル(LR)組
2
33 400-48177 FEEDER SENSOR RELAY(R) CABLE ASM
フィーダセンサ中継ケーブル(R)組
2
34 400-89876 FEEDER SENSOR CABLE (LR) ASM
フィーダセンスケーブル(LR)組
1
35 400-89675 FD EMG RLY CABLE ASM
フィーダ非常停止中継束線組
2
36 400-89885 OPERATION RLY CABLE (F) ASM XL
オペレーションリレーケーブル組(F) XL
2
37 401-19361 XY-RELAY PCB ASM
XY − RELAY 基板組
2
38 400-98974 POWER_SUPPLY_ASSY_L(ST)
電源供給組(左)ST
1
39
#01
400-93149 POWER SUPPLY ASSY L(EN)
電源供給組(左)EN
1
40 400-98950 POWER_SUPPLY_ASSY_R(ST)
電源供給組(右)ST
2
41
#01
400-93150 POWER SUPPLY ASSY R(EN)
電源供給組(右)EN
2
42 400-70398 FD-FLOAT(RF)RECEIVE SENSOR ASM
フィーダ浮きセンサ(RF)受光組
2
43 400-70400 FD-FLOAT(RR)RECEIVE SENSOR ASM
フィーダ浮きセンサ(RR)受光組
2
44 400-70397 FD-FLOAT(RF)SENSOR ASM
フィーダ浮きセンサ(RF)投光組
2
45 400-70399 FD-FLOAT(RR)SENSOR ASM
フィーダ浮きセンサ(RR)投光組
2
46 400-95637 BUP SENSOR SHORT ASM
BUP センサショート組
2
47 400-89897 FEEDER SENSOR CABLE (RF) ASM
フィーダセンスケーブル(RF)組
1
48 400-89875 FEEDER SENSOR CABLE (RR) ASM
フィーダセンスケーブル(RR)組
1
49 400-89877 CAL BLOCK CABLE(RF) ASM
CAL ブロックケーブル(RF)組
1
50 400-89878 CAL BLOCK CABLE(RR) ASM
CAL ブロックケーブル(RR)組
1

- 165 -
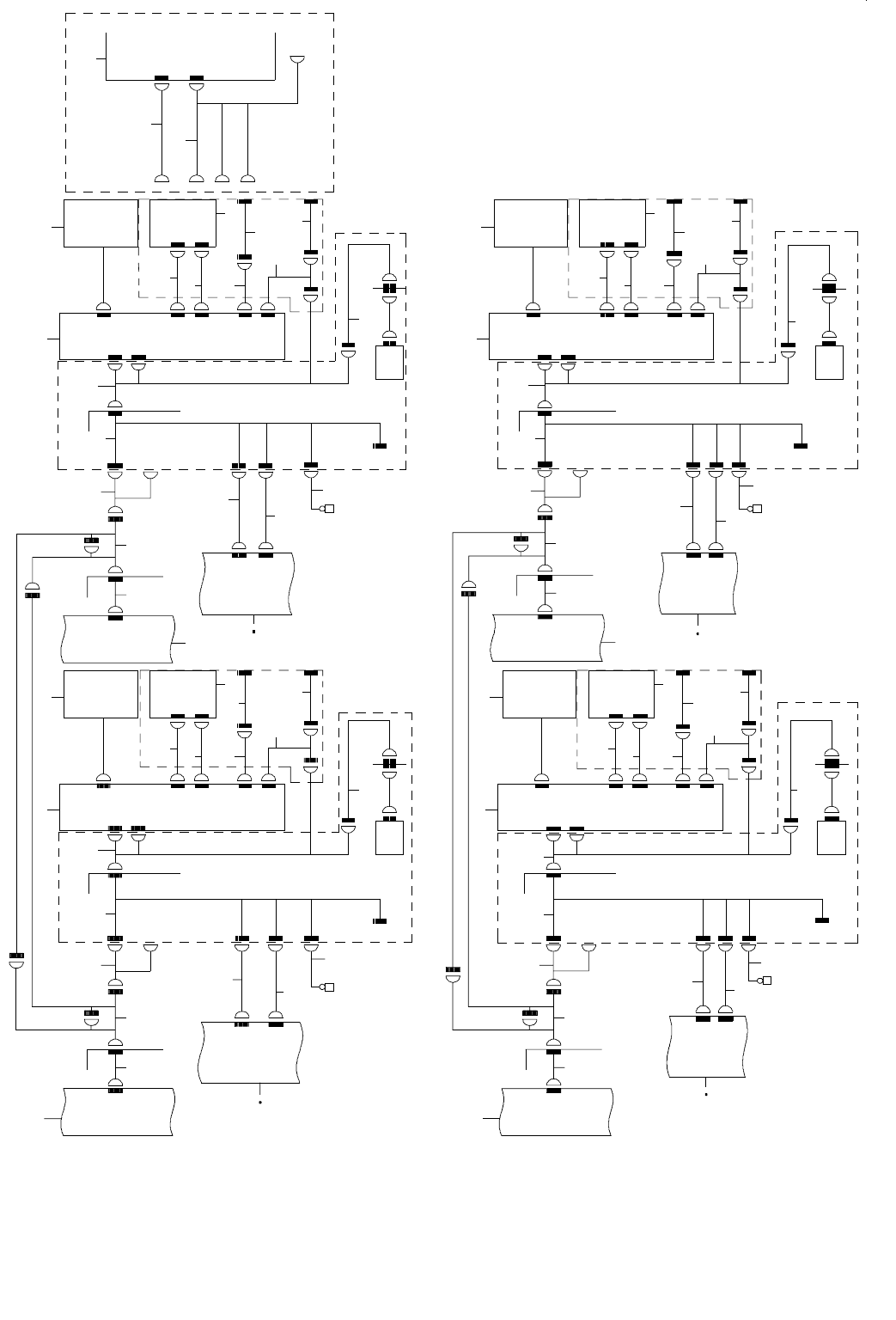
83.SYSTEM DIAGRAM (MECH TOROLY I/F)
SYSTEM DIAGRAM(MECH TOROLY I / F)
in th e c as e o f
"FIXED B ANK",
refer to 1 1-5 A
in the case of
"FIXED BA NK",
refer t o 11- 5A
in t he c ase of
"FIXED B ANK",
refer to 11 -5A
in the case of
"FIXED BANK",
refer to 11-5A
10-1D
FEEDER PCB (L)
CN3
11-3A
10-3C
POWER UNIT(L)
CN024
CN065
11 -3 B
10-4C
POWER UNIT(R)
CN024
CN065
11-3C
FG-TAP(RF)
CN352
CN206
CN205
FG-TAP(LF)
PWRL065
PWRL024
CN205
CN206
CN352
CN3
CN3
CN03
CN350
CN370
FEEDER PCB (L)
CN350
13-1A
ELEC
TOROLY
I/F
M BANK BK31
BK40
COVER (LF)
CN205
CN206
CN352
CN383
CVS OPTION/RFID
12-5B
CN350
COVER (RF)
M BANK
BK31
13-1C
ELEC
TOROLY
I/F
BK40
CN205
CN206
CN352
CN383
12-5C
CVS OPTION/RFID
RFID
ANTENNA
RFID
OUT
IN
CONNECTOR BRACKET OPTION
CN357 CN357 CN507
CN507
CN38
CN37
CN39
CN34
CN40
CN31
CN36
MECH BANK PCB
RFID
ANTENNA
RFID
OUT
IN
CONNECTOR BRACKET OPTION
CN357
CN357 CN507
CN507
MECH BANK PCB
CN31
CN40
CN36
BK36
CN34
CN39
CN37
CN38
BK34
BK39
BK37
BK38
KNOCK PIN S.V.
FEEDER BANK
PCB
CN9
CN10
CN649
CN649
CN10
CN9
KNOCK PIN S.V.
FEEDER BANK
PCB
CN 9
CN10
CN649
CN649
CN10
CN9
BK36
BK34
BK39
BK37
BK38
11-1B
POWER UNIT(L)
CN025
CN066
12-1A
PWRL066
PWRL025 CN205
CN206
CN35 2
FG-TAP(LR)
CN35 0
COVER (LR)
MBANK
BK31
BK40
13-3A
ELEC
TOROLY
I/F
CN20 5
CN206
CN352
CN383
12-5B
CVS OPTION/RFID
RFID
ANTENNA
RFID
MECH BANK PCB
CN36
CN31
CN40
CN34
CN39
CN37
CN38
BK38
BK37
BK39
BK34
BK36
KNOCK P IN S. V.
FEEDER BANK
PCB
CN9
CN10
CN649
CN649
CN507
CN507
CN357
CN357
CONNECTOR BRACKET OPTION
IN
OUT
CN10
CN9
FIXED BANK
CN350
CN205
CN206
CN352
CN357
CN40
CN31
MECH BANK PCB
BK31
BK40
11-1C
POWER UNIT(R)
12-1C
CN066
CN025
PWRR025
PWRR066
FG-TAP(RR)
CN352
CN206
CN205
COVER (RR)
M BANK BK31
BK40
CN350
13-3C
ELEC
TOROLY
I/F
CN205
CN206
CN352
CN383
12-5B
CVS OPT I ON/ RF ID
RFID
ANTENNA
RFID
CN40
CN31
IN
OUT
CONNECTOR BRACKET OPTION
CN507
CN507
CN357
CN357
CN38
CN37
CN39
CN34
CN36
MECH BANK PCB
BK36
BK34
BK39
BK37
BK38
CN64 9 CN6 49
CN10
CN9
FEED ER B ANK
PCB
KNOCK P IN S. V.
CN9
CN10
19 20
21
21
17
5
6
8
7
12
9
10
11
10
10
11
13
6
5
8
7
12
9
10
11
10
10
13
11
PWRR024
PWRR065
14 15
23
23
17
6
5
8
7
12
9
10
11
10
10
13
11
19
20
25
25
17
6
5
8
7
12
9
10
11
10
10
13
11
27
28
26
4
14
15
2
16
16
17
FCAN1
29
RYL03
RLYL03
FCAN 2
CN4
FEEDER PCB (L)
13-1A
CN4
FEEDER PCB (L)
11-1A
CN370
RLYL04
RLY04
30
RCAN1
3
22
CN350
CN04
CN4
1
1
RCAN2
RCAN 2
CN4
FEEDER PCB (R)
1
11-1 C
FEEDER PCB (R)
CN4
13-1B
CN370
CN4
CN04
CN350
24
3
RCAN1
30
RLY04
RLYR04
CN3
FEEDER PCB (R)
1
2
CN3
11-3C
CN3
FEEDER PCB (R)
10-3D
CN370
RLYR03
RYL03
29
FCAN1
18
CN350
CN03
FCAN2