FX-3R-Rev04 - 第173页
- 16 6 - NOTE ( 注記 ) #01....F OR EN EN 用 REF. NO NOT E PART NO D E S C R I P T I O N 品 名 Qty 1 400-4756 0 FEEDER PCB ASM フィーダ基板組 4 2 400-4748 1 FEEDER IF RELAY( F ) C ABLE A SM フィーダ IF 中 継ケーブ ル(F)組 2 3 400-4748 2 FEEDER …

- 165 -
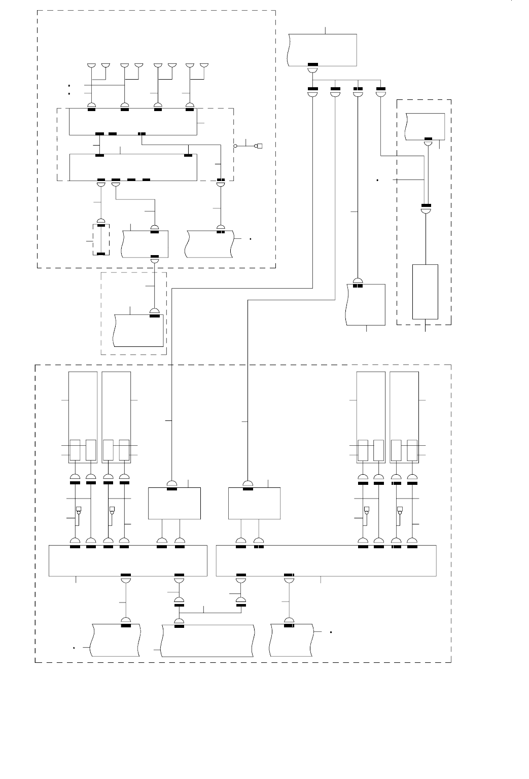
83.SYSTEM DIAGRAM (MECH TOROLY I/F)
SYSTEM DIAGRAM(MECH TOROLY I / F)
in th e c as e o f
"FIXED B ANK",
refer to 1 1-5 A
in the case of
"FIXED BA NK",
refer t o 11- 5A
in t he c ase of
"FIXED B ANK",
refer to 11 -5A
in the case of
"FIXED BANK",
refer to 11-5A
10-1D
FEEDER PCB (L)
CN3
11-3A
10-3C
POWER UNIT(L)
CN024
CN065
11 -3 B
10-4C
POWER UNIT(R)
CN024
CN065
11-3C
FG-TAP(RF)
CN352
CN206
CN205
FG-TAP(LF)
PWRL065
PWRL024
CN205
CN206
CN352
CN3
CN3
CN03
CN350
CN370
FEEDER PCB (L)
CN350
13-1A
ELEC
TOROLY
I/F
M BANK BK31
BK40
COVER (LF)
CN205
CN206
CN352
CN383
CVS OPTION/RFID
12-5B
CN350
COVER (RF)
M BANK
BK31
13-1C
ELEC
TOROLY
I/F
BK40
CN205
CN206
CN352
CN383
12-5C
CVS OPTION/RFID
RFID
ANTENNA
RFID
OUT
IN
CONNECTOR BRACKET OPTION
CN357 CN357 CN507
CN507
CN38
CN37
CN39
CN34
CN40
CN31
CN36
MECH BANK PCB
RFID
ANTENNA
RFID
OUT
IN
CONNECTOR BRACKET OPTION
CN357
CN357 CN507
CN507
MECH BANK PCB
CN31
CN40
CN36
BK36
CN34
CN39
CN37
CN38
BK34
BK39
BK37
BK38
KNOCK PIN S.V.
FEEDER BANK
PCB
CN9
CN10
CN649
CN649
CN10
CN9
KNOCK PIN S.V.
FEEDER BANK
PCB
CN 9
CN10
CN649
CN649
CN10
CN9
BK36
BK34
BK39
BK37
BK38
11-1B
POWER UNIT(L)
CN025
CN066
12-1A
PWRL066
PWRL025 CN205
CN206
CN35 2
FG-TAP(LR)
CN35 0
COVER (LR)
MBANK
BK31
BK40
13-3A
ELEC
TOROLY
I/F
CN20 5
CN206
CN352
CN383
12-5B
CVS OPTION/RFID
RFID
ANTENNA
RFID
MECH BANK PCB
CN36
CN31
CN40
CN34
CN39
CN37
CN38
BK38
BK37
BK39
BK34
BK36
KNOCK P IN S. V.
FEEDER BANK
PCB
CN9
CN10
CN649
CN649
CN507
CN507
CN357
CN357
CONNECTOR BRACKET OPTION
IN
OUT
CN10
CN9
FIXED BANK
CN350
CN205
CN206
CN352
CN357
CN40
CN31
MECH BANK PCB
BK31
BK40
11-1C
POWER UNIT(R)
12-1C
CN066
CN025
PWRR025
PWRR066
FG-TAP(RR)
CN352
CN206
CN205
COVER (RR)
M BANK BK31
BK40
CN350
13-3C
ELEC
TOROLY
I/F
CN205
CN206
CN352
CN383
12-5B
CVS OPT I ON/ RF ID
RFID
ANTENNA
RFID
CN40
CN31
IN
OUT
CONNECTOR BRACKET OPTION
CN507
CN507
CN357
CN357
CN38
CN37
CN39
CN34
CN36
MECH BANK PCB
BK36
BK34
BK39
BK37
BK38
CN64 9 CN6 49
CN10
CN9
FEED ER B ANK
PCB
KNOCK P IN S. V.
CN9
CN10
19 20
21
21
17
5
6
8
7
12
9
10
11
10
10
11
13
6
5
8
7
12
9
10
11
10
10
13
11
PWRR024
PWRR065
14 15
23
23
17
6
5
8
7
12
9
10
11
10
10
13
11
19
20
25
25
17
6
5
8
7
12
9
10
11
10
10
13
11
27
28
26
4
14
15
2
16
16
17
FCAN1
29
RYL03
RLYL03
FCAN 2
CN4
FEEDER PCB (L)
13-1A
CN4
FEEDER PCB (L)
11-1A
CN370
RLYL04
RLY04
30
RCAN1
3
22
CN350
CN04
CN4
1
1
RCAN2
RCAN 2
CN4
FEEDER PCB (R)
1
11-1 C
FEEDER PCB (R)
CN4
13-1B
CN370
CN4
CN04
CN350
24
3
RCAN1
30
RLY04
RLYR04
CN3
FEEDER PCB (R)
1
2
CN3
11-3C
CN3
FEEDER PCB (R)
10-3D
CN370
RLYR03
RYL03
29
FCAN1
18
CN350
CN03
FCAN2

- 166 -
NOTE( 注記 ) #01....FOR EN EN 用
REF.NO NOTE PART NO D E S C R I P T I O N
品 名
Qty
1 400-47560 FEEDER PCB ASM
フィーダ基板組
4
2 400-47481 FEEDER IF RELAY(F) CABLE ASM
フィーダ IF 中継ケーブル(F)組
2
3 400-47482 FEEDER IF RELAY(R) CABLE ASM
フィーダ IF 中継ケーブル(R)組
2
4 401-11737 FEEDER PCB(LF) IF CABLE ASM
フィーダ基板(IF)IF ケーブル組
1
5 400-48189 MECH BANK RELAY WIRE ASM
メカバンク中継束線組
4
6 400-48190 MECH BANK IF CABLE ASM
メカバンク IF ケーブル組
4
7 400-82807 MECHANICAL BANK PCB SET
メカバンク基板セット
4
8 400-63859 DRIVE_CYLINDER
ドライブシリンダー
4
9 400-48193 CONNECTOR BRACKET IF CABLE ASM
コネクタブラケット IF ケーブル組
4
10 400-48194 CONNECTOR BRACKET PWR CABLE ASM
コネクタブラケット PWR ケーブル組
12
11 E9395-721-0A0 IC FULL RELAY CABLE 3 ASM.
IC FULL 中継ケ−ブル3組
8
12 E8615-715-0A0 FEEDER BANK CIRCUIT BOARD ASM.
フィーダバンク基板組
4
13 400-79659 RFID JOINT CABLE ASM
RFID ジョイントケーブル組
4
14 400-98974 POWER_SUPPLY_ASSY_L(ST)
電源供給組(左)ST
2
15
#01
400-93149 POWER SUPPLY ASSY L(EN)
電源供給組(左)EN
2
16 400-91543 BANK RLY CABLE (LF) ASM
バンク中継ケーブル(LF)組
2
17 400-48183 BANK(F) FG CABLE ASM
バンク(F)FG ケーブル組
4
18 401-11738 FEEDER PCB(RF) IF CABLE ASM
フィーダ基板(RF)IF ケーブル組
1
19 400-98950 POWER_SUPPLY_ASSY_R(ST)
電源供給組(右)ST
2
20
#01
400-93150 POWER SUPPLY ASSY R(EN)
電源供給組(右)EN
2
21 400-91546 BANK RLY CABLE (RF) ASM
バンク中継ケーブル(RF)組
2
22 401-11735 FEEDER PCB(LR) IF CABLE ASM
フィーダ基板(LR)IF ケーブル組
1
23 400-91544 BANK RLY CABLE (LR) ASM
バンク中継ケーブル(LR)組
2
24 401-11736 FEEDER PCB(RR) IF CABLE ASM
フィーダ基板(RR)IF ケーブル組
1
25 400-91550 BANK RLY CABLE (RR) ASM
バンク中継ケーブル(RR)組
2
26 400-82807 MECHANICAL BANK PCB SET
メカバンク基板セット
1
27 400-48158 BANK CABLE ASM
バンクケーブル組
1
28 400-65159 BANK PCB PWR RELAY CABLE ASM
バンク基板電源中継ケーブル組
1
29 401-07941 FEEDER IF RELAY-03 CABLE ASM
フィーダ IF RELAY −03ケーブル組
1
30 401-07942 FEEDER IF RELAY-04 CABLE ASM
フィーダ IF RELAY −04ケーブル組
1

- 167 -
84.SYSTEM DIAGRAM (CVS/RFID/TRACEABILITY)
SYSTEM DIAGRAM(CVS / RFID / TRACEABILITY)
11-3B
POWER UNIT(L)
PWRL028
13-1B
CN028L CVSLC1
CVSLC2
CVSLIO
XYCN12
CV SR IO
CVSRC2
10-5C
CN12
XY-RELAY
PCB
12-3A
11-3D
POWER UNIT(R)
PWRR028
12-4B
CN028R CVSRC1
CVS PCB (L)
CN5
CN6
CN7
CN8
CN1
CN2
CN4
CN3
CN3CVS
CN 4
CN8/CVS
CN7/CVS
CN6/CVS
CN5/CVS
CVS PCB (R)
CN2
CN1
CN4
CN3
CN3CVS
CN4
CN5
CN6
CN7
CN8
CN8/CVS
CN7/CVS
CN6/CVS
CN5/CVS
J043/RF
J042/RF
J043/RR
J042/RR
FG-TAP(RR)
FG-TAP(RF)
DMM (R)
J43
J42
J43
J42
CVS OPTION
SOLENOID VALVE
PROBE
SURFACE VERIFICATION UNIT(RR)
SURFACE VERIFICATION UNIT(RF)
SOLENOID VALVE
PROBE
DMM (L)
FG-TAP(LF)
FG-TAP(LR)
J043/LF
J042/LF
J043/LR
J042/LR
J42
J43
J42
J43
PROBE
SOLENOID VALVE
PROBE
SOLENOID VALVE
SURFACE VERIFICATION UNIT(LR)
SURFACE VERIFICATION UNIT(LF)
12-1 C
XY-RELAY PCB
CN49
XY-49
HOD OPTION
BARCORD REEDER
HOST
(CN9)
SUPER
IMPOSE
BOARD
9-4D
PS-PC
BR
TRACEABILITY OPTION
ATX-6
CN6
ATX POWER
9-5C
5-5D
IEEE1394 BOARD
UART
UART
COM A
COM B
COM C
COM D
EXT1
RFID OPTION
11-3 B
MECH
TORO LY I/ F
13-3B
ELEC
TOROLY I/F
11-3D
MECH
TOROLY I/F
13-3D
ELEC
TOROLY I/F
11-1B
MECH
TOROLY I/F
13-1B
ELEC
TOROLY I/F
11-1D
MECH
TOROLY I/F
13-1D
ELEC
TOROLY I/F
LR383
LR382
RR383
RR382
LF383
LF382
RF383
RF382
RF
CH2
LF
CH1
RR
CH4
LR
CH3
MPC-4C
CN3
ETHERNET
PROG
CN4
CN1
CN2
DC_INPUT
HUB_BOX
SWITCHING HUB
X5
DC INPUT
X4
X3
X2
X1
FG-TAP
FRONT
RFID_PWR
PWRR22
CN022
POWER UNIT(R)
12-1D
13-1C
COM2
LAN
LAN
CPU BOARD
9-4C
HLC
LAN
1 2
4
9
10
3
5
6
8
11
7
7
14
15
17
16
20
18
19
20
18
19
13
13
12 12
24
2322
21
20
18
19
20
18
19
43 45
44
46
47
48
31
36
4
25
26
27
29
30
28
9
10
35
34
37
38
33
32
39
40
41 42