FX-3R-Rev04 - 第193页
- 18 6 - NOTE( 注記 ) #01... .FOR EN EN 用 #02... .TYPE XL X L 仕様 REF.NO NOTE PART NO D E S C R I P T I O N 品 名 Qty 1 4 00-989 50 POWER SUPPLY ASSY R(ST) 電源供給組( 右)S T 1 2 #01 400 -93150 PO WER SUP PLY ASSY R(EN ) 電源供給組( 右)E…

- 185 -
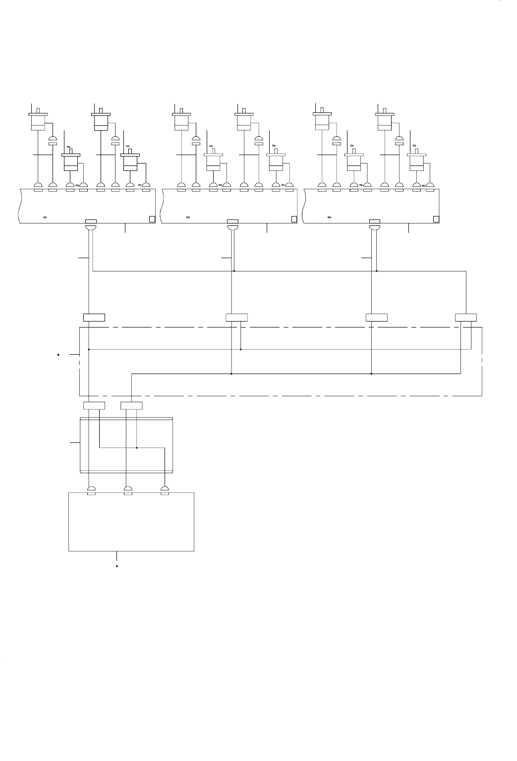
93.SYSTEM DIAGRAM (Z-THETA MOTOR RR)
SYSTEM DIAGRAM(Zθ MOTOR RR)
CABLE BEAR
CN213
CN201
CN202
CN214
CN212
CN211
ZTCCN1 CNP1
ZTBCN1 CNP1
CN015
CN016
CN038CN038
CN016
CN015
POWER UNIT(R)
ZTACN1
ID
2
1
ID
0
ID
CNP1
4-1B
4-1C
4-1C
Z6
MOTOR
ZP6
6
MOTOR
Z5
MOTOR
5
MOTOR
ZP5
Z6
6
5
Z5
ZTC
SERVO
AMP
Z
(RR-2/2)
CNP2A
CN2A
CNP2B
CN2B
CNP2C
CN2C
CNP2D
CN2D
Z4
MOTOR
ZP4
4
MOTOR
Z3
MOTOR
3
MOTOR
ZP3
Z4
4
3
Z3
ZTB
SERVO
AMP
Z
(RR-2/2)
CNP2A
CN2A
CNP2B
CN2B
CNP2C
CN2C
CNP2D
CN2D
Z1
MOTOR
Z2
MOTOR
ZP2
CNP2A
CN2A
CNP2B
CN2B
CNP2C
CN2C
ZTA
SERVO
AMP
Z
(RR-2/2)
CNP2D
CN2D
Z2
2
1
2
MOTOR
1
MOTOR
Z1
ZP1
1 2
3
4 5
6 7 8
9 9 9
11 11 12 12 13 13
14 14 14 14 14 14
10
10
10101010

- 186 -
NOTE( 注記 ) #01....FOR EN EN 用
#02....TYPE XL XL 仕様
REF.NO NOTE PART NO D E S C R I P T I O N
品 名
Qty
1 400-98950 POWER SUPPLY ASSY R(ST)
電源供給組(右)ST
1
2
#01
400-93150 POWER SUPPLY ASSY R(EN)
電源供給組(右)EN
1
3 400-91529 ZT PWR R RELAY CABLE ASM
ZT 電源 R 中継ケーブル組
1
4 400-47500 XY BEAR CABLES D ASM
XY ベアケーブル D 組
1
5
#02
400-89837 XY BEAR CABLES D ASM XL
XY ベアケーブル D 組 XL
1
6 400-47769 ZT PWR CABLE ASM A
ZT 電源ケーブル A 組
1
7 400-47770 ZT PWR CABLE ASM B
ZT 電源ケーブル B 組
1
8 400-47771 ZT PWR CABLE ASM C
ZT 電源ケーブル C 組
1
9 400-89209 4AXIS SERVO AMP
4軸一体型サーボアンプ
3
10 400-48065 SERVO MOTOR 30W
サーボモータ30 W
6
11 400-48287 Z1-Z2 MOTOR EXTENSION CABLE ASM
Z 1− Z 2モータ延長ケーブル組
2
12 400-48288 Z3-Z4 MOTOR EXTENSION CABLE ASM
Z 3− Z 4モータ延長ケーブル組
2
13 400-48289 Z5-Z6 MOTOR EXTENSION CABLE ASM
Z 5− Z 6モータ延長ケーブル組
2
14 400-44533 SERVO MOTOR 10W
サーボモータ10 W
6

- 187 -
94.MACHINE REVISION CHART
マシン Rev 表
/Note
/ After
/ Obsolete
*
Rev
Ref.
No.
Part Number
Page
No.
M/C
Rev
Rev / Machine Revision chart
Page
No.
Part Number
Ref.
No.
*
*:Remark A:ADD D:Delete
PA630850100D1896A02
FX-3R
*
02 A 96 22 D 40063844
02 A 96 23 D 40063843
PA630850200A1896
40098886A2396
40098887A2296
*
STOPPER BR L
STOPPER BR R
AIR CYLINDER
96 33 A 40098888 MAGNET CATCH
02 A 102 23 D 40063433 102 23 A 40098876 TROLLEY FRAME U L
02 A 102 24 D 40063434 102 24 A 40098877 TROLLEY FRAME U R
02 A 102 27 D 40063450 102 27 A 40098879 CONNECT L PANEL
02 A 102 29 D 40063437 102 29 A 40098878 TROLLEY W UPPER PLATE
02 A 102 37 D 40063448 102 37 A 40098882 M TROLLEY COVER L
02 A 102 41 D 40063440 102 41 A 40098880 M BANK PLATE L
02 A 102 48 D 40063441 102 48 A 40098881 M BANK PLATE R
02 A 102 54 D 40047273 102 54 A 40098884 FS PLATE
02 A 102 55 D 40047272 102 55 A 40098885 TAPE GUIDE
02 A 102 59 D 40063449 102 59 A 40098883 M TROLLEY COVER R
02 B 124 4 D 40084612 124 4 A 40103744 E BANK BASE
02 B 124 51 D 40084913 124 51 A 40111386 FDC BRACKET ASSY
124 52 A 40111387 FDC BRACKET ASSY(EO)
02 B 124 53 D 40095377 124 53 A 40111353 FDC BRACKET
02 B 124 63 D 40084675 124 63 A 40111354 FDC CABLE GUIDE
02 B 136 4 D 40084612 136 4 A 40103744 E BANK BASE
136 45 A 40111386 FDC BRACKET ASSY
02 B 136 46 D 40095376 136 46 A 40111387 FDC BRACKET ASSY(EO)
02 B 136 48 D 40095377 136 48 A 40111353 FDC BRACKET
02 B 136 58 D 40084675 136 58 A 40111354 FDC CABLE GUIDE
170 29 A 40107941 FEEDER IF RELAY-03 CABLE ASM
170 30 A 40107942 FEEDER IF RELAY-04 CABLE ASM
02 C 170 4 D 40089893 170 4 A 40111737 FEEDER PCB(LF) IF CABLE ASM
02 C 170 18 D 40089895 170 18 A 40111738 FEEDER PCB(RF) IF CABLE ASM
02 C 170 22 D 40089879 170 22 A 40111735 FEEDER PCB(LR) IF CABLE ASM
02 C 170 24 D 40089880 170 24 A 40111736 FEEDER PCB(RR) IF CABLE ASM
02 C 174 12 D 40084844 174 12 A 40111734 ELEC BANK RELAY WIRE ASM
02 D 34 31 D 40104624 34 31 A 40123570 ROLLER ASM
02 D 34 56 D 40109115 34 56 A 40123571 ROLLER B ASM
34 57 A 40123591 ASM GREASE NIPPLE A
34 58 A 40123568 GREASE NIPPLE
34 59 A 40123569 NIPPLE STUD
34 60 A 40123592 ASM GREASE NIPPLE B
34 61 A 40123568 GREASE NIPPLE
34 62 A 40123560 NIPPLE STUD B
34 63 A 40123564 GREASE UNION
34 67 A 40123593 ASM GREASE ELBOW
34 68 A 40123563 GREASE ELBOW
34 69 A 40123559 GREASE ELBOW STUD
34 70 A 40123561 NIPPLE JOINT BR
34 71 A 40123562 GREASE TUBE
02 ROLLER ASM40123570A313640104624D3136D