KE-1070使用说明书 - 第63页
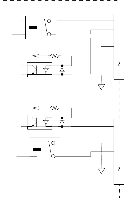
第 1 部 基本编 第 1 章 设备概要 1-44 ◇ READY OUT(IN)信号与 BOAD A VAILABLE 信号的接口电路图示 1-1-6-4 如下。 依据SMEMA规格。 GND ( 24V ) + + 24 V 3.3K 1/4W READ Y OUT + BOAD A V AILABLE IN + READ Y OUT - BOAD A V AILABLE IN - N.C . 1 2 3 4 5 14 READ Y…

第 1 部 基本编 第 1 章 设备概要
1-43
表 1-2-8-1 主机正面左侧的接口表
No. 信号名称 传送方向 右向 信号名称 传送方向 左向 使用的接口
1 READY OUT + READY IN +
2 READY OUT - READY IN - (GND) AMP
3 BOAD AVAILABLE IN + BOAD AVAILABLE OUT + 202043-1
4 BOAD AVAILABLE IN-(GND) BOAD AVAILABLE OUT -
5 N.C. N.C.
6 N.C. N.C. 电缆侧
7 N.C. N.C. 连接用的插头
8 N.C. N.C. 20604-1
9 N.C. N.C.
10 N.C. N.C.
11 N.C. N.C.
12 N.C. N.C.
13 N.C. N.C.
14 N.C. N.C.
表 1-2-8-2 主机正面右侧的接口表
No. 信号名称 传送方向 右向 信号名称 传送方向 左向 使用的接口
1 READY IN + READY OUT +
2 READY IN - (GND) READY OUT - AMP
3 BOAD AVAILABLE OUT + BOAD AVAILABLE IN + 206043-1
4 BOAD AVAILABLE OUT - BOAD AVAILABLE IN - (GND)
5 N.C. N.C.
6 N.C. N.C. 电缆侧
7 N.C. N.C. 连接用的插头
8 N.C. N.C. 206044-1
9 N.C. N.C.
10 N.C. N.C.
11 N.C. N.C.
12 N.C. N.C.
13 N.C. N.C.
14 N.C. N.C.

第 1 部 基本编 第 1 章 设备概要
1-44
◇ READY OUT(IN)信号与 BOAD AVAILABLE 信号的接口电路图示 1-1-6-4 如下。
依据SMEMA规格。
GND
(
24V
)
+
+ 24
V
3.3K 1/4W
READY OUT +
BOAD AVAILABLE IN +
READY OUT -
BOAD AVAILABLE IN -
N.C.
1
2
3
4
5
14
READY IN +
BOAD AVAILABLE OUT +
READY IN -
BOAD AVAILABLE OUT -
N.C.
1
2
3
4
5
14
+ 24
V
3.3K 1/4W
+
GND
(
24V
)
图 1-2-8-4

第 1 部 基本编 第 1 章 设备概要
1-45
1-2-9 略语说明
意 义
略语
中文 英语
ATC
自动工具交换装置
(Auto Tool Changer)
BMR
坏板标记识别器
(Bad Mark Reader)
DTS
双托盘支架
(Dual Tray Server)
EPU
外部编程装置
(External Programming Unit)
FPI
送料器台位置指示器
(Feeder Position Indicator)
HMS
高度测量装置
(Height Measurement System)
HOD
手控操作盘
(Handheld Operating Device)
LNC
激光校准新概念
(Laser align New Consept)
MNVC
多贴片头(多吸嘴)图像定心
(Multi Nozzle Vision Centering)
MTC
矩阵托盘交换器
(Matrix Tray Changer)
MTS
矩阵托盘服务器
(Matrix Tray Server)
OCC
位置校正摄像机
(Offset Correction Camera)
PWB
基板
(Printed Wiring Board)
VCS
图像识别元件位置修正装置
(Vision Centering System)