P-0206-001 - 第145页
MODEL TCM-X200 0203-002 Key No. P AR T No. P AR T NAME Q’ ty REMARKS NOTE 143 JE-3 20 1 630 086 7961 BR AC KET 1 696JE-1 10-201 20 2 630 066 1385 BR AC KET 1 696JE-1 10-202 20 3 630 066 1392 BR AC KET 1 696JE-1 10-203 20…

MODEL TCM-X200
0203-002
142
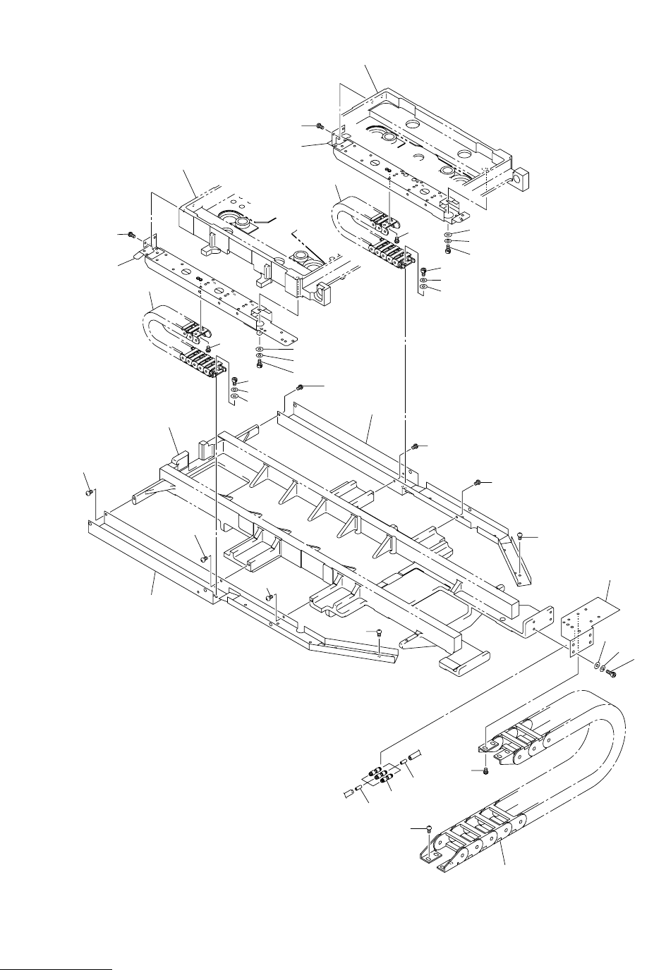
XY ࠹ࡉ࡞㈩▤ޔ㈩✢ XY TABLE PIPING, WIRING
Fig. JE-3 ㈩▤ޔ㈩✢ᡰᜬㇱ Piping, Wiring Supporter
233
205
233
204
209
213
221
218
211
233
233
202
233
233
233
233
203
233
233
201
222
219
212
206
216
227
208
227
216
224
225
226
209
213
221
218
211
224
225
226
See Fig.JC-1
Key No.4
See Fig.JB-4
Key No.301
Fig.JE-3
TCM-X200-002
4797A-002
See Fig.JC-1
Key No.4

MODEL TCM-X200
0203-002
Key No. PART No. PART NAME Q’ty REMARKS
NOTE
143
JE-3
201 630 086 7961 BRACKET 1 696JE-110-201
202 630 066 1385 BRACKET 1 696JE-110-202
203 630 066 1392 BRACKET 1 696JE-110-203
204 630 079 0375 PLATE 1 696JE-110-204
205 630 093 5950 PLATE 1 696JE-110-205
206 630 112 7217 MECH PARTS(GUIDE CABLE) 1 696JE-110-206
208 630 076 8916 PIPE FITTINGS 3 696JE-110-208
209 630 112 7231 MECH PARTS(GUIDE CABLE) 2 696JE-110-209
211 630 000 7626 BOLT,HEX-SCT 2 696JE-110-211
212 630 000 7763 BOLT,HEX-SCT 4 696JE-110-212
213 411 050 5004 SCR TRS 3X6 4 696JE-110-213
216 411 140 8007 SCR TRS 5X6 8 696JE-110-216
218 411 141 2905 WASHER SPR 4 2 696JE-110-218
219 411 141 6705 WASHER SPR 5 4 696JE-110-219
221 411 141 4008 WASHER V 4X9X0.8 2 696JE-110-221
222 411 141 4107 WASHER V 5X10X1 4 696JE-110-222
224 630 000 7503 BOLT,HEX-SCT 4 696JE-110-224
225 411 141 2806 WASHER SPR 3 4 696JE-110-225
226 411 141 3902 WASHER V 3X7X0.5 4 696JE-110-226
227 630 079 8432 AIR LINE EQPT 6 696JE-110-227
233 630 076 8824 BOLT,HEX-SCT(BUTTON HEAD) 12 696JE-110-233

MODEL TCM-X200
0103-001
144
XY ࠹ࡉ࡞㈩▤ޔ㈩✢ XY TABLE PIPING, WIRING
Fig. JE-4 Z ࠢࡦࡊ㈩▤ - 㧞 Z Clamp Piping-2
308
309
310
306
311
305
302
303
307
309
312
304
Fig.JE-4
TCM-X200
4797A