ycp_khu_e - 第2页
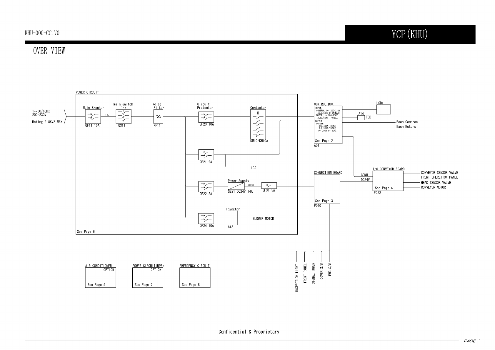
YCP(KHU) Ov er view Control bo x Connection board I/O conv e y or board Air conditioner(option) P ow er circuit P ow er circuit(UPS option) Emergency circuit Air circuit Wiring par ts list T ab le of contents P. 1 P. 2 P…

YCP
KHU 0707
Control Wiring Diagram
YCP(KHU)
Over view
Control box
Connection board
I/O conveyor board
Air conditioner(option)
Power circuit
Power circuit(UPS option)
Emergency circuit
Air circuit
Wiring parts list
Table of contents
P. 1
P. 2
P. 3
P. 4
P. 5
P. 6
P. 7
P. 8
P. 9
P.10
Confi dential & Proprietary
