196396 Iss 2 Nov 2015 - Semi Appendix Manual - 第60页
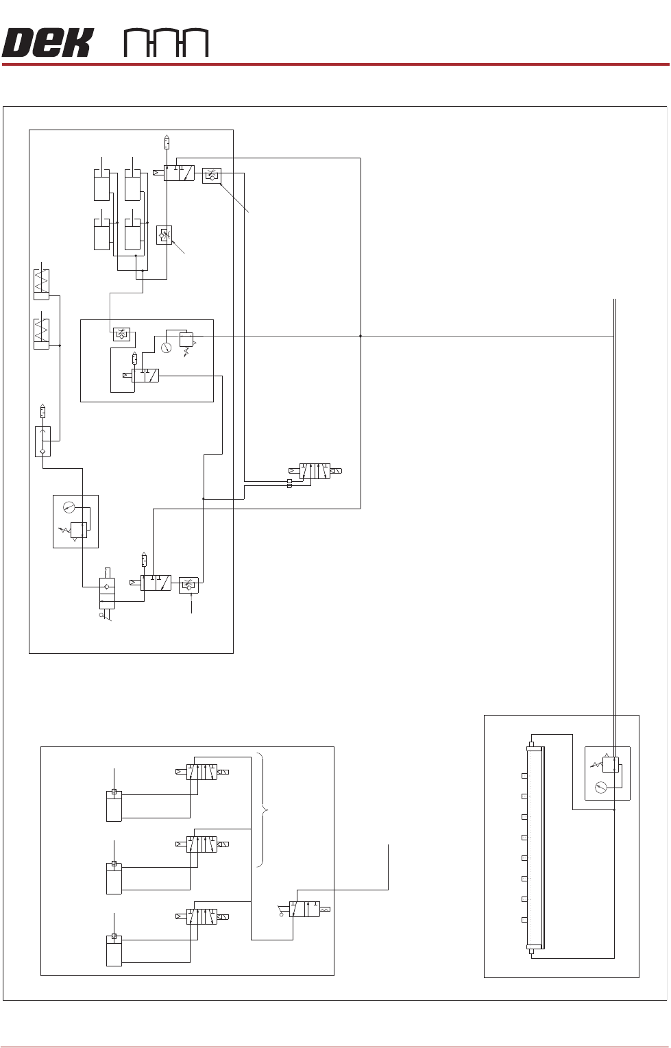
PNEUMATIC MODULE PNEUMATIC SCHEMATICS 24.4 Technical Reference Manual Chapter Issue 2, Aug 14 PNEUMA TIC SCHEMA TICS Figure 24-1 Pneumatic Schemati c Sheet 1 T o Grid-Lok T ooling See Board Support T ooling Chapter 5/2 9…

PNEUMATIC MODULE
ELECTRICAL SCHEMATIC
Chapter Issue 2, Aug 14 Technical Reference Manual 24.3
ELECTRICAL SCHEMATIC
M36Machine
Control Enclosure
Main Machine
I/ONode 2
N2PL7
M39PL4
16SK37
N2SK2
1
2
3
DIG IN0
Air Pressure SW
8SE11
+12V
Sig
0V
PC
USB
Motherboard
NextMove ES
(I/O Node 1
)
1
2
4
CAN_H
CAN_L
CAN GND
M36PL35
CAN Bus
CAN In
N3SK2
7
2
3
CAN In
N2SK2
7
2
3
CAN Out
N3SK3
7
2
3
Print Carriage
I/ONode 3
N3SK8
N2SK4
NOTE
The breaks
in the CAN Bus cha
in reflect that
additionalI/O Nodes
may be f
itted, refer to
Machine Contro
l chapter for the co
mplete
CAN Bus cha
in.
9SK28
Auto Drip Tray
9SOL28
DIG OUT 6
0V
4
12
+
-
9SK27
Paste Disp
.
Tilt
9SOL27
DIG OUT 5
0V
3
11
+
-
16SK22
Rail Board Stop
16SOL22
DIG OUT 12
0V
6
16
1
3
9SK26
Paste Disp
.
9SOL26
DIG OUT 4
0V
2
10
+
-
9SK25
ProFlow Paste PX
9SOL25
DIG OUT 3
0V
1
9
+
-
16SK14
Board Stop/RTC
Rail Width C
lamp
16SOL14
DIG OUT 10
0V
4
16
1
3
16SK10
Board C
lamps
16SOL10
DIG OUT 9
0V
9
16
1
3
9SK29
Screen Load
9SOL29
DIG OUT 7
0V
5
13
+
-
16SK07
Screen C
lamps
16SOL07
DIG OUT 8
0V
2
15
+
-
16SK31
Chase C
lamps
16SOL31B
DIG OUT 7
0V
1
14
+
-
16SK08
USC Squeegee
16SOL08
DIG OUT 14
0V
9
21
+
-
16SK31
16SK03
Lid Bolt
16SOL31A
Inroad Vane Lift
(RTC Machine
)
16SOL03
Venturi Vac Unit
8SOL24
Pneumatic
Dump Valve
16SOL37
DIG OUT 11
DIG OUT 15
DIG OUT 0
0V
0V
0V
5
22
1
1
14
23
2
2
+
+
+
+ve
-
-
-
-ve
Machine Rear Solenoids
Print Carriage Solenoids
M39Emergency
Machine Off
Enclosure

PNEUMATIC MODULE
PNEUMATIC SCHEMATICS
24.4 Technical Reference Manual Chapter Issue 2, Aug 14
PNEUMATIC SCHEMATICS
Figure 24-1 Pneumatic Schematic Sheet 1
To Grid-Lok Tooling
See Board Support
Tooling Chapter
5/2
9SOL29
5/2
9SOL28
5/2
9SOL27
5/2
9SOL25
Screen Load
Actuator
A
B
ASM Rail Lock
Rail Clamps
Left
Rail Clamps
Right
Rail Mounted
Board Stop
(option)
Out
Paste Dispense
In
Reg/Assy
IN
HTC Aux. Conveyors
(optional) See Sheet 2
Air Ionizer Option
See Sheet 2
P
Out
R
Vacuum
Tooling
Venturi Vacuum Tooling
Pressure
Sense
Filter/Reg Assy
Dump
Valve
Mains
Air In
At 4.5 Bar
Minimum
3/2 Dual
16SOL31A
5/2
16SOL08
5/2
16SOL07
5/2
16SOL22
5/2
16SOL10
5/2
16SOL14
A
B
A
B
A
B
A
B
A
B
A
Lid Bolt
3/2 Dual
16SOL31B
B
5/2
9SOL26
A
B
Chase Clamps
Only one
connection
depending on type
'C' Chase/ASM
Screen Clamps
Standard - 8 Clamps
Machined C Chase - 4 Clamps
ASM Screen Clamps
Screen Clean
Squeegee Bar
(optional)
Board Clamps
Grid-Lok
Control
Unit
Machine Rear Solenoids
A
B
A
B
A
B
Print Carriage Solenoids
Auto Drip Tray
Paste Dispense
Tilt
ProFlow + SCAR
(optional)
Board Clamp
Reg (optional)
In Out
Camera
Board Stop
Remote Board
Stop

PNEUMATIC MODULE
PNEUMATIC SCHEMATICS
Chapter Issue 2, Aug 14 Technical Reference Manual 24.5
Figure 24-2 Pneumatic Schematic Sheet 2
To Pneumatic Supply See Sheet 1
For Topside Referencing System
(TRS) p
s - the TRS chapter.neumatic upply See
HTC Aux Conveyor Board Stops
L-R=
L/H D’Line
Board Stop
L-R=
R/H UpLine
Board Stop
L-R=
R/H D’Line
Board Stop
M27SOL02
M27SOL03
M27SOL01
R/H Conveyor
Solenoids
5/2
16SOL10
AB
Clamp
Speed
Control
Unclamp Delay Control
Fitted at Solenoid
Valve on Rear of M/C
Board Clamps
Snuggers Option
Snuggers
Out
In
Pressure Control
Snuggers On
Snugger
Delay
Control
Board Clamp
Reg (optional)
In Out
Air Ionizer Option
Out
In
See Sheet 1