MVIIF Parts list-Mechanical20101207 - 第139页
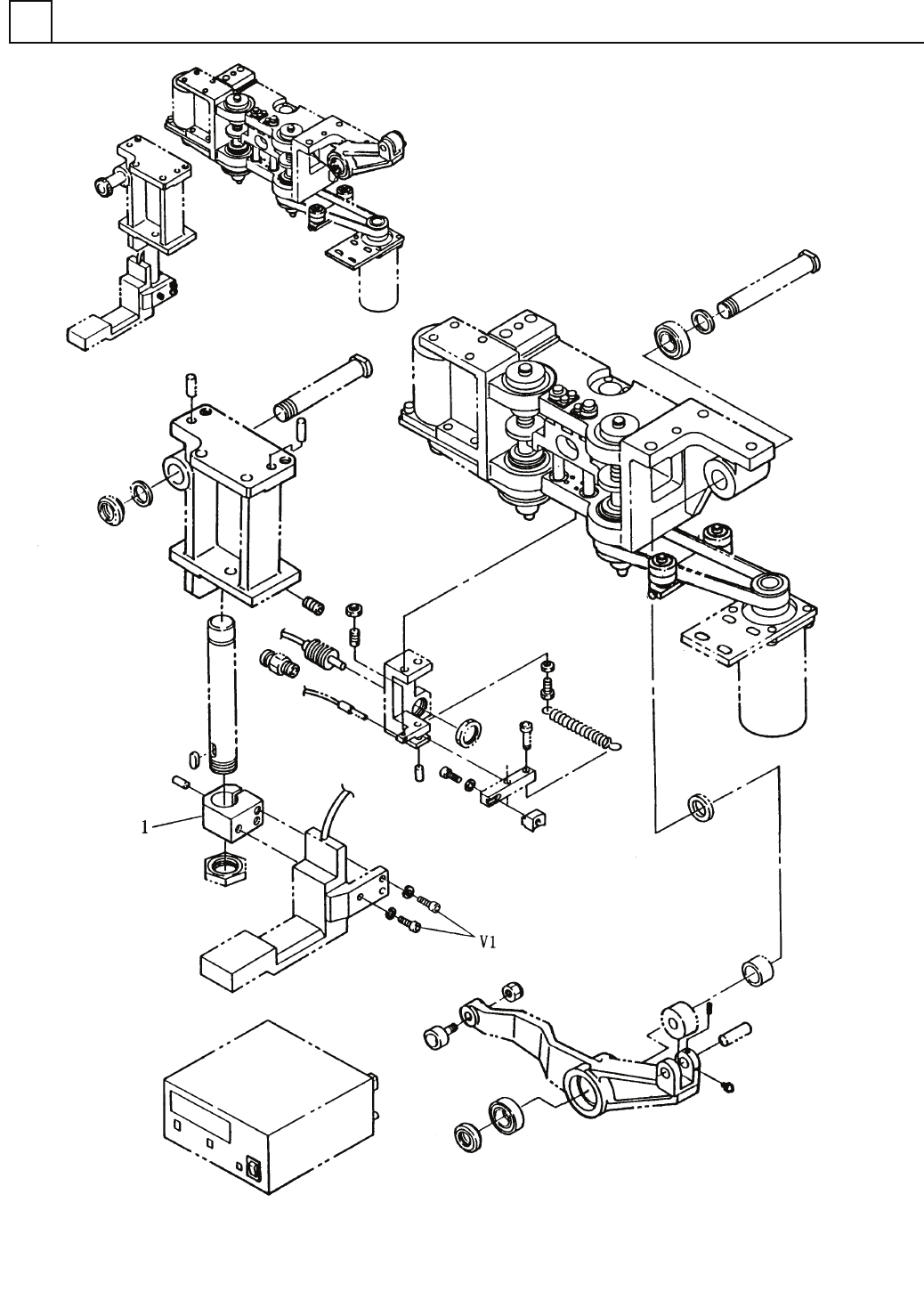
イラスト No. REF No. PART No. PART NAME REMAR KS Q'TY 11 ノズルθ 回転部(専用部 ) NOZZLE THET A ROTARY SECT. (EXCLUSIVE) 部 品 名 品 番 個数 備 考 1 1042717200 NOZZLE THETA ROTARY SECT. ノズルシータカイテン フ ゙(K センヨウ) 1 1 104271720201 BLOCK ブロッ…

ノズルθ回転部(専用部)
NOZZLE THETA ROTARY SECT.(EXCLUSIVE)
11
F10427-17-200-AA
M121

イラスト
No.
REF
No.
PART No.
PART NAME
REMARKS
Q'TY
11
ノズルθ回転部(専用部)
NOZZLE THETA ROTARY SECT.(EXCLUSIVE)
部 品 名 品 番 個数
備 考
1 1042717200
NOZZLE THETA ROTARY SECT. ノズルシータカイテン フ
゙(K センヨウ)
1
1
104271720201
BLOCK ブロック
V 1
3
XVE6B12FP
HEX. SOCKET HEAD CAP BOLT ロッカクアナツキボルト M6X12,STEEL,P.C
M122
F10427-17-200-AA

吸着突き上げ部(MK用)
SUCTION UPPER SECT.(MK TYPE)
12
F10427-14-000-AE
M123