MVIIF Parts list-Mechanical20101207 - 第153页
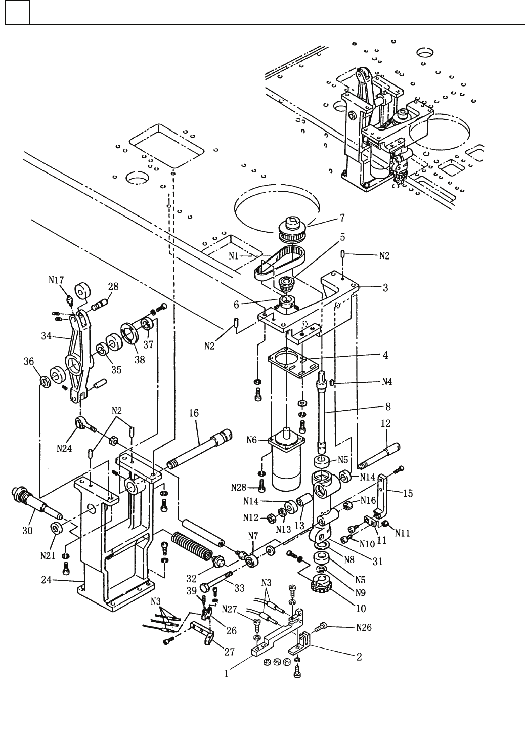
イラスト No. REF No. PART No. PART NAME REMAR KS Q'TY 14 ノズル選択 部 NOZZLE SELE CT SECT. 部 品 名 品 番 個数 備 考 1 1045221000 NOZZLE SELECT UNIT ノズ ルセンタクユニット 1 1 1045221001 HOLDER(SENSOR ) ホルダ(センサ) 2 1 1042721002 HOLDER(SENSOR…

ノズル選択部
NOZZLE SELECT SECT.
14
F10452-21-000-1
M135

イラスト
No.
REF
No.
PART No.
PART NAME
REMARKS
Q'TY
14
ノズル選択部
NOZZLE SELECT SECT.
部 品 名 品 番 個数
備 考
1 1045221000
NOZZLE SELECT UNIT ノズ
ルセンタクユニット
1
1
1045221001
HOLDER(SENSOR) ホルダ(センサ)
2
1
1042721002
HOLDER(SENSOR) ホルダ(センサ)
3 1 102812100304
BRACKET フ
゙ラケット
4 1 102812100402
PLATE プレート
5
1
1042721005
PULLEY(TIMING) プーリー(タイミング)
6
1
1028121006
BOSS ボス
7 1 1042721007
PULLEY(TIMING) プ
ーリー(タイミング)
8 1 1042721008
SHAFT シャフト
10
1
104272101004
GEAR ギヤー
11 1 1028121011
PLATE プレート
12 1 1042721012
SHAFT シャフト
13
1
102812101302
COLLAR カラー
15
1
1042721015
ARM アーム
16 1 104272101602
SHAFT シャフト
24 1 104272102410
BRACKET フ
゙ラケット
26
1
104272102601
BRACKET(SENSOR) ブラケット(センサ)
27
1
1042721027
BRACKET(SENSOR) ブラケット(センサ)
28 1 104277933702
PIN ピン
30 1 1042779403
GUIDE(SPRING) ガイト
゙(スプリング)
31
1
104277940101
ARM アーム
32
1
104277934001
GUIDE(SPRING) ガイド(スプリング)
33 1 1042779402
BOLT ホ
゙ルト
34 1 104272103401
LEVER レハ
゙ー
35
1
1042777753
COLLAR カラー
36 1 1042721036
COLLAR カラー
37 1 1042721037
COLLAR カラー
38
1
1042721038
COLLAR カラー
39
3
1042721039
BOLT(STOPPER) ボルト(ストッパ)
N 1 1 N641318P3M15
BELT(TIMING) ベルト(タイミング) 318P3M15
N 2 4 N986MS625
PARALLEL PIN ヘイコウヒ
゚ン
MS6-25
N 3
5
N310P916-005
SENSOR センサ P916C-S1720
N 4
1
N986KES415
KEY キー KES4-15
N 5 2 XLB6002UU
BALL BEARING ボールベアリング 6002UU
N 6 1 MSM042AJA
MOTOR モータ MSM042AJA
N 7
1
N533PBR8EFN
ROD END ロッドエンド PBR8EFN
N 8
1
N560N060-053
WASHER ザガネ No.6002
N 9 1 XUB15FP
RETAINING RING C-TYPE C
ガタジクヨウトメワ
15,STEEL,P.C
N10 1 N532CFS5V
CAM FOLLOWER カムフォロア CFS5V
N11
1
XNGNU5YSZ
LOCK-NUT ロックナット M5,2-TYPE,STAINLESS,STEEL,
N12 1 XNRNFU01SC
LOCK-NUT ロックナット FU01SC
N13 1 N560SSWA-046
WASHER サ
゙ガネ
SSWA19-3.0
N14
2
XLB6001UU
BALL BEARING ボールベアリング 6001UU
N16
2
XNGNU8VSZ
LOCK-NUT ロックナット M8,2-TYPE,STAINLESS,STEEL,
N17 1 N560NPT4
GREASE NIPPLE グリースニップル NPT4
N21 1 XNRNFU03SC
LOCK-NUT ロックナット FU03SC
N24
1
N533PBRL8EFN
ROD END ロッドエンド PBRL8EFN
N26
1
XVE3B10FP
HEX. SOCKET HEAD CAP BOLT ロッカクアナツキボルト M3X10,STEEL,P.C
N27 1 XVE3B20FP
HEX. SOCKET HEAD CAP BOLT ロッカクアナツキボルト M3X20,STEEL,P.C
N28 4 XVE4B12FP
HEX. SOCKET HEAD CAP BOLT ロッカクアナツキホ
゙ルト
M4X12,STEEL,P.C
M136
F10452-21-000-1

ノズル選択部
NOZZLE SELECT SECT.
14
F10452-21-000-2
M135