MVIIF Parts list-Mechanical20101207 - 第171页
イラスト No. REF No. PART No. PART NAME REMAR KS Q'TY 18 ノズル θ補正部 NOZZLE THET A READJUSTMENT SECT. 部 品 名 品 番 個数 備 考 1 104272600003 NOZZLE THETA READJUSTMENT ノズル シータ ホセイ ユニット 4 1 102812600402 PLATE プレート 5 1 1042726005…

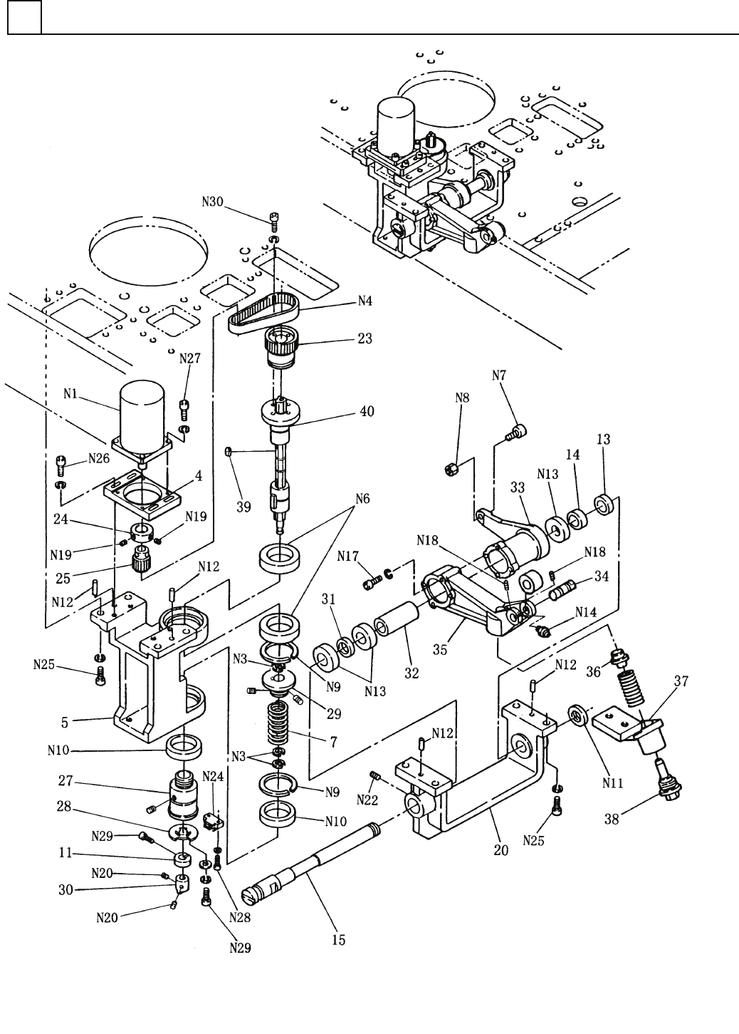
ノズルθ補正部
NOZZLE THETA READJUSTMENT SECT.
18
F10427-26-000-AL-1
M153

イラスト
No.
REF
No.
PART No.
PART NAME
REMARKS
Q'TY
18
ノズルθ補正部
NOZZLE THETA READJUSTMENT SECT.
部 品 名 品 番 個数
備 考
1 104272600003
NOZZLE THETA READJUSTMENT ノズル シータ ホセイ ユニット
4
1
102812600402
PLATE プレート
5
1
104272600506
BRACKET ブラケット
7 1 1042777424
SPRING ハ
゙ネ
11 1 1025826224
STOPPER ストッハ
゚ー
13
1
1028127013
COLLAR カラー
14
1
1022416067
COLLAR カラー
15 1 102812601501
SHAFT シャフト
20 1 102812602002
BRACKET ブラケット
23
1
1042726023
PULLEY(TIMING) プーリー(タイミング)
24 1 1042726024
BOSS ボス
25 1 1042726025
PULLEY(TIMING) プーリー
(タイミング)
27
1
104272602702
BUSHING ブッシュ
28
1
104272602801
SLIT DISK スリットディスク
29 1 104277742701
FLANGE フランジ
30 1 104271711703
TOOTH ツース
31
1
1042779333
COLLAR カラー
32
1
1042779332
COLLAR カラー
33 1 104277933102
LEVER レバー
34 1 104277933702
PIN ヒ
゚ン
35
1
104277935004
LEVER(CAM) レバー(カム)
36
1
104277934001
GUIDE(SPRING) ガイド(スプリング)
37 1 104277935101
HOLDER ホルタ
゙
38 1 104277934101
GUIDE(SPRING) ガイト
゙(スプリング)
39
1
104277742301
KEY キー
40 1 1042726040
BALL SPLINE ボールスプライン
N 1 1 MSM042AJA
MOTOR モータ MSM042AJA
N 3
3
XUD10FP
RETAINING RING E-TYPE E ガタトメワ 10,STEEL,P.C
N 4
1
N6412883GT15
BELT(TIMING) ベルト(タイミング) 288-3GT-15
N 6 2 XLB6907UU
BALL BEARING ボールベアリング 6907UU
N 7 1 N531CFN5RA
CAM FOLLOWER カムフォロア CFN5R-A
N 8
1
XNGNU5YSZ
LOCK-NUT ロックナット M5,2-TYPE,STAINLESS,STEEL,
N 9
2
XUBN1STW35
RETAINING RING C-TYPE,SHAFT C ガタジクヨウトメワ ISTW-35
N10 2 XLBN6807VV
BALL BEARING ボールベアリング 6807VV
N11 1 XNRNFU03SC
LOCK-NUT ロックナット FU03SC
N12
4
N986MS625
PARALLEL PIN ヘイコウピン MS6-25
N13
3
XLB6003UU
BALL BEARING ボールベアリング 6003UU
N14 1 N560NPT4
GREASE NIPPLE ク
゙リースニップル
NPT4
N17 4 XVG5B30FP4
HEXAGON HEAD BOLT ロッカクホ
゙ルト
M5X30,STEEL,P.C,4T
N18
3
XXE4C6FP
HEX. SOCKET SET SCREW ロッカクアナツキトメネジ M4X6,STEEL,P.C
N19 2 XXE4C8FP
HEX. SOCKET SET SCREW ロッカクアナツキトメネジ M4X8,STEEL,P.C
N20 2 XXE4C5FP
HEX. SOCKET SET SCREW ロッカクアナツキトメネシ
゙
M4X5,STEEL,P.C
N22
1
XXE6C8FP
HEX. SOCKET SET SCREW ロッカクアナツキトメネジ M6X8,STEEL,P.C
N24
1
N310P914C
SENSOR センサ P914C
N25 8 XVE8B25FP
HEX. SOCKET HEAD CAP BOLT ロッカクアナツキボルト M8X25,STEEL,P.C
N26 4 XVE5B20FP
HEX. SOCKET HEAD CAP BOLT ロッカクアナツキホ
゙ルト
M5X20,STEEL,P.C
N27
4
XVE4B16FP
HEX. SOCKET HEAD CAP BOLT ロッカクアナツキボルト M4X16,STEEL,P.C
N28
4
XVE3B6FP
HEX. SOCKET HEAD CAP BOLT ロッカクアナツキボルト M3X6,STEEL,P.C
N29 4 XVE3B10FP
HEX. SOCKET HEAD CAP BOLT ロッカクアナツキボルト M3X10,STEEL,P.C
N30 4 XVE4B10FP
HEX. SOCKET HEAD CAP BOLT ロッカクアナツキホ
゙ルト
M4X10,STEEL,P.C
M154
F10427-26-000-AL-1

ノズルθ補正部
NOZZLE THETA READJUSTMENT SECT.
18
F10427-26-000-AL-2
M153