MVIIF Parts list-Mechanical20101207 - 第69页
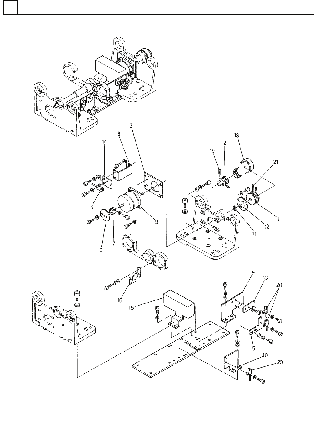
イラスト No. REF No. PART No. PART NAME REMAR KS Q'TY 4 ローダ・アンロータ ゙部(ローダ自 動幅寄せ部 ) LOADER & UN LOADER SECT.(L OADER AUTO W IDTH ADJUSTMEN T SECT.) 部 品 名 品 番 個数 備 考 1 1099705400 AUTO WIDTH CO NTROL UNIT ジト ゙ウハバヨセユ…

ローダ・アンローダ部(ローダ自動幅寄せ部)
LOADER & UNLOADER SECT.(LOADER AUTO WIDTH ADJUSTMENT SECT.)
4
F10997-05-400-AC-1
M51

イラスト
No.
REF
No.
PART No.
PART NAME
REMARKS
Q'TY
4
ローダ・アンローダ部(ローダ自動幅寄せ部)
LOADER & UNLOADER SECT.(LOADER AUTO WIDTH ADJUSTMENT SECT.)
部 品 名 品 番 個数
備 考
1 1099705400
AUTO WIDTH CONTROL UNIT ジト
゙ウハバヨセユニット
1
1
101135550801
PULLEY(TIMING) プーリー(タイミング)
2
1
1017377102
PULLEY(TIMING) プーリー(タイミング)
3 1 1017377103
PLATE フ
゚レート
4 1 1099705405
BRACKET ブラケット
5
1
1017377107
BRACKET ブラケット
6
1
101737710902
PLATE プレート
7 1 101737421301
GUIDE カ
゙イド
8 1 101737711201
BRACKET ブラケット
9
1
101737711301
MOTOR モータ
10 1 1099705417
BRACKET ブラケット
11 1 101135550701
COLLAR カラー
12
1
1017377120
PLATE プレート
13
1
1017377121
PLATE プレート
14 1 1017377123
PLATE プレート
15 1 1099705424
COVER カハ
゙ー
16
1
1099705426
PLATE プレート
17
1
N310P914A
SENSOR フォトマイクロセンサ P914A
18 1 N641T51050
BELT(TIMING) ベルト(タイミング) T5-10-50
19 1 XPL2A16WFW
SPRING PIN スフ
゚リングピン
2X16,STEEL
20
3
N310P914
SENSOR フォトマイクロセンサ P914
21
1
XPL2A35WFW
SPRING PIN スプリングピン 2X35,STEEL
M52
F10997-05-400-AC-1

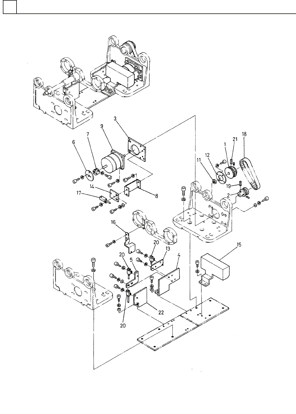
ローダ・アンローダ部(アンローダ自動幅寄せ部)
LOADER & UNLOADER SECT.(UNLOADER AUTO WIDTH ADJUSTMENT SECT.)
4
F10997-05-400-AC-2
M51