P-295-004e.pdf - 第51页
MODEL FP-G 200R 1004-004 Key No. P AR T No. P AR T NAME Q’ty REMARKS New Code NOTE TE-2 list-1 154 6301288949 P .C.B,MOUNT 2 -U06 806TE-510-154 4B1 1 1494 180 6301027166 ACCESSORY ,P .C.B 10 806TE-510-180 23L10074 181 08…

MODEL FP-G200R
0801-002
TE-2 illust-1
電装部
ELECTRICAL
SECTION
Fig. TE-2
エレベータ操作部
Elevator Operating Section
183
181
182
184
154
180
187
187
187
187
See Fig. ER-3
Key No.208
See Fig. ER-3
Key No.203
See Fig. ER-1
Key No.1
See Fig. ER-3
Key No.215
191

MODEL FP-G200R
1004-004
Key No. PART No. PART NAME Q’ty REMARKS New Code
NOTE
TE-2 list-1
154 6301288949 P.C.B,MOUNT 2 -U06 806TE-510-154 4B111494
180 6301027166 ACCESSORY,P.C.B 10 806TE-510-180 23L10074
181 0806451H ASSY_SWITCH_BUTTON 1 -S0520(-H0541) 0806451H
182 0806451J ASSY_SWITCH_BUTTON 1 -S0521(-H0542) 0806451J
183 0806451K ASSY_SWITCH_BUTTON 1 ,-S0522(-H0543) 0806451K
184 0806451L ASSY_LAMP 1 -H0001 0806451L
187 6301306278 NAME PLATE,PARTS 1 806TE-510-187 6P441654
191 4110418908 SCR PAN 3X6 10 M3X6 PAN 221E0497
TE-2

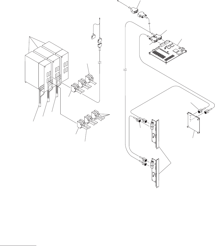
MODEL FP-G200R
0801-002
TE-3 illust-1
電装部
ELECTRICAL
SECTION
Fig. TE-3
ケーブル
Cable
X0201A
X0202
X0203
X0302
X0303
X0102
X0103
X0201B
X0301A
X0301B
X010AB
X0101B
267
258
269
270
263
264
265
262
261
See Fig. ER-8
Key No.702
See Fig. TE-1
Key No.57
See Fig. TE-1
Key No.58
See Fig. TE-2
Key No.154
257
295
292
291
-A02
-A03
-A01
X9001
X90C1
or
-U04
-U05
-U06
-U07
X0802
X0901
X0403
X0501
X0601
X0701
X0502
X0602
X0702
X0404
X505
X90C2