P-246-005e - 第15页
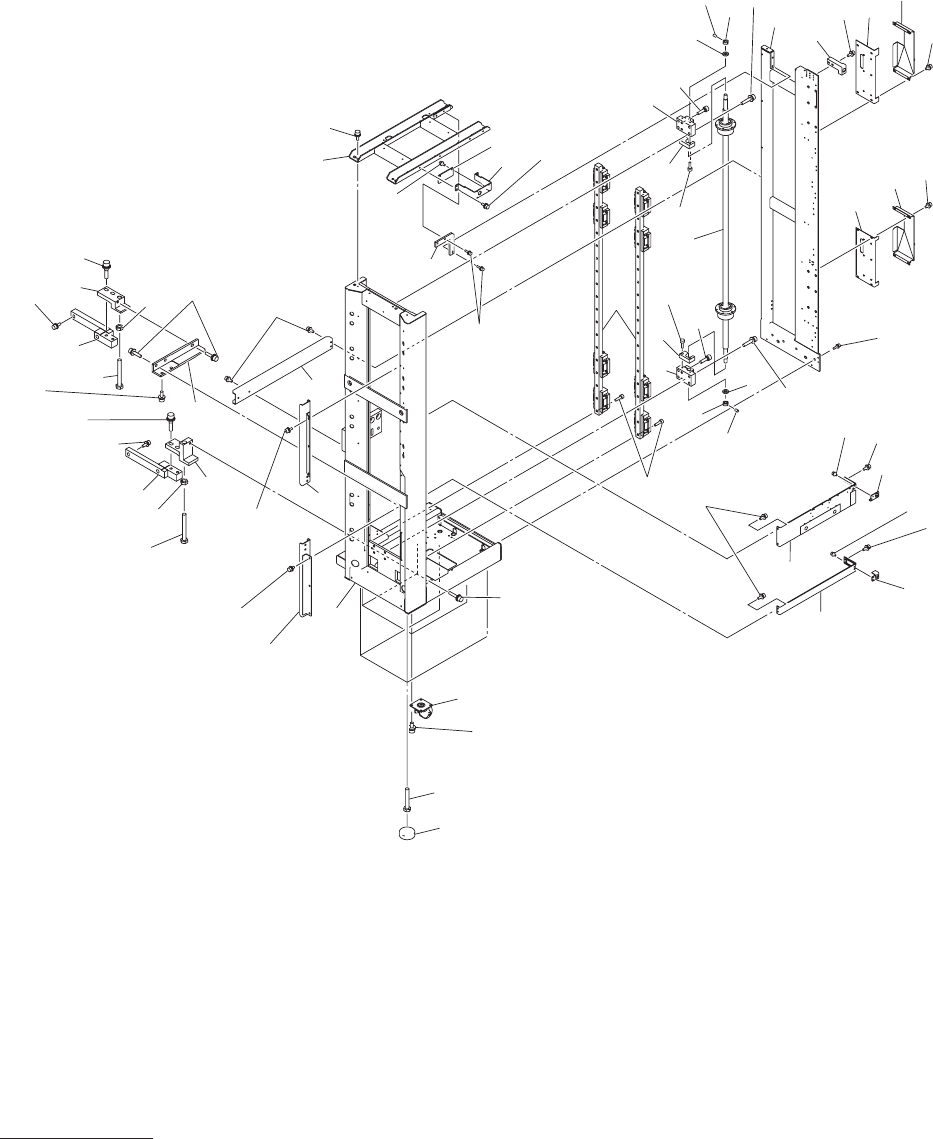
MODEL FP-G200 R 1012-004 13 Key No. P AR T No. P AR T NAME Q’ty REMARKS New Code NOTE 1 6301306377 FRAME 1 806ER-510-001 210B3760 3 6301282022 COLLAR 2 806ER-510-003 216A1 155 4 6301291543 BLOCK 2 806ER-510-004 21 1G3645…

MODEL FP-G200R
0702-002
12
エレベータ部
ELEVATOR SECTION
Fig. ER-1
フレーム部
Frame Section
82
81
.
64
.
80
79
.
62
.
80
79
.
62
.
80
79
.
62
.
74
73
.
54
.
80
79
.
60
.
82
81
.
64
.
74
73
.
53
.
74
73
.
53
.
78
77
.
58
.
80
79
.
63
.
72
71
.
52
.
76
75
.
56
.
74
73
.
54
.
80
79
.
63
.
74
73
.
54
.
74
73
.
53
.
74
73
.
53
.
76
75
.
56
.
80
79
.
63
.
61
29
66
49
27
26
66
49
28
17
1
16
22
23
21
1
1
25
76
75
.
57
.
4
61
3
12
65
55
5
34
24
35
44
47
47
45
65
12
3
59
55
6
4
33
41
42
46
13
30
43
15
14
74
73
.
54
.
74
73
.
.
74
73
.
54
.
72
71
.
51
.
74
73
.
54
.
72
71
.
51
.

MODEL FP-G200R
1012-004
13
Key No. PART No. PART NAME Q’ty REMARKS New Code
NOTE
1 6301306377 FRAME 1 806ER-510-001 210B3760
3 6301282022 COLLAR 2 806ER-510-003 216A1155
4
6301291543 BLOCK 2 806ER-510-004 211G3645
5
6301282008 BLOCK 1 806ER-510-005 211G3574
6
6301289649 BLOCK 1 806ER-510-006 211G3636
1
1 6301292694 BRACKET 1 806ER-510-101 211F8662
12
6301282220 NUT 2 806ER-510-212 221G0174
13
6301345406 BRACKET 1 806ER-510-103 211F9440
14
6301291710 BRACKET 1 806ER-510-104 211F8653
15
6301345420 COVER 1 806ER-510-105 211A9500
16
6301474892 BRACKET 1 806ER-510-016 211FB072
17
6301474885 BRACKET 1 806ER-510-017 211FB071
21
6301293691 BRACKET 1 806ER-510-021 211F8676
22
6301283463 BRACKET 1 806ER-510-022 211F8528
23
6301309989 FRAME 1 806ER-510-023 210B3774
24
6301310138 FRAME 1 806ER-510-024 210B3776
25
6301283982 BRACKET 1 806ER-510-025 211F8535
26
6301296944 BLOCK 1 806ER-510-125 211G3677
27
6301296951 BLOCK 1 806ER-510-126 211G3678
28
6301296968 BLOCK 1 806ER-510-127 211G3679
29
6301296975 BLOCK 1 806ER-510-128 211G3680
30
6301296982 BLOCK 1 806ER-510-129 211G3681
33
6301297842 GUIDE,LINEAR 2 806ER-510-203 222L0720
34
6301363455 BALL SCREW 1 806ER-510-204 223B0366
35
6301294087 BRACKET 1 806ER-510-035 211F8687
41
6301264486 CASTER 4 806ER-510-221 226E0055
42
6300008869 BOLT,HEX 4 806ER-510-222 221B0031
43
6301285214 BRACKET 1 806ER-510-043 211F8564
44
6301310015 COVER 1 806ER-510-044 211A9123
45
6301310022 COVER 1 806ER-510-045 211A9124
46
6300289749 FOOT PAD 6 806ER-510-223 218D0002
47
6301309958 COVER 2 806ER-510-047 211A9122
49
6300008876 BOLT,HEX 2 806ER-510-249 221B0032
51
6300007503 BOLT,HEX-SCT 4 M3X6 221A0005
52
6300007510 BOLT,HEX-SCT 2 M3X8 221A0006
53
6300007619 BOLT,HEX-SCT 14 M4X8 221A0016
54
6300007626 BOLT,HEX-SCT 15 M4X10 221A0017
55
6300007633 BOLT,HEX-SCT 4 M4X12 221A0018
56
6300007756 BOLT,HEX-SCT 4 M5X12 221A0030
57
6300007763 BOLT,HEX-SCT 8 M5X16 221A0031
58
6300007879 BOLT,HEX-SCT 16 M6X12 221A0042
59
6300007893 BOLT,HEX-SCT 40 M6X20 221A0044
60
6300008012 BOLT,HEX-SCT 2 M8X20 221A0056
61
6300008029 BOLT,HEX-SCT 4 M8X25 221A0057
62
6300008036 BOLT,HEX-SCT 7 M8X30 221A0058
63
6300008043 BOLT,HEX-SCT 9 M8X35 221A0059
64
6300008159 BOLT,HEX-SCT 4 M10X40 221A0070
65
6300008883 SET SCREW 4 M3X4 SET 221C0001
66
4111411502 NUT HEX 16 2 M16 221F0095
71
4111412806 WASHER SPR 3 6 SW3 221H0281
ER-1

MODEL FP-G200R
1012-003
14
Key No. PART No. PART NAME Q’ty REMARKS New Code
NOTE
72 4111413902 WASHER V 3X7X0.5 6 FW3 221H0312
73 4111412905 WASHER SPR 4 29 SW4 221H0284
74
4111414008 WASHER V 4X9X0.8 29 FW4 221H0315
75
4111416705 WASHER SPR 5 12 SW5 221H0287
76
4111414107 WASHER V 5X10X1 12 FW5 221H0318
77
4111413001 WASHER SPR 6 16 SW6 221H0289
78
4111414305 WASHER V 6X12.5X1.6 16 FW6 221H0320
79
4111413100 WASHER SPR 8 18 SW8 221H0291
80
4111414503 WASHER V 8X17X1.6 18 FW8 221H0323
81
4111413209 WASHER SPR 10 4 SW10 221H0293
82
4111414701 WASHER V 10X21X2 4 FW10 221H0325
ER-1