P-246-005e - 第51页
MODEL FP-G200 R 1012-003 49 Key No. P AR T No. P AR T NAME Q’ty REMARKS New Code NOTE 154 6301288949 P .C.B,MOUNT 2 -U06 806TE-510-154 4B1 1 1494 178 6300703009 LAMP 1 -H0001 806TE-510-178 4T300027 179 6300728095 SWITCH,…

MODEL FP-G200R
0410-001
48
電装部
ELECTRICAL SECTION
Fig. TE-2
エレベータ操作部
Elevator Operating Section
179
179
179
178
154
180
187
187
187
187
See Fig.ER-3
Key No.208
See Fig.ER-3
Key No.203
See Fig.ER-1
Key No.1
See Fig.ER-3
Key No.215
191

MODEL FP-G200R
1012-003
49
Key No. PART No. PART NAME Q’ty REMARKS New Code
NOTE
154 6301288949 P.C.B,MOUNT 2 -U06 806TE-510-154 4B111494
178 6300703009 LAMP 1 -H0001 806TE-510-178 4T300027
179
6300728095 SWITCH,BUTTON 3 -S0520(-H0541),
-S0521(-H0542),
-S0522(-H0543)
806TE-510-179 4S1B0118
180
6301027166 ACCESSORY,P.C.B 10 806TE-510-180 23L10074
187
6301306278 NAME PLATE,PARTS 1 806TE-510-187 6P441654
191
4110418908 SCR PAN 3X6 10 M3X6 PAN 221E0497
TE-2

MODEL FP-G200R
0505-002
50
電装部
ELECTRICAL SECTION
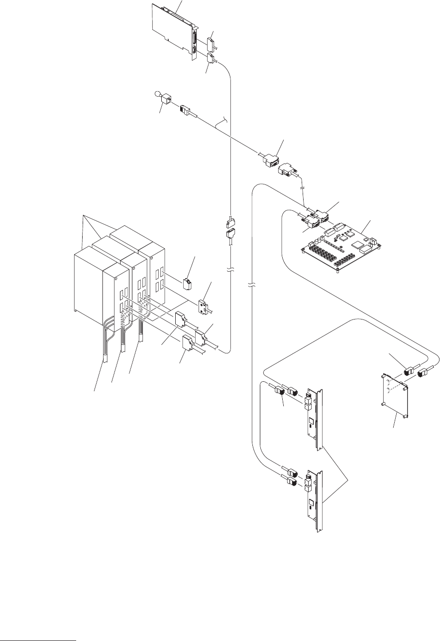
Fig. TE-3
ケーブル
Cable
267
258
269
270
263
264
265
262
261
268
266
See Fig.ER-8
Key No.702
See Fig.TE-1
Key No.56
See Fig.TE-1
Key No.57
See Fig.TE-1
Key No.58
See Fig.TE-2
Key No.154
257
295
292
291
296