P-329-006_SIGMA-G5S - 第155页
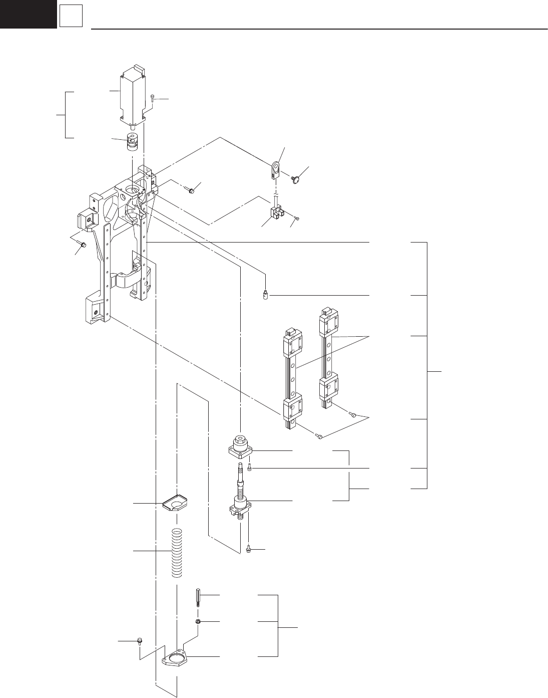
– 149 – HIGH SP E ED HEAD SEC T ION 181 1-006 No. Part No. Part Name Qty . Detail Y amaha Hitachi 121 KYB-M703J-00 101 1300Q ASSY_MOT OR_HL 1 121-01 KYB-M701F-00 101 1D21K MOTOR_AC-SERVO 1 121-02 KYB-M702C-00 0916DK19 CO…

– 149 –
HIGH SPEED HEAD SECTION
1811-006
No.
Part No.
Part Name Qty. Detail
Yamaha Hitachi
121 KYB-M703J-00 1011300Q ASSY_MOTOR_HL 1
121-01 KYB-M701F-00 1011D21K MOTOR_AC-SERVO 1
121-02 KYB-M702C-00 0916DK19 COUPLING 1
122 KYB-M703K-00 1011300R ASSY_STOPER_HL 1
122-01 KYB-M703T-00 1011D21U PLATE_HL-SP 1
122-02 KYB-M703S-00 1011D21C STOPPER_HL 1
122-03 95302-03700 221FA006 NUT,HEXAGON 1 M3
122-04 92902-03200 221HA103 WASHER,PLAIN 1 FW3
135 KYB-M703U-00 1011D21Z SPRING_COMP 1
136 KYB-M702K-00 0916DL21 PLATE_HL_SPRING 1
139 92902-03200 221HA103 WASHER,PLAIN 2 FW3
142 91312-03010 221AA007 BOLT,HEX.SOCKET HEAD 4 M3L10
144 90112-2AJ010 221AA321 BOLT,HEX.SOCKET HEAD 2 M2.5L10
158 91312-03008 221AA006 BOLT,HEX.SOCKET HEAD 6 M3L8
170 KYB-M700X-00 1011300D ASSY_OUT-BASE 1
170-01 KYB-M703L-00 10113013 ASSY_HL_BALL_SCREW 1
170-11 KYB-M7049-00 222F0090 BEARING_UNIT 1
170-12 KYB-M700P-00 0916DL1E HL_BALL_SCREW 1
170-02 KYB-M704H-00 226J2537 STOPPER 1
170-03 KYB-M7018-00 1011D202 GUIDE_LINEAR_HL 2
170-04 KYB-M7006-00 1011D21S BASE_OUTSIDE 1
170-05 91312-03008 221AA006 BOLT,HEX.SOCKET HEAD 18 M3L8
171 KYB-M7010-00 1011300S ASSY-HL-SENSOR 1
172 KYB-M7045-00 221A0468 BOLT_HEX-SCT 4
173 92902-06200 221HA106 WASHER,PLAIN 4 FW6
174 KYB-M65AW-00 23N30632 WIRING 1
175 90990-11J009 221DA051 SCREW,PAN HEAD WW 1 PAN M3L6 SW+FW

– 150 –
G1
1811-006
3
Nozzle Leveller,and selecter
215-02
215-01
215
219
214-01
214
213
278
247
252
239
249
239
249
216-05
246
242
248
214-04
245
247
213-03
230
214-03
214-02
229
216-02
216-01
216-03
216-04
243
213-01
224
213-02
244
244
239
237
238
See Fig. G1-2
Key No.170-03
See Fig. G1-5
Key No.408-21
239
258
258
239
258
239
258
231
216
217
M34
B0503
217-03
217-02
217-01
234
233
M32
