P-329-006_SIGMA-G5S - 第160页
– 154 – G1 181 1-006 5 DD Motor B0502 425 408-06 408-05 401-03 438 439 437 423 442 439 438 439 442 See Fig. G1-3 Key No.231 D See Fig. G1-3 Key No.213-01 408-21 442 408-12 408-11 408-13 408-23 408-22 408-03 408-04 408-02…

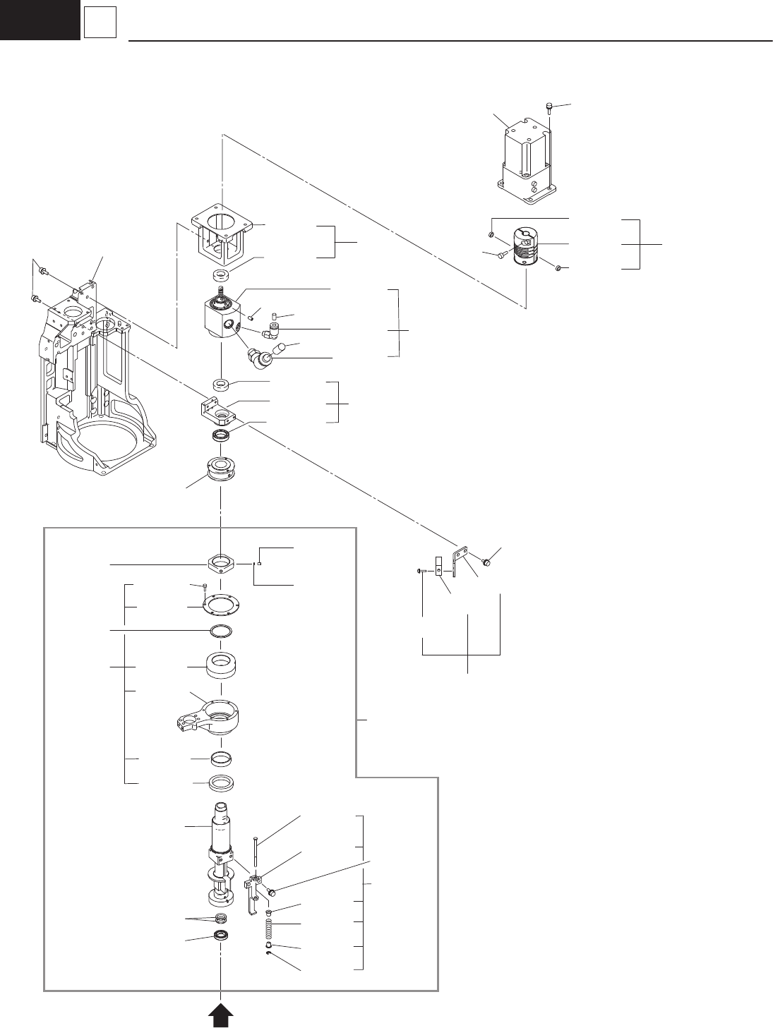
– 153 –
HIGH SPEED HEAD SECTION
1811-006
No.
Part No.
Part Name Qty. Detail
Yamaha Hitachi
303 KYB-M700Y-00 1011300H ASSY_ROTOR_BOTTOM 1
303-01 KYB-M700V-00 1006331V ASSY_NOZZLE_SHAFT 15
303-02 KYB-M704E-00 226A0279 SEAL 15
303-03 KYB-M700D-00 1011D20V ROTOR 1
303-04 KYB-M702R-00 1001DK1L SPRING_COMP_NOZ 15
303-05 90112-02J004 221AA121 BOLT,HEX.SOCKET HEAD 15 M2L4
304 KYB-M7034-00 1006331X ASSY_VACUUM_VALVE 15
305
KYB-M703C-00 1011300J ASSY_TOP BLOCK 15
KYA-M701U-00 ASSY_BLOCK_TOP 15 MN50176-2016/6/8-OK
306 KYB-M701W-00 09163RA1 ASSY_FILTER-HH 15
306-01 KYB-M701R-00 216B1811 HOLDER 15
306-02 KYB-M704D-00 225B0572 AIR_CLEAN_EQPT 30
306-03 KYB-M702B-00 0916D338 SEAL 30
307 KYB-M703D-00 1011300K ASSY_ROTOR_TOP 15
307-01 KYB-M7005-00 1011D20U ROTOR 1
307-02 KYB-M7035-00 1006331Y ASSY_SEAL_HOLDER 15
307-11 KYB-M702F-00 0916DK2D HOLDER 15
307-12 KYB-M7028-00 0916D31E SEAL 45
307-13 KYB-M704E-00 226A0279 SEAL 15
307-14 KYB-M704F-00 226A0286 SEAL 15
307-03 KYB-M704G-00 226A0293 SEAL 2
320 KYB-M7013-00 1011300V ASSY_S-V-CAMERA 1
320-01 KYB-M700T-00 1005GD4G LIGHTING_UNIT 1
320-02 KYB-M862V-00 10113017 SENSOR,SVC 1
326 KYB-M701A-00 1011D211 BLOCK_SVC 1
327 KYB-M703R-00 1011D210 BRACKET_SVC 1
328 KYB-M702A-00 0916D31G DISK 1
332 KYB-M7029-00 0916D31F DISK 1
340
90990-01J114 221AA330 BOLT,HEX.SOCKET HEAD 15 M1.6L3
90990-01J114 221AA330 BOLT,HEX.SOCKET HEAD 30 M1.6L3 MN50176-OK
341 90112-02J004 221AA121 BOLT,HEX.SOCKET HEAD 3 M2L4
353 90990-01J117 221AA332 BOLT,HEX.SOCKET HEAD 2 M1.6L4
354 91312-03025 221AA012 BOLT,HEX.SOCKET HEAD 2 M3L25
355 90112-02J008 221AA115 BOLT,HEX.SOCKET HEAD 2 M2L8
356 90171-02J026 221HA101 WASHER,PLAIN 2 FW2
359 92907-03200 221HA290 WASHER,PLAIN 2 FW3
360 95302-03700 221FA006 NUT,HEXAGON 1 M3
362 91317-03006 221AA201 BOLT,HEX.SOCKET HEAD 1 M3L6
363 91317-03010 221AA203 BOLT HEX.SOCKET HEAD 1 M3L10
377 90990-01J115 221AB009 BOLT,HEX.SOCKET HEAD 8 M1.6L4
379 KYB-M703W-00 1011D226 ROD_SVC-CABLE 1

– 154 –
G1
1811-006
5 DD Motor
B0502
425
408-06
408-05
401-03
438
439
437
423
442
439
438
439
442
See Fig. G1-3
Key No.231
D
See Fig. G1-3
Key No.213-01
408-21
442
408-12
408-11
408-13
408-23
408-22
408-03
408-04
408-02
408-24
408-29
408-25
408-09
408-28
408
408-27
410-01
401-02
410-02
412-01
410-02
411-02
401-01
412-03
412-02
461
412
409-01
409
411-01
409-02
409-02
408-15
408-15
408-14
408-26
U37
408-01
411
410
401
462

– 155 –
HIGH SPEED HEAD SECTION
1811-006
E
453
450
451
D
418
See Fig. G1-4
Key No.307-01
457
M31
DETAIL”E”
402