P-329-006_SIGMA-G5S - 第266页
– 260 – H3 181 1-006 14 Back-up Base R 1 1 1 1 13 30 18 4 6 23 21 20 30 7 25 32 22 28 26 40 8 39 41 9 19 27 42 38 37 42 38 37 25 7 1 35 36 10 22 28 26 40 8 39 41 9 19 27 10 14 17 15 16 33 22 3 31 12 29 29 5 34 24 12 2

– 259 –
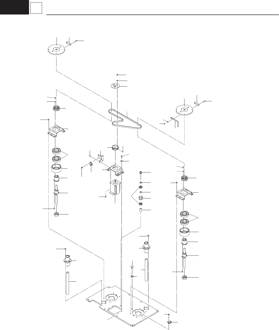
SINGLE CONVEYOR SECTION
1811-006
No.
Part No.
Part Name Qty. Detail
Yamaha Hitachi
1 KYX-M910M-00 BACK UP ASSY. 1
1-01 KYX-M910A-00 BASE R ASSY. 1
1-02 KYX-M910B-00 BASE L ASSY. 1
1-03 91317-08016 1012C0AE BOLT,HEX.SOCKET HEAD 16
2 KYX-M911F-00 PLATE L 1
3 KYX-M911G-00 PLATE R 1
4 91312-04010 221AA017 BOLT,HEX.SOCKET HEAD 24
5 KYB-M916K-00 101223A2 ASSY-BU-PIN-SENS 1
6 KYX-M91BG-00 BRACKET R 1
7 KYX-M91BF-00 BRACKET L 1
8 90166-02J210 221DA004 SCREW, PAN HEAD 4
9 90171-02J026 221H0307 WASHER,PLAIN 4
10 KYB-M91C8-00 211FD666 BRACKET 2
11 KYA-M3802-00 0974J00U BACK_UP_PIN 20
12 KYA-M7740-A0 0974900Y NOZZLE PK01C ASSY. 1

– 261 –
SINGLE CONVEYOR SECTION
1811-006
No.
Part No.
Part Name Qty. Detail
Yamaha Hitachi
1 KYX-M9119-00 PLATE,BASE R 1
2 KYX-M9191-00 BRACKET,MOTOR 1
3 KYB-M913X-00 1007A007 MOTOR_STEPPING 1
4 KYB-M91BL-00 1012C085 PULLEY_TIMING 1
5 KYB-M91BE-00 1012C07R DISK 1
6 KYB-M91BD-00 1012C07Q BRACKET 1
7 KYB-M261N-00 23G10001 SENSOR-PHOTO 2
8 KYX-M9211-00 HOLDER,BRG. 2
9 KYX-M91P8-00 - BALL SCREW 2
10 KYX-M913Y-00 PULLEY TIMING 2
11 KYX-M912N-00 BLOCK,DISK 2
12 KYB-M919X-00 0948C203 BLOCK(BACKUP) 2
13 KYX-M91C5-00 BRACKET 1
14 90933-03J608 222D0343 BEARING_RADIAL 2
15 KYB-M91CH-00 216A1552 COLLAR 1
16 KYB-M91CJ-00 216A1586 COLLAR 1
17 KYX-M91CL-00 COLLAR 1
18 KYX-M91BC-00 TIMING BELT 1
19 KYX-M91BY-00 BLOCK,STOPPER 2
20 91312-05016 221AA031 BOLT,HEX.SOCKET HEAD 4
21 KYB-M65AA-00 221HA303 ROHS_WASHER 4
22 91312-04010 221AA017 BOLT,HEX.SOCKET HEAD 10
23 90990-02J026 221CA007 SCREW,SET 2
24 91312-04006 221AA015 BOLT,HEX.SOCKET HEAD 3
25 97602-03312 221DA047 SCREW,PAN HEAD WW 4
26 91312-05008 221AA028 BOLT,HEX.SOCKET HEAD 12
27 91312-03010 221AA007 BOLT,HEX.SOCKET HEAD 8
28 92902-04600 221HA204 WASHER,PLAIN 8
29 91312-04020 221AA021 BOLT,HEX.SOCKET HEAD 4
30 91312-03006 221AA005 BOLT,HEX.SOCKET HEAD 4
31 92902-03200 221HA103 WASHER,PLAIN 2
32 91312-08055 221AA336 BOLT,HEX.SOCKET HEAD 1
33 92902-08200 221HA107 WASHER,PLAIN 1
34 92902-04200 221HA104 WASHER, PLAIN 3
35 90132-10J055 221BB008 BOLT,HEXAGON 1
36 90189-02J106 221FA015 NUT,HEXAGON 1
37 KYX-M9218-00 SHAFT 2
38 KYX-M9217-00 BALL BUSH 2
39 90933-01J007 BEARING 4
40 KYX-M9212-00 BRACKET,HOUSING 2
41 KYX-M91P6-00 - BLOCK,HOLDER 2
42 91312-05010 221AA029 BOLT,HEX.SOCKET HEAD 8
