NPM-W2--PARTS LIST - 第231页
Ref No. Remarks R 1 Q'ty 7-A 30連交換台車駆動部(右側):NPM-W2 30 Slot Feeder Cart Drive Unit(R ight Side):NPM-W2 イラスト No. Part No. 品 名 品 番 数量 R 2 パーツリスト Kit No. キット品番 Kit Name キット名称 N610156868AA Part Nam e 備 考 セク ショ ンNo . PART…

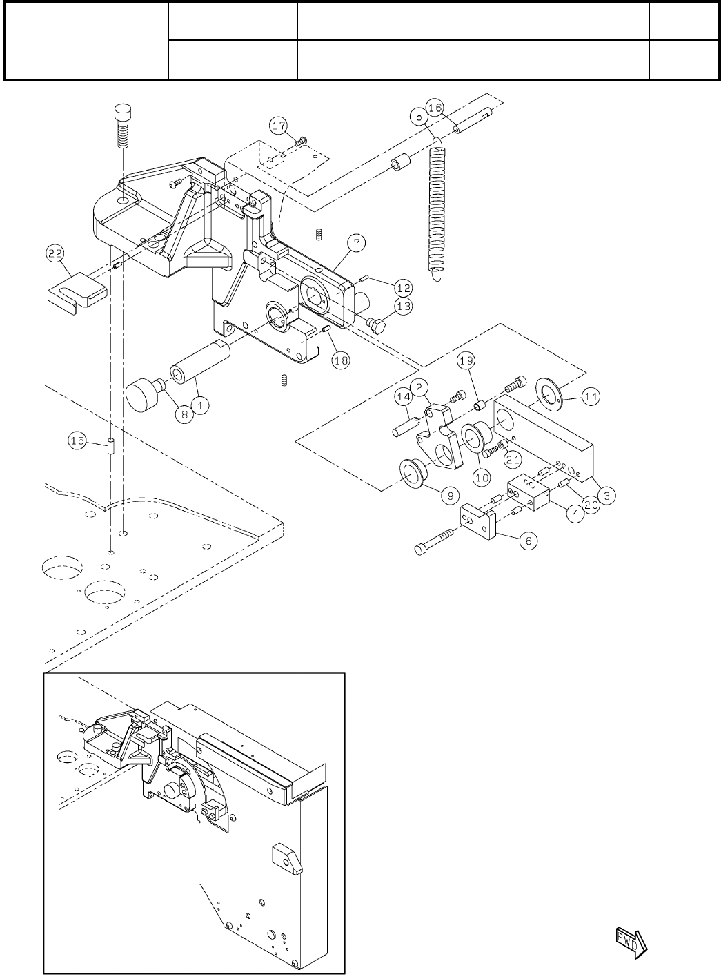
7-A
30連交換台車駆動部(右側):NPM-W2
30 Slot Feeder Cart Drive Unit(Right Side):NPM-W2
パーツレイアウト
Kit No.
キット品番
Kit Name
キット名称
N610156868AA
セクションNo.
PARTS LAYOUT
Section No.
--
O29
( KN610156868AA-06-1 )

Ref
No.
Remarks R
1
Q'ty
7-A
30連交換台車駆動部(右側):NPM-W2
30 Slot Feeder Cart Drive Unit(Right Side):NPM-W2
イラスト
No.
Part No.
品 名品 番 数量
R
2
パーツリスト
Kit No.
キット品番
Kit Name
キット名称
N610156868AA
Part Name
備 考
セクションNo.
PARTS LIST
Section No.
R
3
SHAFT
1
1 N210091107AA
LEVER
1
2 N210103096AE
LEVER
1
3 N210143124AB
SPACER
1
4 N210143115AA
SPRING
1
5 N210146764AB
GUIDE
1
6 N210199740AA
BRACKET
1
7 MTKP000197AB
CAM-FOLLOWER
1
8 N510036568AA CF-SFU-12B
BUSH
1
9 N510037242AA LFF-2010
BUSH
1
10 N510013369AA LFF-2015
WASHER
1
11 N510037241AA LFW-2015
PIN
1
12 N510020590AA MMS3-10
STOPPER
1
13 N510029795AA SPM-M8
DOWEL-PIN
1
14 N510038675AA MMST8-30
PIN
2
15 N510020618AA MMS6-15
POST
1
16 N210155169AB
BOLT
2
17 N510017516AA
SSS 003 Hexagon socket button head screw M4X10-10.9 A2J (Trivalent)
PIN
6
18 KXF0CXHAA00 1017003-40008
SPACER
1
19 MTNK000503AA CF-610ZE
PIN
4
20 N510020607AA MMS5-10
SPACER
1
21 N510019918AA CF-406E
GUIDE
1
22 N210201224AA
O30
--
( KN610156868AA-06-1 )

7-B
30連交換台車駆動部(右側):NPM-W2
30 Slot Feeder Cart Drive Unit(Right Side):NPM-W2
パーツレイアウト
Kit No.
キット品番
Kit Name
キット名称
N610156868AA
セクションNo.
PARTS LAYOUT
Section No.
--
O31
( KN610156868AA-06-2 )