NPM-W2--PARTS LIST.pdf - 第54页
9-B X軸:NPM-W2 X-Ax is:NPM-W 2 パーツレイアウト Kit No. キット 品番 Kit Name キット名称 N610154663AA セクションNo. PARTS LAYOUT Section No. - - S31 ( KN610154663AA-10-2 )

Ref
No.
Remarks R
1
Q'ty
9-A
X軸:NPM-W2
X-Axis:NPM-W2
イラスト
No.
Part No.
品 名品 番 数量
R
2
パーツリスト
Kit No.
キット品番
Kit Name
キット名称
N610154663AA
Part Name
備 考
セクションNo.
PARTS LIST
Section No.
R
3
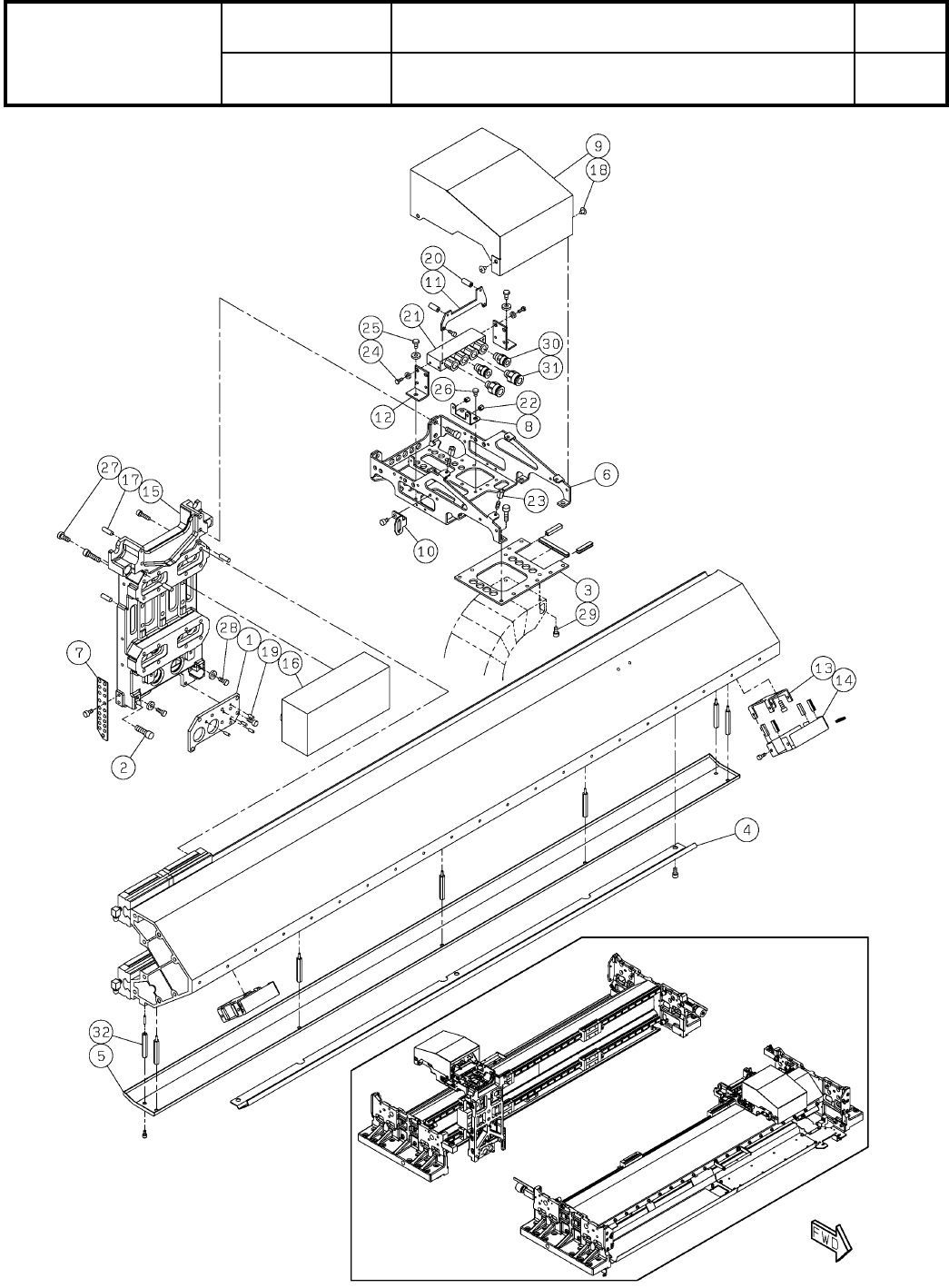
STOPPER
4
1 N210109236AB
PLATE
1
2 N210194249AA
PLATE
1
3 N210194250AA
HANDLE
1
4 MTPA001489AA
WASHER
4
5 N210118272AA
BRACKET
2
6 N210190915AA
X-BEAM
1
7 N610154664AE
MOTOR
2
8 N510057949AA
S
LM-LCS10-512-7250
LINEAR-WAY
2
9 N510060185AA HSR15SLV2GCS+1035LHS-II(00045312C000)
SPACER
2
10 N510029505AA ASF-424E
SPACER
2
11 N510020911AA ASF-414E
BOLT
6
12 N510067820AA Ultra Low Head Cap Screw M6X12-8.8 SOB
SPACER
4
13 N510044825AA 3382330-40075
PLATE
1
14 N510058932AA P102520-T05N
S30
--
( KN610154663AA-10-1 )

9-B
X軸:NPM-W2
X-Axis:NPM-W2
パーツレイアウト
Kit No.
キット品番
Kit Name
キット名称
N610154663AA
セクションNo.
PARTS LAYOUT
Section No.
--
S31
( KN610154663AA-10-2 )

Ref
No.
Remarks R
1
Q'ty
9-B
X軸:NPM-W2
X-Axis:NPM-W2
イラスト
No.
Part No.
品 名品 番 数量
R
2
パーツリスト
Kit No.
キット品番
Kit Name
キット名称
N610154663AA
Part Name
備 考
セクションNo.
PARTS LIST
Section No.
R
3
PLATE
1
1 N210093674AB
BOLT
1
2 N210184016AA
PLATE
1
3 N210140923AB
COVER
1
4 N210182047AB
PAN
1
5 N210182048AA
BRACKET
1
6 MTPB000964AB
PLATE
1
7 N210134648AC
BRACKET
1
8 N210103043AB
COVER
1
9 MTPB000807AB
BRACKET
1
10 N210151399AA
BRACKET
1
11 N210189803AA
BRACKET
2
12 N210189801AA
BRACKET
2
13 N210147157AB
COVER
2
14 N210147159AA
HEAD PLT
1
15 N610163870AC
MOTOR
1
16 N510069248AA
S
LM-LCP1A-34P-Z270
PIN
4
17 N510020608AA MMS5-15
SCREW
4
18 N510018278AA
Cross recessed Truss head machine screw M4X5-4.8 A2S (Trivalent)
PIN
4
19 N510020589AA MMS3-8
SPACER
2
20 N510026166AA CF-314E
COUPLER
1
21 N510067979AA MA-MS10SF-4(CS38518-0)
SPACER
6
22 N510036999AA ASF-2605E
SPACER
2
23 N510029513AA ASF-410E
BOLT
4
24 N510002760AA SRBS-M3X8
BOLT
2
25 N510000423AA SRBS-M4X8
BOLT
2
26 N510067791AA Low Head Cap Screw M4X6-8.8 SOB
BOLT
1
27 N510067779AA Low Head Cap Screw M5X12-8.8 A2J(Trivalent)
BOLT
2
28 N510067793AA Low Head Cap Screw M4X10-8.8 SOB
BOLT
2
29 MTNK000560AA
Hexagon socket head cap screw M4X8-10.9 A2J (Trivalent)(MEC process:T
JOINT
2
30 N510067913AA FR6-01M
JOINT
2
31 N510067914AA FR8-01M
SPACER
7
32 N510027348AA ASF-335E
S32
--
( KN610154663AA-10-2 )