NPM-W2--PARTS LIST - 第61页
Ref No. Remarks R 1 Q'ty 10 他軸干渉センサ:NPM-W2 Interference Sensor:NPM-W2 イラスト No. Part No. 品 名 品 番 数量 R 2 パーツリスト Kit No. キット品番 Kit Name キット名称 N610168718AA Part Nam e 備 考 セク ショ ンNo . PARTS LIST Section No. R 3 BRACKET 1…

10
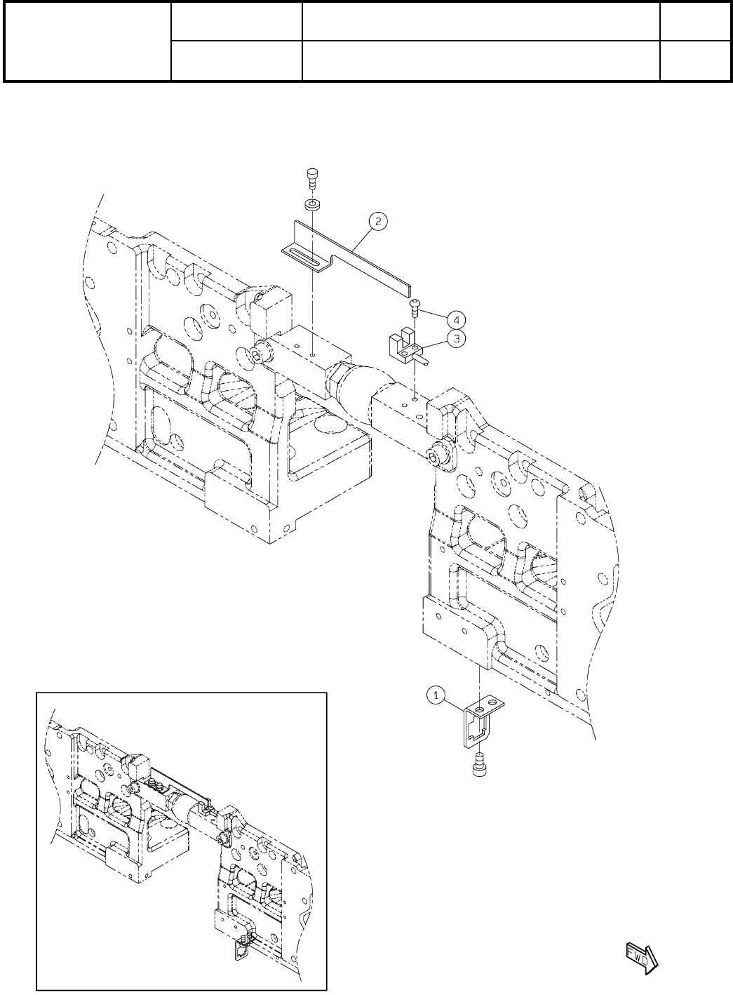
他軸干渉センサ:NPM-W2
Interference Sensor:NPM-W2
パーツレイアウト
Kit No.
キット品番
Kit Name
キット名称
N610168718AA
セクションNo.
PARTS LAYOUT
Section No.
--
S37
( KN610168718AA-02 )

Ref
No.
Remarks R
1
Q'ty
10
他軸干渉センサ:NPM-W2
Interference Sensor:NPM-W2
イラスト
No.
Part No.
品 名品 番 数量
R
2
パーツリスト
Kit No.
キット品番
Kit Name
キット名称
N610168718AA
Part Name
備 考
セクションNo.
PARTS LIST
Section No.
R
3
BRACKET
1
1 KXFB02ALA00
DOG
1
2 N210134661AA
SENSOR
1
3 N510028410AA EE-SX911-C2J-R 0.3M
BOLT
2
4 N510000327AA
SSS 003 Hexagon socket button head screw M3X8-12.9 SOB
S38
--
( KN610168718AA-02 )

11
銘板・警告ラベル(X軸):NPM-W2
Label(X-Axis):NPM-W2
パーツレイアウト
Kit No.
キット品番
Kit Name
キット名称
N610169259AA
セクションNo.
PARTS LAYOUT
Section No.
--
S39
( KN610169259AA-02 )