P-146-001e.pdf - 第59页
MODEL TPM-100F/R 0102-001 Key No . P AR T No. P AR T NAME Q’ty REMARKS NOTE 57 FB-1 1 630 091 2470 MOTOR,STEPPING 1 MPM031, B2086-D01ASM 748FB-1 10-001 2 630 088 3558 COUPLING 1 748FB-1 10-002 3 630 005 1353 BEARING,UNIT…

MODEL TPM-100F/R
0102-001
56
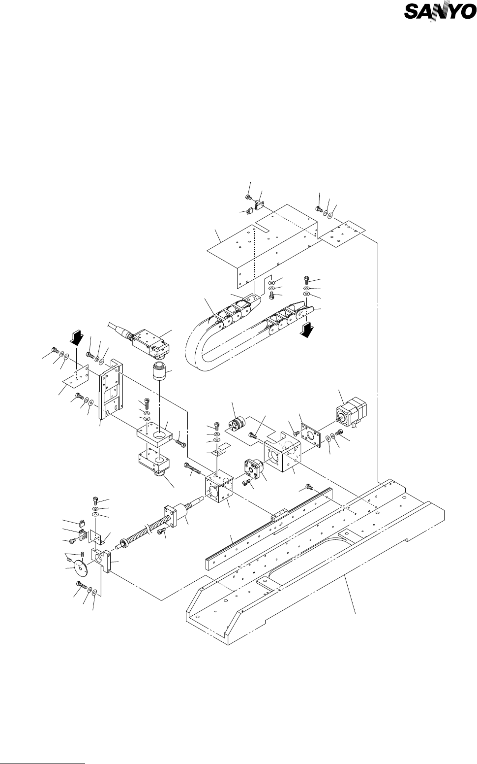
スクリーン認識部 SCREEN RECOGNITION SECTION
Fig. FB-1 スクリーン認識 X 部 Screen Recognition X Section
61
7
68
72
73
78
77
74
74
77
78
11
A
10
9
78
77
78
21
63
64
65
67
72
73
24
71
2
68
4
62
16
1
73
3
68
17
5
69
18
73
72
67
20
8
6
61
66
19
76
77
78
See Fig.FA-1
Key No.22
15
72
68
75
79
22
75
23
70
A
72
73
13
12
14
77
74
8
25
Fig.FB-1
TPM-100F/R

MODEL TPM-100F/R
0102-001
Key No. PART No. PART NAME Q’ty REMARKS
NOTE
57
FB-1
1 630 091 2470 MOTOR,STEPPING 1 MPM031, B2086-D01ASM
748FB-110-001
2 630 088 3558 COUPLING 1 748FB-110-002
3 630 005 1353 BEARING,UNIT 1 748FB-110-003
4 630 088 2964 GUIDE,LINEAR 1 748FB-110-004
5 630 088 5125 BALL SCREW 1 748FB-110-005
6 630 088 3602 SENSOR,PHOTO 1 BPH314 748FB-110-006
7 630 088 3640 SENSOR,PHOTO 1 BPH311 748FB-110-007
8 630 088 4487 CONNECTOR 2 748FB-110-008
9 630 088 3701 MECH PARTS 1 748FB-110-009
10 630 088 3688 MECH PARTS 1 748FB-110-010
11 630 088 3695 MECH PARTS 1 748FB-110-011
12 630 089 2567 UNIT,CAMERA 1 B003, #KP-MC2-S2 748FB-110-012
13 630 089 2673 SCOPE UNIT 1 #LA-001-16-32-L39 748FB-110-013
14 630 096 0624 LIGHTING UNIT 1 E06E, #8S161 748FB-110-014
15 630 088 0359 BRACKET 1 748FB-110-015
16 630 091 0100 PLATE 1 748FB-110-016
17 630 088 0458 BLOCK 1 748FB-110-017
18 630 088 0410 BLOCK 1 748FB-110-018
19 630 088 0427 PLATE 1 748FB-110-019
20 630 088 0434 BRACKET 1 748FB-110-020
21 630 088 0465 STAY 1 748FB-110-021
22 630 088 0472 BLOCK 1 748FB-110-022
23 630 088 0489 STAY 1 748FB-110-023
24 630 088 0496 STAY 1 748FB-110-024
25 630 088 0441 STAY 1 748FB-110-025
61 411 041 7208 SCR PAN 3X5 4 748FB-110-061
62 411 034 7208 SCR FLT 3X8 4 748FB-110-062
63 630 000 7565 BOLT,HEX-SCT 4 748FB-110-063
64 411 141 2806 WASHER SPR 3 4 748FB-110-064
65 411 141 3902 WASHER V 3X7X0.5 4 748FB-110-065
66 630 000 8920 SET SCREW 2 748FB-110-066
67 630 000 7619 BOLT,HEX-SCT 4 748FB-110-067
68 630 000 7626 BOLT,HEX-SCT 23 748FB-110-068
69 630 000 7640 BOLT,HEX-SCT 4 748FB-110-069
70 630 000 7657 BOLT,HEX-SCT 4 748FB-110-070
71 630 000 7718 BOLT,HEX-SCT 4 748FB-110-071
72 411 141 2905 WASHER SPR 4 16 748FB-110-072
73 411 141 4008 WASHER V 4X9X0.8 16 748FB-110-073
74 630 000 7749 BOLT,HEX-SCT 6 748FB-110-074
75 630 000 7763 BOLT,HEX-SCT 6 748FB-110-075
76 630 000 7787 BOLT,HEX-SCT 2 748FB-110-076
77 411 141 6705 WASHER SPR 5 10 748FB-110-077
78 411 141 4107 WASHER V 5X10X1 10 748FB-110-078
79 630 000 7893 BOLT,HEX-SCT 1 748FB-110-079

MODEL TPM-100F/R
0102-001
58
基板認識部 P.E.C. RECOGNITION SECTION
Fig. G-1 基板認識 X 軸 P.E.C. Recognition X Axis
82
35
82
73
13
15
33
A
68
31
78
80
79
37
73
76
25
72
23
1
B
11
4
5
79
80
76
74
75
67
70
69
70
69
36
79
80
78
64
3
17
12
85
17
11
2
85
12
17
65
B
12
85
80
78
79
34
A
32
81
24
90
85
30
10
66
14
84
20
19
89
88
74
75
71
21
69
70
61
26
70
66
69
Fig.G-1
TPM-100F/R
8
87
9
87
7
88
89
83
79
6
38
28
29
6
69
70
62
27
6
79
92
93
91
C
C