P-146-001e.pdf - 第67页
MODEL TPM-100F/R 0102-001 Key No . P AR T No. P AR T NAME Q’ty REMARKS NOTE 65 G-3 20 1 630 095 4463 MECH P AR TS 1 748G--1 10-201 20 2 630 095 4470 MECH P AR TS 1 748G--1 10-202 20 3 630 095 4487 MECH P AR TS 1 748G--1 …

MODEL TPM-100F/R
0102-001
64
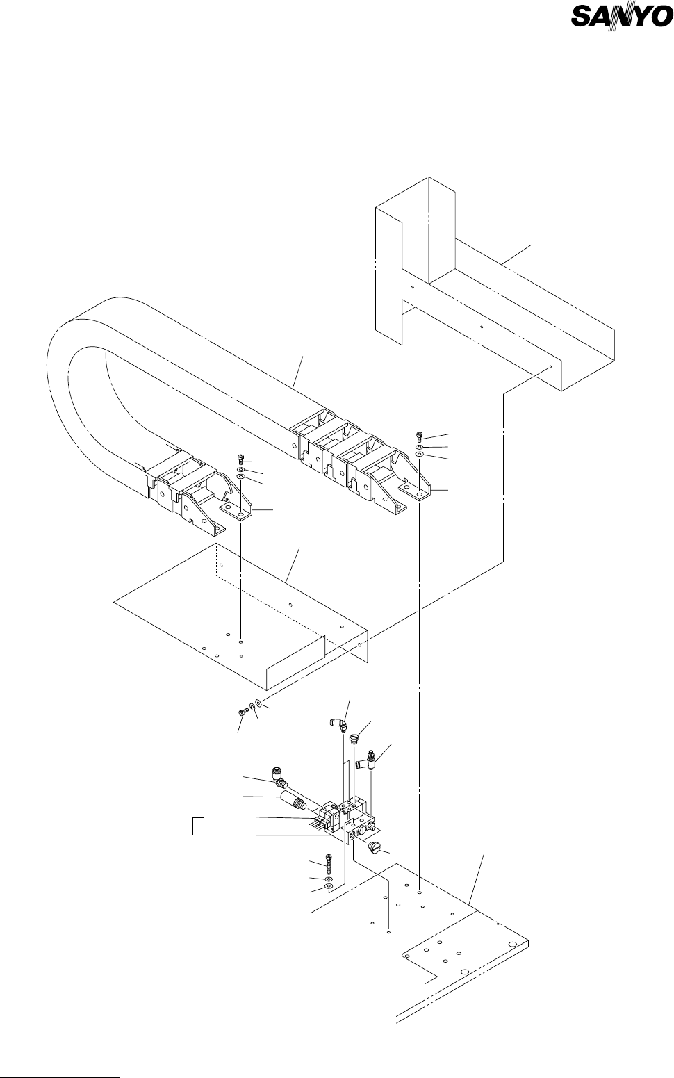
基板認識部 P.E.C. RECOGNITION SECTION
Fig. G-3 電装部 Electrical Parts
263
262
261
202
201
261
263
262
203
205
See Fig.G-1
Key No.23
See Fig.K-1
Key No.4
264
266
265
Fig.G-3
TPM-100F/R
204-01
204-02
209
211
206
210
207
208
267
266
265
204

MODEL TPM-100F/R
0102-001
Key No. PART No. PART NAME Q’ty REMARKS
NOTE
65
G-3
201 630 095 4463 MECH PARTS 1 748G--110-201
202 630 095 4470 MECH PARTS 1 748G--110-202
203 630 095 4487 MECH PARTS 1 748G--110-203
204 630 089 2123 SOLENOID VALVE 1 YSV078,079 748G--110-204
204 -01 630 091 2227 SOLENOID VALVE 2
204 -02 630 091 2234 AIR LINE EQPT 1
205 630 088 1189 BRACKET 1 748G--110-205
206 630 004 1002 PIPE FITTINGS 1 748G--110-206
207 630 069 0538 PIPE FITTINGS 1 748G--110-207
208 630 003 6541 AIR LINE EQPT 2 748G--110-208
209 630 088 4470 PIPE FITTINGS 2 748G--110-209
210 630 080 5420 PIPE FITTINGS 2 748G--110-210
211 630 003 5124 AIR LINE EQPT 1 748G--110-211
261 630 000 7749 BOLT,HEX-SCT 8 748G--110-261
262 411 141 4107 WASHER V 5X10X1 8 748G--110-262
263 411 141 6705 WASHER SPR 5 8 748G--110-263
264 630 000 7671 BOLT,HEX-SCT 2 748G--110-264
265 411 141 4008 WASHER V 4X9X0.8 5 748G--110-265
266 411 141 2905 WASHER SPR 4 5 748G--110-266
267 630 000 7633 BOLT,HEX-SCT 3 748G--110-267

MODEL TPM-100F/R
0102-001
66
基板認識部 P.E.C. RECOGNITION SECTION
Fig. G-4 基板認識 Y 軸 P.E.C. Recognition Y Axis
373
309
361
372
308
311
313
368
367
See Fig.G-1
Key No.23
See Fig.K-1
Key No.4
See Fig.G-1
Key No.23
366
366
301
363
310
370
302
303
371
367
371
369
370
314
307
312
370
371
369
372
365
367
305
306
304
362
307
312
370
371
369
372
Fig.G-4
TPM-100F/R
315
364