KD-2077_Installation - 第26页
Rev1.1 第 1 章 安装要领书 1-22 预输出(输入)信号和板有效信号的接口电路如图 11-3 所示。 以 SMEMA 规格为准。 图 11-3 GND(24V) + +24V 3.3K 1/4W READY OUT + BOAD AVAILABLE IN + READY OUT - BOAD AVAILABLE IN - N.C. 1 2 3 4 5 14 READY IN + BOAD AVAILA BLE OUT + RE…

Rev1.1
第 1 章 安装要领书
1-21
表 11-1 主机正面左侧的插头表
信号名 传送方向 右流动 信号名 传送方向 左流动 使用插头
1 READY OUT + READY IN +
2 READY OUT - READY IN - (GND) AMP
3 BOAD AVAILABLE IN + BOAD AVAILABLE OUT + 206043-1
4 BOAD AVAILABLE IN - (GND) BOAD AVAILABLE OUT -
5 N.C. N.C.
6 N.C. N.C. 电缆线侧
7 N.C. N.C. 连接插头
8 N.C. N.C. 206044-1
9 N.C. N.C.
10 N.C. N.C.
11 N.C. N.C.
12 N.C. N.C.
13 N.C. N.C.
14 N.C. N.C.
表 11-2 主机正面右侧的插头表
信号名 传送方向 右流动 信号名 传送方向 左流动 使用插头
1 READY IN + READY OUT +
2 READY IN - (GND) READY OUT - AMP
3 BOAD AVAILABLE OUT + BOAD AVAILABLE IN + 206043-1
4 BOAD AVAILABLE OUT - BOAD AVAILABLE IN - (GND)
5 N.C. N.C.
6 N.C. N.C. 电缆线侧
7 N.C. N.C. 连接插头
8 N.C. N.C. 206044-1
9 N.C. N.C.
10 N.C. N.C.
11 N.C. N.C.
12 N.C. N.C.
13 N.C. N.C.
14 N.C. N.C.

Rev1.1
第 1 章 安装要领书
1-22
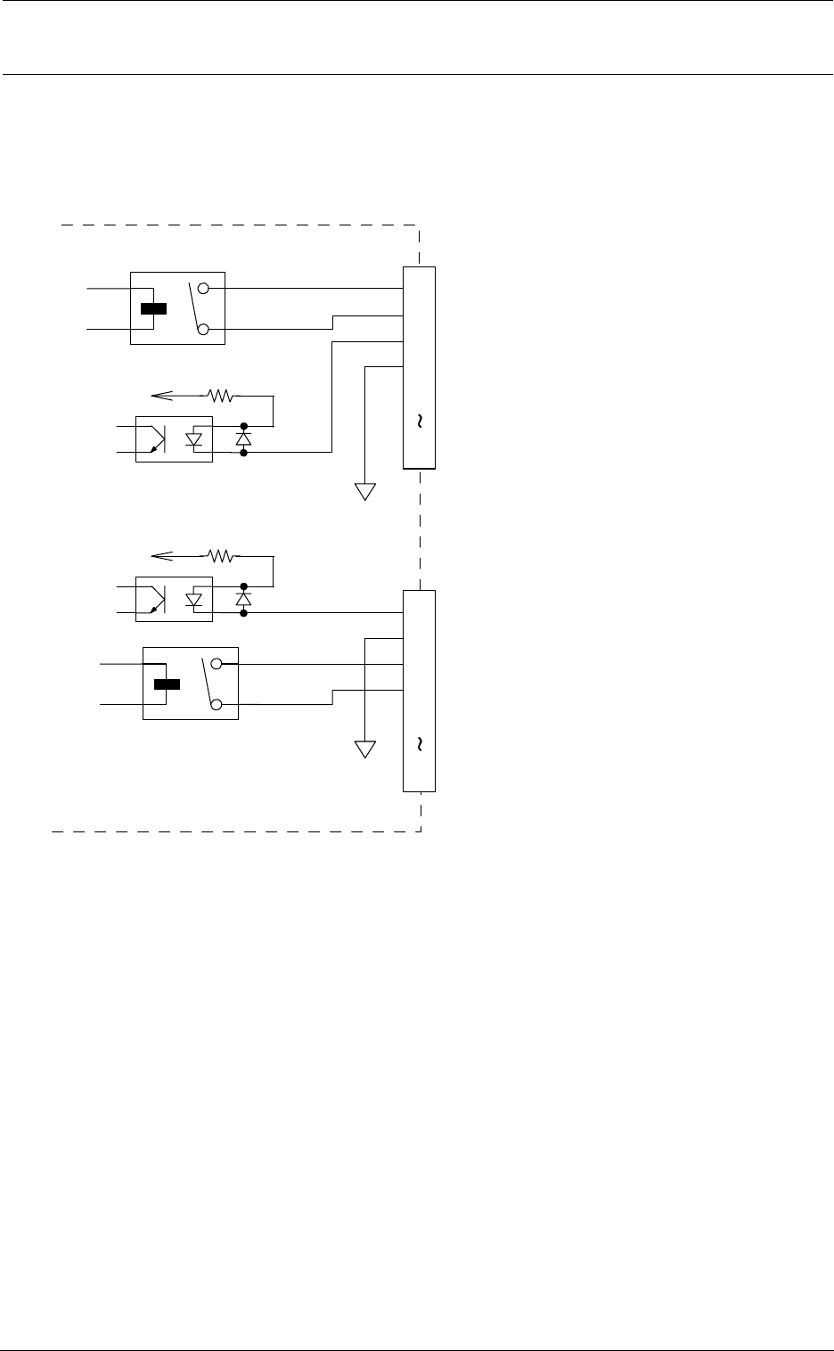
预输出(输入)信号和板有效信号的接口电路如图 11-3 所示。
以 SMEMA 规格为准。
图 11-3
GND(24V)
+
+24V
3.3K 1/4W
READY OUT +
BOAD AVAILABLE IN +
READY OUT -
BOAD AVAILABLE IN -
N.C.
1
2
3
4
5
14
READY IN +
BOAD AVAILABLE OUT +
READY IN -
BOAD AVAILABLE OUT -
N.C.
1
2
3
4
5
14
+24V
3.3K 1/4W
+
GND(24V)

Rev1.1
第 1 章 安装要领书
1-23
12. 主电源打开前的检查
<程序>
1) 是否进行了机器主机的水平调整。
2) 传送轨道高度是否符合用户的规格要求。
3) 调节器的锁定螺母是否被牢牢地固定。
4) 是否正确地供给干燥空气。
5) 连接机器主机的电源线是否正确地连接。(电压是否正确。)
6) X 轴、点胶头、传送轨道等的传送用固定金属部件是否脱落。
7) 附属品是否正确地安装。
8) 外部装置是否正确地连接。
9) Z 轴是否下降。
10) 各装置的轴是否可以用手动顺畅地转动。
・手拿 X 轴的两端,前后是否可以顺畅转动。
・手拿点胶头板看看是否左右可以顺畅地移动。
・用手指转动点胶头 Z 和θ轴堪堪是否可以顺畅地转动。