00194440-10_SM_X-Series_Customer_en - 第155页
Service Work 3.6.3 Replacing the Tape Drive Assembly [00359310-xx] Modular PC B Conveyor System Service Manual SIPLACE X Series 155 3.6.3 3 . 6 . 3 R e p la c in g t h e T a p e D r iv e A s s e m b ly [ 0 0 3 5 9 3 1 0 …

Service Work
Modular PCB Conveyor System 3.6.2 Replacing the Complete Drive Unit [00359284-xx]
154 Service Manual SIPLACE X Series
► Single/dual conveyor: Loosen the circlip on the hexagonal shaft and unthread the motor from the
hexagonal shaft.
Quad lane conveyor: Push the drive plus hexagonal shaft to one side and loosen the clamp on the
outer side of the drive. Push the hexagonal shaft off the drive.
Installation
See also
3.6.1 Manual Adjustment of Conveyor Edges [ ➙ 152]
5.4.1 Adjusting the Tension of the Conveyor Toothed Belt [ ➙ 319]
NOTICE
Observe how the belt is run
The way in which the conveyor toothed belt is run around the belt guide depends upon the
transport area concerned. Please observe this belt guidance during assembly.
If you have discovered a break in the motor cable during a continuity check, the motor cable
must be unthreaded as far as the conversion board of the conveyor edge (see circuit diagrams
of the same name) and unplugged at the corresponding point. This might be somewhat com-
plicated depending on the routing of cables inside the machine base.
► You may wish to contact SIPLACE service team regarding this work if you are unsure about
how to proceed.
► Fit the new drive unit in the reverse order.
► Please check:
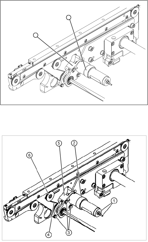
⇨ The entire width of the conveyor toothed belt (1)
must engage at all toothed disks (2) and be run
around the belt guide (3).
⇨ See also "Adjusting the Tension of the Conveyor
Toothed Belt".
► Perform a function test.
NOTICE!
Function test via the station software
After the new drive has been installed, you must make
certain that the direction of rotation and the conveyor
speed (motor voltage) are correct. After connecting the
geared motor, you only need to check the direction of ro-
tation.

Service Work
3.6.3 Replacing the Tape Drive Assembly [00359310-xx] Modular PCB Conveyor System
Service Manual SIPLACE X Series 155
3.6.3
3.6.3 Replacing the Tape Drive Assembly [00359310-xx]
Replacing the Tape Drive Assembly [00359310-xx]
Parts
▪ Tape drive [00359310-xx]
Overview
Removal/installation
► Removal and installation is identical to that for the drive unit [00359284-xx].
See also
3.6.2 Replacing the Complete Drive Unit [00359284-xx] [ ➙ 152]
1. Tape drive

Service Work
Modular PCB Conveyor System 3.6.4 Replacing the Complete Motor Mount [00367172-xx]
156 Service Manual SIPLACE X Series
3.6.4
3.6.4 Replacing the Complete Motor Mount [00367172-xx]
Replacing the Complete Motor Mount [00367172-xx]
Parts
▪ Motor mount assembly [00367172-xx]
Overview
Removal
Installation
► Fit the new motor mount by following the instructions in reverse order.
Follow the instructions for the drive unit as described in "3.6.2 Replacing the Complete Drive Unit
[00359284-xx]" [ ➙ 152].
The DC geared motors (1), including the motor mounts
(2) of all five conveyor areas are of like construction.
Please bear in mind the following differences during as-
sembly and disassembly:
▪ The motor mount is installed at an angle (tilted), ac-
cording to the requirements of the installation site.
1
2
► Remove the drive unit as described in "3.6.2 Replac-
ing the Complete Drive Unit [00359284-xx]" [ ➙ 152].
► Remove the three screws (3) holding the motor
mount in place.
► Carefully remove the motor mount (5) and gently un-
thread the conveyor toothed belt (4).