00194440-10_SM_X-Series_Customer_en - 第372页
Description of the Circuit Boards Conveyor 6.3.1 Conveyor Control TSP 301 372 Service Manua l SIPLACE X Series 6.3.1.3 6 . 3 . 1 . 3 L E D D is p la y o n C o n v e y o r C o n t r o l T S P 3 0 1 LED Display on Conveyor…

Description of the Circuit Boards
6.3.1 Conveyor Control TSP 301 Conveyor
Service Manual SIPLACE X Series 371
6.3.1.2
6.3.1.2 Conveyor Control TSP 301 with Siemens Interface
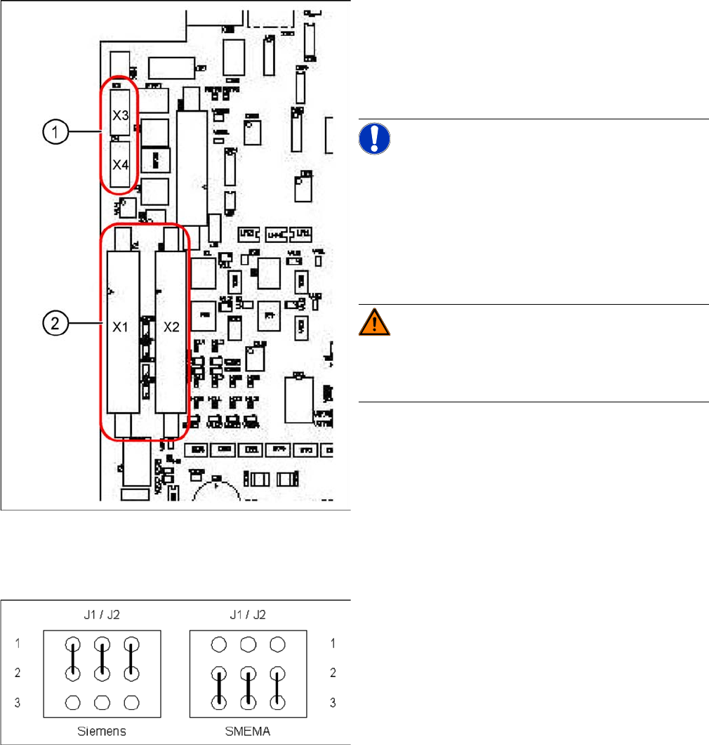
Conveyor Control TSP 301 with Siemens Interface
TSP 301 SMEMA --> Siemens
1. 10-pin connector for SMEMA interface
X3: predecessor station
X4: successor station
2. Connection for Siemens interface
X1: predecessor station
X2: successor station
NOTICE!
Standard / option
The SMEMA interface is the standard and the Siemens
interface optional for all X machines.
The Siemens interface is the standard and the SMEMA
interface optional for all D machines. An adapter is re-
quired for the SMEMA interface when used on D1/2/4
machines.
WARNING!
Irreparable damage to the TSP board!
The 10-pin locking clip plug of SMEMA connections must
be disconnected from the TSP 301!
Firmware: no modification required
Following modification are necessary for using the Sie-
mens interface:
► Jumper J1/J2: need to be moved (see following dia-
gram).
► Disconnect the connector X3 and X4 on the TSP 301!
► Connect the Siemens interface cable on the connec-
tor X1 and X2.
Jumper J1 and J2 (Siemens/SMEMA)

Description of the Circuit Boards
Conveyor 6.3.1 Conveyor Control TSP 301
372 Service Manual SIPLACE X Series
6.3.1.3
6.3.1.3 LED Display on Conveyor Control TSP 301
LED Display on Conveyor Control TSP 301
6.3.1.4
6.3.1.4 Assignment Table: LEDs on the TSP 301 Conveyor Control
Assignment Table: LEDs on the TSP 301 Conveyor Control
Conveyor Control TSP 301
1. Connector Siemens PCB handling interface up-
stream station lane 1 with corresponding LEDs PCB
handling
2. Connector Siemens PCB handling interface up-
stream station lane 1 with corresponding LEDs PCB
handling
The connector "Siemens PCB handling interface for the
upstream station of lane 2 with corresponding LEDs for
PCB handling" and the connector "PCB handling inter-
face for the downstream station of lane 2 with corre-
sponding LEDs for PCB handling" are located on the
extension board (similar layout).
Anzeige /Display I / O LED assignment
H1 / F1-F5 Fuse F1-F5, Power supply 40 V
H2 / F6 Fuse F6 Power supply 24V
H4(ao) Initializing / control error
H5(ao) CAN bus 1, active
H6(ao) Flashing: program running
H7(ao) CAN bus 2, active (optional)
H9 Out Interference loop
H14 IN Siemens interface for upstream station
H15 IN Siemens interface for downstream station
H20 IN Lifting table placement area 1: forked light barrier A
H21 IN Lifting table placement area 1: forked light barrier B
H22 IN Lifting table placement area 2: forked light barrier A
H23 IN Lifting table placement area 2: forked light barrier B
H24 IN Laser light barrier, placement area 1: receiver
H25 IN Laser light barrier, placement area 2: receiver
H26 IN Not used

Description of the Circuit Boards
6.3.1 Conveyor Control TSP 301 Conveyor
Service Manual SIPLACE X Series 373
H27 IN Not used
H28 IN Not used
H29 IN Not used
H30 IN Lifting table, placement area 1: cylinder switch
H31 IN Lifting table, placement area 2: cylinder switch
H32 IN Side panel right: limit switch
H33 IN Side panel left: limit switch
H34 IN Width adjustment: limit switch right
H35 IN Not used
H36(ao) IN Width adjustment unit 1: cylinder switch
H37(ao) IN Width adjustment unit 2: cylinder switch
H38(ao) IN Width adjustment unit 1: sensor side panel
H39(ao) IN Width adjustment unit 2: sensor side panel
H40(ao) IN Spindle width adjustment: limit switch right
H41(ao) IN Spindle width adjustment: limit switch left
H42(ao) IN Not used
H43(ao) IN Not used
H44 IN PCB sensor for input conveyor
H45 IN PCB sensor for placement area 1
H46 IN PCB sensor for intermediate conveyor
H47 IN PCB sensor for placement area 2
H48 IN PCB sensor for output conveyor
H49 IN Not used
H50 IN Not used
H51 IN Not used
H52 IN Light scanner "Fluxing", input conveyor
H53 IN Light scanner "Fluxing", placement area 1
H54 IN Light scanner "Fluxing", intermediate conveyor
H55 IN Light scanner "Fluxing", placement area 2
H56 IN Light scanner "Fluxing", output conveyor
H57 IN Not used
H58 IN Option plug placement area 1: input 1
H59 IN Option plug placement area 1: input 2
H60 IN Option plug placement area 1: input 3
H61 IN Option plug placement area 1: input 4
H62 IN Option plug placement area 1: input 5
H63 IN Option plug placement area 1: input 6
H64 IN Option plug placement area 2: input 1
H65 IN Option plug placement area 2: input 2
H66 IN Option plug placement area 2: input 3
H67 IN Option plug placement area 2: input 4
H68 IN Option plug placement area 2: input 5
Anzeige /Display I / O LED assignment