PTS-NAGL-09.1 - 第25页
GL HEAD 4/ GL ヘ ッド 4/ UH01843 No. Drg.No. & Code No. QTY Description Rating Remarks 番号 図番 & コード番 号 個数 品名 規格 備考 1 XB023 42 1 VALVE , ELEC/AIR PROPORT IONAL バルブ デンクウヒレ 2 XB033 30 4 VALVE , SOL バルブ SOL 3 Y3047 8 1 …

;
3
$
5
3
$
5
;
ȭ
ȭ
ࣆࢵ࣮࢝ືస
ࢩࣜࣥࢪṇᅽ⏝
PPȭ
PPȭ
PP
PPȭ
ȭ
PPȭ
ȭ
ȭ
ȭ
ȭ
ȭ
ȭȭ
ȭ
ȭ
ȭ
ȭ
ȭ
ȭ
ȭ
ȭ
ȭ
ȭ
ȭ
ȭ
ȭ
ȭ
⇕㢼⏝
ࢩࣜࣥࢪ㈇ᅽ⏝
PPȭ
PP
ȭ
ȭ
ȭ
5%3$5
;
5
$
3
;
5
$
3
6<5,1*(
ࢩࣜࣥࢪ
)256<5,1*(
326,7,9(35(6685(
)256<5,1*(
1(*$7,9(35(6685(
)25+27:,1'
3,&.(5027,21
㈇ᅽ
┿✵࣏ࣥࣉࡼࡾ
1HJSUHVV
)URP9DFXXPSXPS
3RVSUHVV
ṇᅽ
.3D
a1a1
a2a2
Ref.BED
Ref.BED
PP
PP
9
9.1
16
5
6
1
2
21
2
12
22
23
24
24
15
25
2
12
20
21
18
11
11
13
14
3
8
10
2
17
7
19
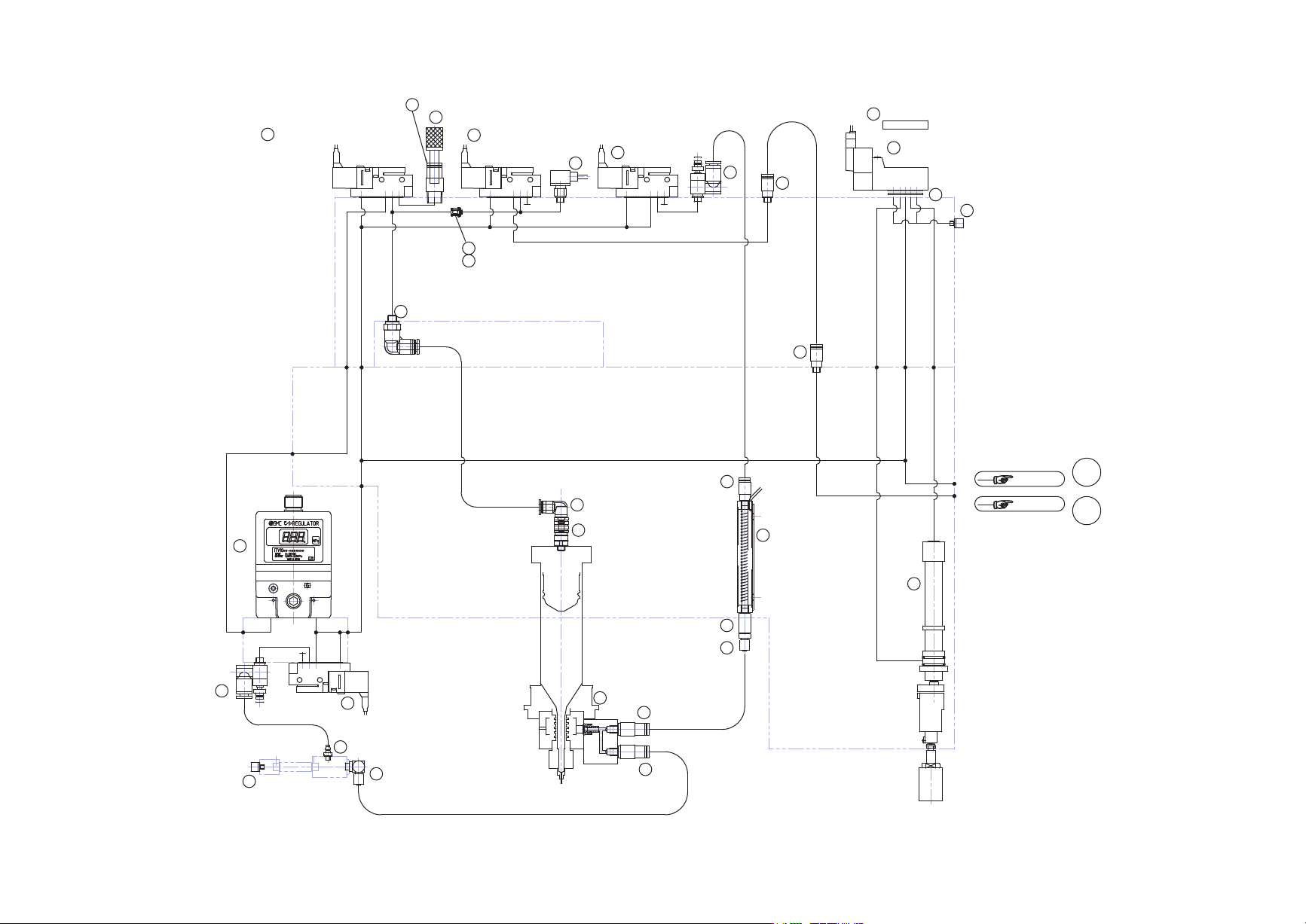
*/࣊ࢵࢻ
GL HEAD 4/
UH01843
24
PTS- NAGL- 09. 1

GL HEAD 4/
GL ヘッド 4/
UH01843
No. Drg.No. & Code No. QTY Description Rating Remarks
番号 図番 & コード番号 個数 品名 規格 備考
1 XB02342 1 VALVE, ELEC/AIR PROPORTIONAL
バルブ デンクウヒレ
2 XB03330 4 VALVE, SOL
バルブ SOL
3 Y30478 1 UNION, ELBOW
ユニオン エルボ
PL4-M6
5 H31264 1 PLUG
プラグ
CPPE3L-4
6 H31263 1 SOCKET
ソケット
CPSE3-M5
7 H10511 1 VALVE, CHECK
バルブ チェック
AKH06A-01S
8 S63211 1 SILENCER
サイレンサ
AN10-C06
9 PH00312 1 HOLDER
ホルダ
9.1 XH00402 1 FILTER
フィルタ
Consumable Parts
10 S4033G 1 SENSOR, PRESSURE
センサ 圧力
PSE543-M5
11 Y3086W 2 UNION, HALF
ユニオン ハーフ
KQ2S04-M5
12 H1040A 2 VALVE, THROTTLING
バルブ 絞り
JNS4-M5
13 Y3056D 1 UNION, HALF
ユニオン ハーフ
KGS04-M5
14 XH00902 1 HEATER
ヒータ
15 N2032A 1 NIPPLE
ニップル
M-5H-4
16 H1194N 1 PAD, VACUUM
パット バキューム
KP-6-S
17 H62140 1 PLATE
プレート
SYJ3000-21-12A Note.1
18 H11353 1 VALVE, SOL
バルブ SOL
SYJ3140-5MU-X82 Note.1
19 PJ07721 1 PLATE, ACRYLIC
プレート アクリル
Note.1
20 XS01844 1 CYLINDER
シリンダ
Note.1
21 S1058B 2 SILENCER
サイレンサ
AN120-M3
22 A4067H 1 ELBOW
エルボ
M-3AU-4
23 A4067Z 1 ELBOW
エルボ
M-5HL-4
24 H1052C 2 VALVE, CHECK
バルブ チェック
AKH04B-M5
25 K5077A 1 CONNECTOR
コネクタ
M-5J
Note.1:When the optional auto backup pin equipment is attached, part numbers 18, 19, 20 are added and 17 are not required.
:自動バックアップピン対応機能(オプション)を取り付ける場合は、品番18、品番19、品番20を追加し、品番17は不要です。
25
PTS- NAGL- 09. 1

㸨㹆㹆㸮㹀㸰ࠉ㸯㸰㸱㸲㸳㸴㸨
25
30
31
32
33
29
28
35
34
18
19
20
21
37
53
50
47
40
41
42
48
25.1
25.1
49
51
52
43
26
27
46
1
AA3FM20
*/࣊ࢵࢻ⮬ືࣂࢵࢡࢵࣉࣆࣥᶵ⬟
GL HEAD (AUTO BACKUP PIN EQUIPMENT)
26
PTS- NAGL- 09. 1